AsahiKASEI
AKM
AK09911
3-axis Electronic Compass
[AK09911]
MS1526-E-01 2014/7
- 1 -
AK09911
3-axis Electronic Compass
1. Features
A 3-axis electronic compass IC with high sensitive Hall sensor technology.
Best adapted to pedestrian city navigation use for cell phone and other portable appliance.
Functions:
3-axis magnetometer device suitable for compass application
Built-in A to D Converter for magnetometer data out
14-bit data out for each 3-axis magnetic component
Sensitivity: 0.6 µT/LSB (typ.)
Serial interface
I2C bus interface
Standard, Fast and High-speed mode (up to 2.5 MHz) compliant with Philips I2C specification Ver.2.1
Operation mode
Power-down, Single measurement, Continuous measurement, Self-test and Fuse ROM access
DRDY function for measurement data ready
Magnetic sensor overflow monitor function
Built-in oscillator for internal clock source
Power on Reset circuit
Self test function with internal magnetic source
Operating temperatures:
-30˚C to +85˚C
Operating supply voltage:
Analog power supply +2.4V to +3.6V
Digital Interface supply +1.65V to analog power supply voltage
Current consumption:
Power-down: 3 µA (typ.)
Measurement:
Average current consumption at 100 Hz repetition rate: 2.4 mA (typ.)
Package:
AK09911C 8-pin WL-CSP (BGA): 1.2 mm × 1.2 mm × 0.5 mm (typ.)
AsahiKASEI
[AK09911]
MS1526-E-01 2014/7
- 2 -
2. Overview
AK09911 is 3-axis electronic compass IC with high sensitive Hall sensor technology.
Small package of AK09911 incorporates magnetic sensors for detecting terrestrial magnetism in the X-axis, Y-axis, and
Z-axis, a sensor driving circuit, signal amplifier chain, and an arithmetic circuit for processing the signal from each sensor.
Self test function is also incorporated. From its compact foot print and thin package feature, it is suitable for map heading
up purpose in GPS-equipped cell phone to realize pedestrian navigation function.
AK09911 has the following features:
(1) Silicon monolithic Hall-effect magnetic sensor with magnetic concentrator realizes 3-axis magnetometer on a
silicon chip. Analog circuit, digital logic, power block and interface block are also integrated on a chip.
(2) Wide dynamic measurement range and high resolution with lower current consumption.
Output data resolution: 14-bit (0.6 µT/LSB)
Measurement range: ±4900 µT
Average current at 100 Hz repetition rate: 2.4 mA (typ.)
(3) Digital serial interface
I2C bus interface to control AK09911 functions and to read out the measured data by external CPU. A
dedicated power supply for I2C bus interface can work in low-voltage apply as low as 1.65V.
(4) DRDY register informs to system that measurement is end and set of data in registers are ready to be read.
(5) Device is worked by on-chip oscillator so no external clock source is necessary.
(6) Self test function with internal magnetic source to confirm magnetic sensor operation on end products.
AsahiKASEI
[AK09911]
MS1526-E-01 2014/7
- 3 -
3. Table of Contents
1. Features .............................................................................................................................. 1
2. Overview .............................................................................................................................. 2
3. Table of Contents ................................................................................................................. 3
4. Circuit Configration .............................................................................................................. 5
4.1. Block Diagram .............................................................................................................. 5
4.2. Block Function .............................................................................................................. 5
4.3. Pin Function .................................................................................................................. 6
5. Overall Characteristics ........................................................................................................ 7
5.1. Absolute Maximum Ratings .......................................................................................... 7
5.2. Recommended Operating Conditions .......................................................................... 7
5.3. Electrical Characteristics .............................................................................................. 7
5.3.1. DC Characteristics ................................................................................................. 7
5.3.2. AC Characteristics ................................................................................................. 8
5.3.3. Analog Circuit Characteristics ................................................................................ 9
5.3.4. I2C Bus Interface .................................................................................................. 10
6. Function Explanation ......................................................................................................... 13
6.1. Power States ............................................................................................................... 13
6.2. Reset Functions .......................................................................................................... 13
6.3. Operation Mode .......................................................................................................... 14
6.4. Description of Each Operation Mode ......................................................................... 15
6.4.1. Power-down Mode ............................................................................................... 15
6.4.2. Single Measurement Mode .................................................................................. 15
6.4.3. Continuous Measurement Mode 1, 2, 3 and 4 .................................................... 16
6.4.4. Self-test Mode ...................................................................................................... 19
6.4.5. Fuse ROM Access Mode ..................................................................................... 19
7. Serial Interface .................................................................................................................. 20
7.1. Data Transfer .............................................................................................................. 20
7.1.1. Change of Data .................................................................................................... 20
7.1.2. Start/Stop Condition ............................................................................................. 20
7.1.3. Acknowledge ........................................................................................................ 21
7.1.4. Slave Address ...................................................................................................... 21
7.2. WRITE Instruction ....................................................................................................... 22
7.3. READ Instruction ........................................................................................................ 23
7.3.1. One Byte READ ................................................................................................... 23
7.3.2. Multiple Byte READ ............................................................................................. 23
7.4. High-speed Mode (Hs-mode) ..................................................................................... 24
8. Registers ........................................................................................................................... 25
8.1. Description of Registers ............................................................................................. 25
8.2. Register Map .............................................................................................................. 26
8.3. Detailed of Description of Register ............................................................................. 27
8.3.1. WIA: Who I Am ..................................................................................................... 27
8.3.2. INFO: Information ................................................................................................ 27
8.3.3. ST1: Status 1 ........................................................................................................ 27
8.3.4. HXL to HZH: Measurement data .......................................................................... 28
8.3.5. TMPS: Dummy Register ...................................................................................... 28
8.3.6. ST2: Status 2 ........................................................................................................ 29
8.3.7. CNTL1: Dummy Register ..................................................................................... 29
8.3.8. CNTL2: Control 2 ................................................................................................. 29
8.3.9. CNTL3: Control 3 ................................................................................................. 30
8.3.10. TS1: Test ............................................................................................................ 30
8.3.11. ASAX, ASAY, ASAZ: Sensitivity Adjustment Values ........................................... 30
9. Example of Recommended External Connection ............................................................. 31
10. Package ........................................................................................................................... 32
10.1. Marking ..................................................................................................................... 32
10.2. Pin Assignment ......................................................................................................... 32
10.3. Outline Dimensions .................................................................................................. 33
AsahiKASEI
[AK09911]
MS1526-E-01 2014/7
- 5 -
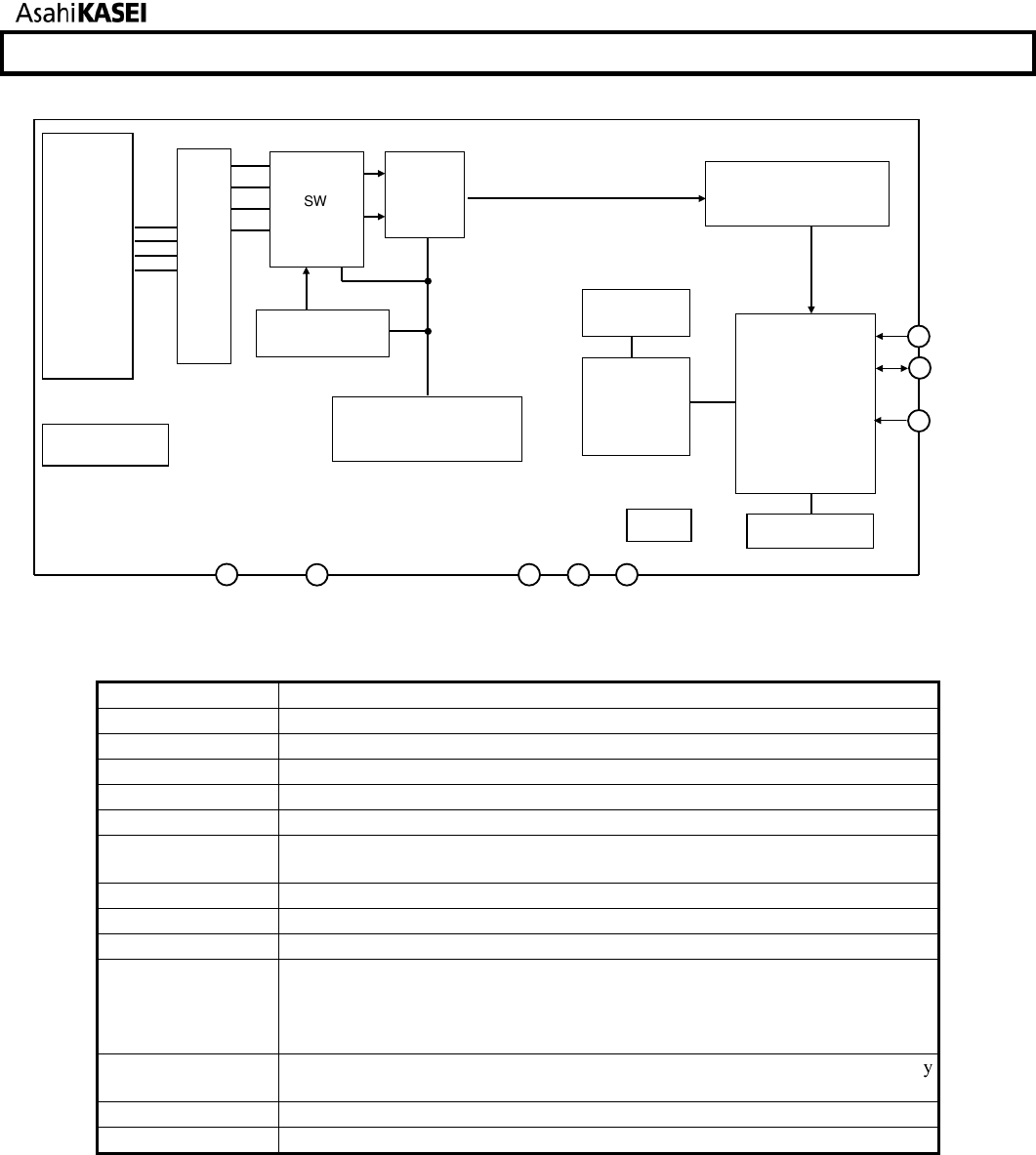
4. Circuit Configration
4.1. Block Diagram
3-axis
Hall
sensor
MUX
SDA
Chopper
SW
HE-Drive
Pre-
AMP
Integrator&ADC
Interface Logic
& Register
SCL
VDD
VREF
Timing
Control
VID
OSC
Magnetic source
VSS
POR
FUSE ROM
TST
RSTN
CAD
4.2. Block Function
Block
Function
3-axis Hall sensor
Monolithic Hall elements.
MUX
Multiplexer for selecting Hall elements.
Chopper SW
Performs chopping.
HE-Drive
Magnetic sensor drive circuit for constant-current driving of sensor.
Pre-AMP
Fixed-gain differential amplifier used to amplify the magnetic sensor signal.
Intergrator & ADC
Integrates and amplifies pre-AMP output and performs analog-to-digital
conversion.
OSC
Generates an operating clock for sensor measurement.
POR
Power On Reset circuit. Generates reset signal on rising edge of VDD.
VREF
Generates reference voltage and current.
Interface Logic
&
Register
Exchanges data with an external CPU.
I2C bus interface using two pins, namely, SCL and SDA. Standard, Fast and
High-speed modes are supported. The low-voltage specification can be supported
by applying 1.65V to the VID pin.
Timing Control
Generates a timing signal required for internal operation from a clock generated by
the OSC.
Magnetic Source
Generates magnetic field for self test of magnetic sensor.
FUSE ROM
Fuse for adjustment.
AsahiKASEI
[AK09911]
MS1526-E-01 2014/7
- 6 -
4.3. Pin Function
Pin No.
Pin name
I/O
Power
supply
Type
Function
A1
VDD
-
-
Power
Positive power supply pin.
A2
CAD
I
VDD
CMOS
Slave address input pin.
Connect to VSS or VDD,
A3
TST
I/O
VDD
CMOS
Test pin.
Pulled down by 100kΩ internal resister. Keep this pin
electrically non-connected.
B1
VSS
-
-
Power
Ground pin.
B3
SCL
I
VID
CMOS
Control data clock input pin
Input: Schmidt trigger
C1
VID
-
-
Power
Digital interface positive power supply pin.
C2
RSTN
I
VID
CMOS
Reset pin.
Resets registers by setting to “L”.
C3
SDA
I/O
VID
CMOS
Control data input/output pin
Input: Schmidt trigger, Output: Open drain
AsahiKASEI
[AK09911]
MS1526-E-01 2014/7
- 7 -
5. Overall Characteristics
5.1. Absolute Maximum Ratings
Vss=0V
Parameter
Symbol
Min.
Max.
Unit
Power supply voltage
(Vdd, Vid)
V+
-0.3
+4.3
V
Input voltage
VIN
-0.3
(
V+
)
+0.3
V
Input current
IIN
-
±10
mA
Storage temperature
Tst
-40
+125
˚C
(Note 1) If the device is used in conditions exceeding these values, the device may be destroyed. Normal operations are
not guaranteed in such exceeding conditions.
5.2. Recommended Operating Conditions
Vss=0V
Parameter
Remark
Symbol
Min.
Typ.
Max.
Unit
Operating temperature
Ta
-30
+85
˚C
Power supply voltage
VDD pin voltage
Vdd
2.4
3.0
3.6
V
VID pin voltage
Vid
1.65
Vdd
V
5.3. Electrical Characteristics
The following conditions apply unless otherwise noted:
Vdd=2.4V to 3.6V, Vid=1.65V to Vdd, Temperature range=-30˚C to 85˚C
5.3.1. DC Characteristics
Parameter
Symbol
Pin
Condition
Min.
Typ.
Max.
Unit
High level input voltage 1
VIH1
RSTN
70%Vid
Vid+0.3
V
SCL
SDA
70%Vid
Low level input voltage 1
VIL1
RSTN
SCL
SDA
-0.3
30%Vid
V
High level input voltage 2
VIH2
TST
CAD
70%Vdd
Vdd+0.3
V
Low level input voltage 2
VIL2
-0.3
30%Vdd
V
Input current 1
IIN1
RSTN
SCL
SDA
Vin=Vss or Vid
-10
+10
µA
CAD
Vin=Vss or Vdd
-10
+10
Input current 2
IIN2
TST
Vin=Vdd
100
µA
Hysteresis input voltage
(Note 2)
VHS
SCL
SDA
Vid≥2V
5%Vid
V
Vid<2V
10%Vid
Low level output voltage
(Note 3)
VOL
SDA
IOL≤+3mA
Vid
≥
2V
0.4
V
IOL≤+3mA
Vid<2V
20%Vid
Current consumption
(Note 4)
IDD1
VDD
VID
Power-down mode
Vdd=Vid=3.0V
3
6
µA
IDD2
When magnetic sensor
is driven
3
6
mA
IDD3
Self-test mode
5
8
mA
IDD4
(Note 5)
0.1
5
µA
AsahiKASEI
Parameter Symbol I’in Condition Min. Typ. Max. um:
i ,_,
VDD/(VID)
SDV
0v _____
PM”) PSINT
Parameter Symbol Pin Condition Min. '1‘vp. Max. Unit
[AK09911]
MS1526-E-01 2014/7
- 8 -
(Note 2) Schmitt trigger input (reference value for design)
(Note 3) Output is open-drain. Connect a pull-up resistor externally. Maximum capacitive load: 400pF (Capacitive load
of each bus line for I2C bus interface).
(Note 4) Without any resistance load. It does not include the current consumed by external loads (pull-down resister, etc.).
RSTN, SDA, SCL = Vid or 0V. CAD = Vdd or 0V.
(Note 5) (case 1) Vdd=ON, Vid=ON, RSTN pin = “L”. (case 2) Vdd=ON, Vid=OFF (0V), RSTN pin = “L”. (case 3)
Vdd=OFF (0V), Vid=ON.
5.3.2. AC Characteristics
Parameter
Symbol
Pin
Condition
Min.
Typ.
Max.
Unit
Power supply rise time
(Note 6)
PSUP
VDD
VID
Period of time that VDD (VID)
changes from 0.2V to Vdd (Vid).
50
ms
POR completion time
(Note 6)
PORT
Period of time after PSUP to
Power-down mode (Note 7)
100
µs
Power supply turn off
voltage (Note 6)
SDV
VDD
VID
Turn off voltage to enable POR to
restart (Note 7)
0.2
V
Power supply turn on
interval (Note 6)
PSINT
VDD
VID
Period of time that voltage lower
than SDV needed to be kept to
enable POR to restart (Note 7)
100
µs
Wait time before mode
setting
Twat
100
µs
(Note 6) Reference value for design.
(Note 7) When POR circuit detects the rise of VDD/VID voltage, it resets internal circuits and initializes the registers.
After reset, AK09911 transits to Power-down mode.
Parameter
Symbol
Pin
Condition
Min.
Typ.
Max.
Unit
Reset input effective pulse width (“L”)
tRSTL
RSTN
5
µs
VIL1
tRSTL
0V
PSINT
PSUP
PORT
Power-down mode
SDV
VDD/(VID)
Power-down mode
AsahiKASEI
Parameter Condition
[AK09911]
MS1526-E-01 2014/7
- 9 -
5.3.3. Analog Circuit Characteristics
Parameter
Symbol
Condition
Min.
Typ.
Max.
Unit
Measurement data output bit
DBIT
-
14
-
bit
Time for measurement
TSM
Single measurement mode
7.2
8.5
ms
Magnetic sensor sensitivity (Note 8)
BSE
Tc = 25 ˚C
0.57
0.6
0.63
µT/LSB
Magnetic sensor measurement range
(Note 9)
BRG
Tc = 25 ˚C
±
4912
µT
Magnetic sensor initial offset
(Note 10)
Tc = 25 ˚C
-500
+500
LSB
(Note 8) Value after sensitivity is adjusted using sensitivity fine adjustment data stored in Fuse ROM.
(Note 9) Reference value for design
(Note 10) Value of measurement data register on shipment without applying magnetic field on purpose.
AsahiKASEI
dc
L<>< v|l1="" .lm="" c="" s=""> [AK09911]
MS1526-E-01 2014/7
- 10 -
5.3.4. I2C Bus Interface
I2C bus interface is compliant with Standard mode, Fast mode and High-speed mode. Standard/Fast mode is selected
automatically by fSCL.
Standard mode
fSCL≤100kHz
Symbol
Parameter
Min.
Typ.
Max.
Unit
fSCL
SCL clock frequency
100
kHz
tHIGH
SCL clock “High” time
4.0
µs
tLOW
SCL clock “Low” time
4.7
µs
tR
SDA and SCL rise time
1.0
µs
tF
SDA and SCL fall time
0.3
µs
tHD:STA
Start Condition hold time
4.0
µs
tSU:STA
Start Condition setup time
4.7
µs
tHD:DAT
SDA hold time (vs. SCL falling edge)
0
µs
tSU:DAT
SDA setup time (vs. SCL rising edge)
250
ns
tSU:STO
Stop Condition setup time
4.0
µs
tBUF
Bus free time
4.7
µs
Fast mode
100Hz≤fSCL≤400kHz
Symbol
Parameter
Min.
Typ.
Max.
Unit
fSCL
SCL clock frequency
400
kHz
tHIGH
SCL clock “High” time
0.6
µs
tLOW
SCL clock “Low” time
1.3
µs
tR
SDA and SCL rise time
0.3
µs
tF
SDA and SCL fall time
0.3
µs
tHD:STA
Start Condition hold time
0.6
µs
tSU:STA
Start Condition setup time
0.6
µs
tHD:DAT
SDA hold time (vs. SCL falling edge)
0
µs
tSU:DAT
SDA setup time (vs. SCL rising edge)
100
ns
tSU:STO
Stop Condition setup time
0.6
µs
tBUF
Bus free time
1.3
µs
tSP
Noise suppression pulse width
50
ns
[I2C bus interface timing]
tHIGH
SCL
SDA
VIH1
tLOW
tBUF
tHD:STA
tR
tF
tHD:DAT
tSU:DAT
tSU:STA
Stop
Start
Start
Stop
tSU:STO
VIL1
VIH1
VIL1
tSP
SCL
VIH1
VIL1
1/fSCL
AsahiKASEI
[AK09911]
MS1526-E-01 2014/7
- 11 -
High-speed mode (Hs-mode)
Cb≤100pF (Cb: load capacitance)
fSCLH≤2.5MHz
Symbol
Parameter
Min.
Typ.
Max.
Unit
fSCLH
SCLH clock frequency
2.5
MHz
tHIGH
SCLH clock “High” time
110
ns
tLOW
SCLH clock “Low” time
220
ns
tR_CL
SCLH rise time
10
40
ns
tR_CL1
SCLH rise time after a repeated START
condition and after an acknowledge bit
10 80 ns
tR_DA
SDAH rise time
10
80
ns
tF_CL
SCLH fall time
-
40
ns
tF_DA
SDAH fall time
-
80
ns
tHD:STA
Start Condition hold time
160
ns
tSU:STA
Start Condition setup time
160
ns
tHD:DAT
SDAH hold time (vs. SCLH falling edge)
0
ns
tSU:DAT
SDAH setup time (vs. SCLH rising edge)
10
ns
tSU:STO
Stop Condition setup time
160
ns
tSP
Noise suppression pulse width
10
ns
Cb≤400pF
fSCLH≤1.7MHz
Symbol
Parameter
Min.
Typ.
Max.
Unit
fSCLH
SCLH clock frequency
1.7
MHz
tHIGH
SCLH clock “High” time
120
ns
tLOW
SCLH clock “Low” time
320
ns
tR_CL
SCLH rise time
20
80
ns
tR_CL1
SCLH rise time after a repeated START
condition and after an acknowledge bit
20 160 ns
tR_DA
SDAH rise time
20
160
ns
tF_CL
SCLH fall time
-
80
ns
tF_DA
SDAH fall time
-
160
ns
tHD:STA
Start Condition hold time
160
ns
tSU:STA
Start Condition setup time
160
ns
tHD:DAT
SDAH hold time (vs. SCLH falling edge)
0
ns
tSU:DAT
SDAH setup time (vs. SCLH rising edge)
10
ns
tSU:STO
Stop Condition setup time
160
ns
tSP
Noise suppression pulse width
10
ns
AsahiKASEI
[AK09911]
MS1526-E-01 2014/7
- 12 -
[I2C bus interface timing of Hs-mode]
SCLH
VIH1
VIL1
1/fSCLH
VIH1
VIL1
VIH1
VIL1
SDAH
SCLH
START
START
STOP
Tf_D
Tr_D
tr_CL1
Tr_CL1
Tr_CL
tf_CL
tHIGH
tLOW tHIGH
tHD;DAT
tSU;DAT
tSU;STO
tSU;STA
tHD;STA
AsahiKASEI
[AK09911]
MS1526-E-01 2014/7
- 13 -
6. Function Explanation
6.1. Power States
When VDD and VID are turned on from Vdd=OFF (0V) and Vid=OFF (0V), all registers in AK09911 are initialized by
POR circuit and AK09911 transits to Power-down mode.
All the states in the table below can be set, although the transition from state 2 to state 3 and the transition from state 3 to
state 2 are prohibited.
Table 6.1. Power state
State
VDD
VID
Power state
1
OFF (0V)
OFF (0V)
OFF (0V).
It doesn’t affect external interface.Digital
input pins other than SCL and SDA pin
should be fixed to “L”(0V).
2
OFF (0V)
1.65V to 3.6V
OFF (0V)
It doesn’t affect external interface.
3
2.4V to 3.6V
OFF (0V)
OFF(0V)
It doesn’t affect external interface. Digital
input pins other than SCL and SDA pin
should be fixed to “L”(0V).
4
2.4V to 3.6V
1.65V to Vdd
ON
6.2. Reset Functions
When the power state is ON, always keep Vid≤Vdd.
Power-on reset (POR) works until Vdd reaches to the operation effective voltage (about 1.1V: reference value for design)
on power-on sequence. After POR is deactivated, all registers are initialized and transits to Power-down mode.
When Vdd=2.4 to 3.6V, POR circuit and VID monitor circuit are active. When Vid=0V, AK09911 is in reset status and it
consumes the current of reset state (IDD4).
AK09911 has four types of reset;
(1) Power on reset (POR)
When Vdd rise is detected, POR circuit operates, and AK09911 is reset.
(2) VID monitor
When VID is turned OFF, AK09911 is reset.
(3) Reset pin (RSTN)
AK09911 is reset by Reset pin. When Reset pin is not used, connect to VID.
(4) Soft reset
AK09911 is reset by setting SRST bit. When AK09911 is reset, all registers are initialized and AK09911 transits to
Power-down mode.
AsahiKASEI
MODE[4:O]:“00001 "
MODE[4:O]:“00000"
Transns amomamcauy
MODE[4:O]:“O0110"
MODEM: “00000"
“O1 000"
00000"
MODE[4:O
MODE[4:O
MODE[AIJ
MODE[4:O]:“00000"
Tmnsns aucomammuy
MODE[4:0]:“I I I 1 1"
MODE[4‘ ‘00000”
[AK09911]
MS1526-E-01 2014/7
- 14 -
6.3. Operation Mode
AK09911 has following nine operation modes:
(1) Power-down mode
(2) Single measurement mode
(3) Continuous measurement mode 1
(4) Continuous measurement mode 2
(5) Continuous measurement mode 3
(6) Continuous measurement mode 4
(7) Self-test mode
(8) Fuse ROM access mode
By setting CNTL2 register MODE[4:0] bits, the operation set for each mode is started.
A transition from one mode to another is shown below.
MODE[4:0]=“00001”
MODE[4:0]=“00000”
Transits automatically
MODE[4:0]=“00010”
MODE[4:0]=“00000”
MODE[4:0]=“00100”
MODE[4:0]=“00000”
MODE[4:0]=“00110”
MODE[4:0]=“00000”
MODE[4:0]=“01000”
MODE[4:0]=“00000”
MODE[4:0]=“10000”
MODE[4:0]=“00000”
Transits automatically
MODE[4:0]=“11111”
MODE[4:0]=“00000”
Power-down
mode
Continuous measurement mode 2
Sensor is measured periodically in 20Hz.
Transits to Power-down mode by writing
MODE[4:0]=“00000”.
Self-test mode
Sensor is self-tested and the result is output. Transits
to Power-down mode automatically.
Single measurement mode
Sensor is measured for one time and data is output.
Transits to Power-down mode automatically after
measurement ended.
Continuous measurement mode 1
Sensor is measured periodically in 10Hz.
Transits to Power-down mode by writing MODE[4:0]
= “00000”.
Continuous measurement mode 3
Sensor is measured periodically in 50Hz.
Transits to Power-down mode by writing
MODE[4:0]=“00000”.
Continuous measurement mode 4
Sensor is measured periodically in 100Hz.
Transits to Power-down mode by writing
MODE[4:0]=“00000”.
Fuse ROM access mode
Turn on the needed to read out Fuse ROM. Transits
to Power-down mode by writing
MODE[4:0]=“00000”.
Figure 6.1. Operation mode
When power is turned ON, AK09911 is in Power-down mode. When a specified value is set to MODE[4:0], AK09911
transits to the specified mode and starts operation. When user wants to change operation mode, transit to Power-down mode
first and then transit to other modes. After Power-down mode is set, at least 100 µs (Twat) is needed before setting another
mode
AsahiKASEI
[AK09911]
MS1526-E-01 2014/7
- 15 -
6.4. Description of Each Operation Mode
6.4.1. Power-down Mode
Power to almost all internal circuits is turned off. All registers are accessible in Power-down mode. Data stored in
read/write registers are remained. They can be reset by soft reset.
6.4.2. Single Measurement Mode
When Single measurement mode (MODE[4:0]=“00001”) is set, magnetic sensor measurement is started. After magnetic
sensor measurement and signal processing is finished, measurement magnetic data is stored to measurement data registers
(HXL to HZH), then AK09911 transits to Power-down mode automatically. On transition to Power-down mode,
MODE[4:0] turns to “00000”. At the same time, DRDY bit in ST1 register turnes to “1”. This is called “Data Ready”.
When any of measurement data register (HXL to TMPS) or ST2 register is read, DRDY bit turnes to “0”. It remains “1” on
transition from Power-down mode to another mode. (Figure 6.2. )
When sensor is measuring (Measurement period), measurement data registers (HXL to TMPS) keep the previous data.
Therefore, it is possible to read out data even in measurement period. Data read out in measurement period are previous
data.(Figure 6.3. )
Operation Mode: Single measuremnet
Power-down (1) (2) (3)
Measurement period
Measurement Data Register
Last Data Measurement Data (1) Data(2) Data(3)
DRDY
Data read Data(1) Data(3)
Register Write MODE[4:0]="00001" MODE[4:0]="00001" MODE[4:0]="00001"
Figure 6.2. Single measurement mode when data is read out of measurement period
Operation Mode: Single measuremnet
Power-down (1) (2) (3)
Measurement period
Measurement Data Register
Last Data Measurement Data (1) Data(3)
DRDY
Data read Data(1)
Register Write MODE[4:0]="00001" MODE[4:0]="00001" MODE[4:0]="00001"
Figure 6.3. Single measurement mode when data read started during measurement period
AsahiKASEI
[AK09911]
MS1526-E-01 2014/7
- 16 -
6.4.3. Continuous Measurement Mode 1, 2, 3 and 4
When Continuous measurement mode 1 (MODE[4:0]=“00010”), 2 (MODE[4:0]=“00100”), 3 (MODE[4:0]=“00110”) or 4
(MODE[4:0]=“01000”) is set, magnetic sensor measurement is started periodically at 10 Hz, 20 Hz, 50 Hz or 100 Hz
respectively. After magnetic sensor measurement and signal processing is finished, measurement magnetic data is stored to
measurement data registers (HXL to HZH) and all circuits except for the minimum circuit required for counting cycle
length are turned off (PD). When the next measurement timing comes, AK09911 wakes up automatically from PD and
starts measurement again.
Continuous measurement mode ends when Power-down mode (MODE[4:0]=“00000”) is set. It repeats measurement until
Power-down mode is set.
When Continuous measurement mode 1 (MODE[4:0]=“00010”), 2 (MODE[4:0]=“00100”), 3 (MODE[4:0]=“00110”) or 4
(MODE[4:0]=“01000”) is set again while AK09911 is already in Continuous measurement mode, a new measurement starts.
ST1, ST2 and measurement data registers (HXL to TMPS) will not be initialized by this.
(N-1)th Nth (N+1)th
PD Measurement PD Measurement PD
10Hz,20Hz,50Hz or 100Hz
Figure 6.4. Continuous measurement mode
6.4.3.2. Data Ready
When measurement data is stored and ready to be read, DRDY bit in ST1 register turnes to “1”. This is called “Data Ready”.
When measurement is performed correctly, AK09911 becomes Data Ready on transition to PD after measurement.
6.4.3.3. Normal Read Sequence
(1) Check Data Ready or not by polling DRDY bit of ST1 register
DRDY: Shows Data Ready or not. Not when “0”, Data Ready when “1”.
DOR: Shows if any data has been skipped before the current data or not. There are no skipped data when “0”,
there are skipped data when “1”.
(2) Read measurement data
When any of measurement data register (HXL to TMPS) or ST2 register is read, AK09911 judges that data reading
is started. When data reading is started, DRDY bit and DOR bit turnes to “0”.
(3) Read ST2 register (required)
HOFL: Shows if magnetic sensor is overflowed or not. “0” means not overflowed, “1” means overflowed.
When ST2 register is read, AK09911 judges that data reading is finished. Stored measurement data is protected
during data reading and data is not updated. By reading ST2 register, this protection is released. It is required to read
ST2 register after data reading.
(N-1)th Nth (N+1)th
PD Measurement PD Measurement PD
Measurement Data Register
(N-1)th Nth (N+1)th
DRDY
Data read ST1 Data(N) ST2 ST1 Data(N+1) ST2
Figure 6.5. Normal read sequence
AsahiKASEI
[AK09911]
MS1526-E-01 2014/7
- 17 -
6.4.3.4. Data Read Start during Measurement
When sensor is measuring (Measurement period), measurement data registers (HXL to TMPS) keep the previous data.
Therefore, it is possible to read out data even in measurement period. If data is started to be read during measurement period,
previous data is read.
(N-1)th Nth (N+1)th
PD Measurement PD Measurement PD
Measurement Data Register
(N-1)th Nth
DRDY
Data read ST1 Data(N) ST2 ST1 Data(N) ST2
Figure 6.6. Data read start during measurement
AsahiKASEI
[AK09911]
MS1526-E-01 2014/7
- 18 -
6.4.3.5. Data Skip
When Nth data was not read before (N+1)th measurement ends, Data Ready remains until data is read. In this case, a set of
measurement data is skipped so that DOR bit turnes to “1”.
When data reading started after Nth measurement ended and did not finish reading before (N+1)th measurement ended, Nth
measurement data is protected to keep correct data. In this case, a set of measurement data is skipped and not stored so that
DOR bit turnes to “1”.
In both case, DOR bit turnes to “0” at the next start of data reading.
(N-1)th Nth (N+1)th
PD Measurement PD Measurement PD
Measurement Data Register
(N-1)th Nth (N+1)th
DRDY
DOR
Data read ST1 Data(N+1) ST2
Figure 6.7. Data Skip: When data is not read
(N-1)th Nth (N+1)th (N+2)th
PD
Measurement
PD
Measurement
PD
Measurement
PD
Measurement Data Register
(N-1)th Nth (N+2)th
Data register is protected
because data is being read
Not data ready
DRDY because data is not updated
(N+1)th data is skipped
DOR
Data read ST1 DataN ST2 ST1 Data(N+2)
Figure 6.8. Data Skip: When data read has not been finished before the next measurement end
6.4.3.6. End Operation
Set Power-down mode (MODE[4:0]=“00000”) to end Continuous measurement mode.
AsahiKASEI
m
\/\
\ /\
x /\
m
m
[AK09911]
MS1526-E-01 2014/7
- 19 -
6.4.3.7. Magnetic Sensor Overflow
AK09911 has the limitation for measurement range that the sum of absolute values of each axis should be smaller than 4912
μT. |X|+|Y|+|Z| < 4912 μT
When the magnetic field exceeded this limitation, data stored at measurement data are not correct. This is called Magnetic
Sensor Overflow.
When magnetic sensor overlow occurs, HOFL bit turns to “1”. When the next measurement starts, it returns to “0”.
6.4.4. Self-test Mode
Self-test mode is used to check if the magnetic sensor is working normally.
When Self-test mode (MODE[4:0]=“10000”) is set, magnetic field is generated by the internal magnetic source and
magnetic sensor is measured. Measurement data is stored to measurement data registers (HXL to HZH), then AK09911
transits to Power-down mode automatically.
Data read sequence and functions of read-only registers in Self-test mode is the same as Single measurement mode.
6.4.4.1. Self-test Sequence
(1) Set Power-down mode. (MODE[4:0]=“00000”)
(2) Set Self-test mode. (MODE[4:0]=“10000”)
(3) Check Data Ready or not by polling DRDY bit of ST1 register
When Data Ready, proceed to the next step.
(4) Read measurement data (HXL to HZH)
6.4.4.2. Self-test Judgment
When measurement data read by the above sequence is in the range of following table after sensitivity adjustment (refer to
8.3.11), AK09911 is working normally.
HX[15:0]
HY[15:0]
HZ[15:0]
Criteria
-30 ≤ HX ≤ +30
-30 ≤ HY ≤ +30
-400 ≤ HZ ≤ -50
6.4.5. Fuse ROM Access Mode
Fuse ROM access mode is used to read Fuse ROM data. Sensitivity adjustment data for each axis is stored in fuse ROM.
Set Fuse ROM Access mode (MODE[4:0]=“11111”) before reading Fuse ROM data. When Fuse ROM Access mode is set,
circuits required for reading fuse ROM are turned on.
After reading fuse ROM data, set Power-down mode (MODE[4:0]=“00000”) before the transition to another mode.
AsahiKASEI
[AK09911]
MS1526-E-01 2014/7
- 20 -
7. Serial Interface
The I2C bus interface of AK09911 supports the Standard mode (100 kHz max.), the Fast mode (400 kHz max.) and the
High-speed mode (Hs-mode, 2.5 MHz max.).
7.1. Data Transfer
To access AK09911 on the bus, generate a start condition first.
Next, transmit a one-byte slave address including a device address. At this time, AK09911 compares the slave address with
its own address. If these addresses match, AK09911 generates an acknowledgement, and then executes READ or WRITE
instruction. At the end of instruction execution, generate a stop condition.
7.1.1. Change of Data
A change of data on the SDA line must be made during “Low” period of the clock on the SCL line. When the clock signal
on the SCL line is “High”, the state of the SDA line must be stable. (Data on the SDA line can be changed only when the
clock signal on the SCL line is “Low”.)
During the SCL line is “High”, the state of data on the SDA line is changed only when a start condition or a stop condition
is generated.
SCL
SDA
DATA LINE
STABLE :
DATA VALID
CHANGE
OF DATA
ALLOWED
Figure 7.1. Data Change
7.1.2. Start/Stop Condition
If the SDA line is driven to “Low” from “High” when the SCL line is “High”, a start condition is generated. Every
instruction starts with a start condition.
If the SDA line is driven to “High” from “Low” when the SCL line is “High”, a stop condition is generated. Every
instruction stops with a stop condition.
SCL
SDA
STOP CONDITION
START CONDITION
Figure 7.2. Start and Stop Condition
AsahiKASEI
[AK09911]
MS1526-E-01 2014/7
- 21 -
7.1.3. Acknowledge
The IC that is transmitting data releases the SDA line (in the “High” state) after sending 1-byte data.
The IC that receives the data drives the SDA line to “Low” on the next clock pulse. This operation is referred as
acknowledge. With this operation, whether data has been transferred successfully can be checked.
AK09911 generates an acknowledge after reception of a start condition and slave address.
When a WRITE instruction is executed, AK09911 generates an acknowledge after every byte is received.
When a READ instruction is executed, AK09911 generates an acknowledge then transfers the data stored at the specified
address. Next, AK09911 releases the SDA line then monitors the SDA line. If a master IC generates an acknowledge
instead of a stop condition, AK09911 transmits the 8bit data stored at the next address. If no acknowledge is generated,
AK09911 stops data transmission.
SCL FROM
MASTER
acknowledge
DATA
OUTPUT BY
TRANSMITTER
DATA
OUTPUT BY
RECEIVER
1
9
8
START
CONDITION
Clock pulse
for acknowledge
not acknowledge
Figure 7.3. Generation of Acknowledge
7.1.4. Slave Address
The slave address of AK09911 can be selected from the following list by setting CAD pin. When CAD pin is fixed to VSS,
the corresponding slave address bit is “0“. When CAD pin is fixed to VDD, the corresponding slave address bit is “1“.
Table 7.1. Slave Address and CAD pin
CAD
Slave Address
0
0CH
1
0DH
MSB LSB
0 0 0 1 1 0 CAD R/W
Figure 7.4. Slave Address
The first byte including a slave address is transmitted after a start condition, and an IC to be accessed is selected from the
ICs on the bus according to the slave address.
When a slave address is transferred, the IC whose device address matches the transferred slave address generates an
acknowledge then executes an instruction. The 8th bit (least significant bit) of the first byte is a R/W bit.
When the R/W bit is set to “1“, READ instruction is executed. When the R/W bit is set to “0“, WRITE instruction is
executed.
AsahiKASEI
[AK09911]
MS1526-E-01 2014/7
- 22 -
7.2. WRITE Instruction
When the R/W bit is set to “0”, AK09911 performs write operation.
In write operation, AK09911 generates an acknowledge after receiving a start condition and the first byte (slave address)
then receives the second byte. The second byte is used to specify the address of an internal control register and is based on
the MSB-first configuration.
MSB LSB
A7 A6 A5 A4 A3 A2 A1 A0
Figure 7.5. Register Address
After receiving the second byte (register address), AK09911 generates an acknowledge then receives the third byte.
The third and the following bytes represent control data. Control data consists of 8 bits and is based on the MSB-first
configuration. AK09911 generates an acknowledge after every byte is received. Data transfer always stops with a stop
condition generated by the master.
MSB LSB
D7 D6 D5 D4 D3 D2 D1 D0
Figure 7.6. Control Data
AK09911 can write multiple bytes of data at a time.
After reception of the third byte (control data), AK09911 generates an acknowledge then receives the next data. If
additional data is received instead of a stop condition after receiving one byte of data, the address counter inside the LSI
chip is automatically incremented and the data is written at the next address.
The address is incremented from 00H to 18H, from 30H to 32H, or from 60H to 62H. When the address is 00H to 18H, the
address is incremented 00H 01H 02H 03H 10H 11H ... 18H,and the address goes back to 00H after
18H. When the address is 30H to 32H, the address goes back to 30H after 32H. When the address is 60H to 62H, the
address goes back to 60H after 62H.
Actual data is written only to Read/Write registers (refer to Table 8.2. ).
SDA
S
T
A
R
T
A
C
K
A
C
K
S
Slave
Address
A
C
K
Register
Address(n)
Data(n)
P
S
T
O
P
Data(n+x)
A
C
K
Data(n+1)
A
C
K
A
C
K
R/W="0"
Figure 7.7. WRITE Instruction
AsahiKASEI
[AK09911]
MS1526-E-01 2014/7
- 23 -
7.3. READ Instruction
When the R/W bit is set to “1”, AK09911 performs read operation.
If a master IC generates an acknowledge instead of a stop condition after AK09911 transfers the data at a specified address,
the data at the next address can be read.
Address can be 00H to 18H, 30H to 32H, and 60H to 62H. When the address is 00H to 18H, the address is incremented 00H
01H 02H 03H 10H 11H ... 18H,and the address goes back to 00H after 18H. When the address is 30H
to 32H, the address goes back to 30H after 32H. When the address is 60H to 62H, the address goes back to 60H after 62H.
AK09911 supports one byte read and multiple byte read.
7.3.1. One Byte READ
AK09911 has an address counter inside the LSI chip. In current address read operation, the data at an address specified by
this counter is read.
The internal address counter holds the next address of the most recently accessed address.
For example, if the address most recently accessed (for READ instruction) is address “n”, and a current address read
operation is attempted, the data at address “n+1” is read.
In one byte read operation, AK09911 generates an acknowledge after receiving a slave address for the READ instruction
(R/W bit=“1”). Next, AK09911 transfers the data specified by the internal address counter starting with the next clock pulse,
then increments the internal counter by one. If the master IC generates a stop condition instead of an acknowledge after
AK09911 transmits one byte of data, the read operation stops.
SDA
S
T
A
R
T
A
C
K
A
C
K
S
Slave
Address
A
C
K
Data(n)
Data(n+1)
P
S
T
O
P
Data(n+x)
A
C
K
Data(n+2)
A
C
K
R/W="1"
Figure 7.8. One Byte READ
7.3.2. Multiple Byte READ
By multiple byte read operation, data at an arbitrary address can be read.
The multiple byte read operation requires to execute WRITE instruction as dummy before a slave address for the READ
instruction (R/W bit=“1”) is transmitted. In random read operation, a start condition is first generated then a slave address
for the WRITE instruction (R/W bit=“0”) and a read address are transmitted sequentially.
After AK09911 generates an acknowledge in response to this address transmission, a start condition and a slave address for
the READ instruction (R/W bit=“1”) are generated again. AK09911 generates an acknowledge in response to this slave
address transmission. Next, AK09911 transfers the data at the specified address then increments the internal address counter
by one. If the master IC generates a stop condition instead of an acknowledge after data is transferred, the read operation
stops.
SDA
S
T
A
R
T
A
C
K
A
C
K
S
Slave
Address
A
C
K
Register
Address(n)
Data(n)
P
S
T
O
P
Data(n+x)
A
C
K
Data(n+1)
A
C
K
R/W="0"
S
T
A
R
T
A
C
K
S
Slave
Address
R/W="1"
Figure 7.9. Multiple Byte READ
AsahiKASEI
FIE-nun: "mmnevllmbrsclflzwafl 95mm]:
/ /ms'lERconE’1i sfmva'mnfmw] Al mu |uir¢
wmmm, , , , , .
|_ Hsmode
Innsifnn cumurm
"slam-21m)
MW
[AK09911]
MS1526-E-01 2014/7
- 24 -
7.4. High-speed Mode (Hs-mode)
AK09911 supports the Hs-mode.
Hs-mode can only commence after the following conditions (all of which are in Fast/Standard-mode):
START condition (S)
8-bit master code (00001XXX)
not-acknowledge bit (Ā)
The diagram below shows data flow of the Hs-mode.
After start condition, feed master code 00001XXX for transfer to the Hs-mode. And then AK09911 feeds back
not-acknowledge bit and swich over to circuit for the Hs-mode between times t1 and tH. AK09911 can communicate at the
Hs-mode from next START condition. At time tFS, AK09911 switchs its internal circuit from the Hs-mode to the First
mode with the STOP condition (P). This transfer completes in the bus free time (tBUF).
Figure 7.10. Data transfer format in Hs-mode
Figure 7.11. Hs-mode transfer
AsahiKASEI
[AK09911]
MS1526-E-01 2014/7
- 25 -
8. Registers
8.1. Description of Registers
AK09911 has registers of 20 addresses as indicated in Every address consists of 8 bits data. Data is transferred to or
received from the external CPU via the serial interface described previously.
Table 8.1. Register Table
Name Address
READ/
WRITE
Description
Bit
width
Remarks
WIA1
00H
READ
Campany ID
8
WIA2
01H
READ
Device ID
8
INFO1
02H
READ
Information 1
8
INFO2
03H
READ
Information 2
8
ST1
10H
READ
Status 1
8
Data status
HXL
11H
READ
Measurement Magnetic Data
8
X-axis data
HXH
12H
READ
8
HYL
13H
READ
8
Y-axis data
HYH
14H
READ
8
HZL
15H
READ
8
Z-axis data
HZH
16H
READ
8
TMPS
17H
READ
Dummy Register
8
Dummy
ST2
18H
READ
Status 2
8
Data status
CNTL1
30H
READ/
WRITE
Dummy Register
8
Dummy
CNTL2
31H
READ/
WRITE
Control 2
8
Control settings
CNTL3
32H
READ/
WRITE
Control 3
8
Control settings
TS1
33H
READ/
WRITE
Test
8
DO NOT ACCESS
ASAX
60H
READ
X-axis sensitivity adjustment value
8
Fuse ROM
ASAY
61H
READ
Y-axis sensitivity adjustment value
8
Fuse ROM
ASAZ
62H
READ
Z-axis sensitivity adjustment value
8
Fuse ROM
Addresses 00H to 18H, 30H to 32H and 60H to 62H are compliant with automatic increment function of serial interface
respectively. Values of addresses 60H to 62H can be read only in Fuse ROM access mode. In other modes, read data is not
correct. When the address is in 00H to 18H, the address is incremented 00H 01H 02H 03H 10H 11H ...
18H, and the address goes back to 00H after 18H. When the address is in 30H to 32H, the address goes back to 30H after
32H. When the address is in 60H to 62H, the address goes back to 60H after 62H.
AsahiKASEI
[AK09911]
MS1526-E-01 2014/7
- 26 -
8.2. Register Map
Table 8.2. Register Map
Addr.
Register
name
D7 D6 D5 D4 D3 D2 D1 D0
Read-only register
00H
WIA1
0
1
0
0
1
0
0
0
01H
WIA2
0
0
0
0
0
1
0
1
02H
INFO1
INFO17
INFO16
INFO15
INFO14
INFO13
INFO12
INFO11
INFO10
03H
INFO2
INFO27
INFO26
INFO25
INFO24
INFO23
INFO22
INFO21
INFO20
10H
ST1
HSM
0
0
0
0
0
DOR
DRDY
11H
HXL
HX7
HX6
HX5
HX4
HX3
HX2
HX1
HX0
12H
HXH
HX15
HX14
HX13
HX12
HX11
HX10
HX9
HX8
13H
HYL
HY7
HY6
HY5
HY4
HY3
HY2
HY1
HY0
14H
HYH
HY15
HY14
HY13
HY12
HY11
HY10
HY9
HY8
15H
HZL
HZ7
HZ6
HZ5
HZ4
HZ3
HZ2
HZ1
HZ0
16H
HZH
HZ15
HZ14
HZ13
HZ12
HZ11
HZ10
HZ9
HZ8
17H
TMPS
0
0
0
0
0
0
0
0
18H
ST2
0
0
0
0
HOFL
0
0
0
Read/Wright register
30H
CNTL1
0
0
0
0
0
0
0
0
31H
CNTL2
0
0
0
MODE4
MODE3
MODE2
MODE1
MODE0
32H
CNTL3
0
0
0
0
0
0
0
SRST
33H
TS1
-
-
-
-
-
-
-
-
Read-only register
60H
ASAX
COEFX7
COEFX6
COEFX5
COEFX4
COEFX3
COEFX2
COEFX1
COEFX0
61H
ASAY
COEFY7
COEFY6
COEFY5
COEFY4
COEFY3
COEFY2
COEFY1
COEFY0
62H
ASAZ
COEFZ7
COEFZ6
COEFZ5
COEFZ4
COEFZ3
COEFZ2
COEFZ1
COEFZ0
When VDD is turned ON, POR function works and all registers of AK09911 are initialized regardless of VID status. To
write data to or to read data from register, VID must be ON.
TS1 is test registers for shipment test. Do not use these registers.
AsahiKASEI
[AK09911]
MS1526-E-01 2014/7
- 27 -
8.3. Detailed of Description of Register
8.3.1. WIA: Who I Am
Addr
Register
name
D7 D6 D5 D4 D3 D2 D1 D0
Read-only register
00H
WIA1
0
1
0
0
1
0
0
0
01H
WIA2
0
0
0
0
0
1
0
1
WIA1[7:0]: Company ID of AKM. It is described in one byte and fixed value.
48H: fixed
WIA2[7:0]: Device ID of AK09911. It is described in one byte and fixed value.
05H: fixed
8.3.2. INFO: Information
Addr
Register
name
D7 D6 D5 D4 D3 D2 D1 D0
Read-only register
02H
INFO1
INFO17
INFO16
INFO15
INFO14
INFO13
INFO12
INFO11
INFO10
03H
INFO2
INFO27
INFO26
INFO25
INFO24
INFO23
INFO22
INFO21
INFO20
INFO1[7:0]/INFO2[7:0]: Device information of AKM.
8.3.3. ST1: Status 1
Addr
Register
name
D7 D6 D5 D4 D3 D2 D1 D0
Read-only register
10H
ST1
HSM
0
0
0
0
0
DOR
DRDY
Reset
0
0
0
0
0
0
0
0
DRDY: Data Ready
“0“: Normal
“1“: Data is ready
DRDY bit turns to “1” when data is ready in Single measurement mode, Continuous measurement mode 1, 2, 3, 4 or
Self-test mode. It returns to “0” when any one of ST2 register or measurement data register (HXL to TMPS) is read.
DOR: Data Overrun
“0”: Normal
“1”: Data overrun
DOR bit turns to “1” when data has been skipped in Continuous measurement mode 1, 2, 3, 4. It returns to “0” when any
one of ST2 register or measurement data register (HXL to TMPS) is read.
HSM: I2C Hs-mode
“0”: Standard/Fast mode
“1”: Hs-mode
HSM bit turns to “1” when I2C bus interface is changed from Standard or Fast mode to High-speed mode (Hs-mode).
AsahiKASEI
[AK09911]
MS1526-E-01 2014/7
- 28 -
8.3.4. HXL to HZH: Measurement data
Addr
Register
name
D7 D6 D5 D4 D3 D2 D1 D0
Read-only register
11H
HXL
HX7
HX6
HX5
HX4
HX3
HX2
HX1
HX0
12H
HXH
HX15
HX14
HX13
HX12
HX11
HX10
HX9
HX8
13H
HYL
HY7
HY6
HY5
HY4
HY3
HY2
HY1
HY0
14H
HYH
HY15
HY14
HY13
HY12
HY11
HY10
HY9
HY8
15H
HZL
HZ7
HZ6
HZ5
HZ4
HZ3
HZ2
HZ1
HZ0
16H
HZH
HZ15
HZ14
HZ13
HZ12
HZ11
HZ10
HZ9
HZ8
Reset
0
0
0
0
0
0
0
0
Measurement data of magnetic sensor X-axis/Y-axis/Z-axis
HXL[7:0]: X-axis measurement data lower 8-bit
HXH[15:8]: X-axis measurement data higher 8-bit
HYL[7:0]: Y-axis measurement data lower 8-bit
HYH[15:8]: Y-axis measurement data higher 8-bit
HZL[7:0]: Z-axis measurement data lower 8-bit
HZH[15:8]: Z-axis measurement data higher 8-bit
Measurement data is stored in two’s complement and Little Endian format. Measurement range of each axis is -8190 to
8190.
Table 8.3. Measurement magnetic data format
Measurement data (each axis) [15:0]
Magnetic flux
density [µT]
Two’s complement
Hex
Decimal
0001 1111 1111 1110
1FFE
8190
4912(max.)
|
|
|
|
0000 0000 0000 0001
0001
1
0.6
0000 0000 0000 0000
0000
0
0
1111 1111 1111 1111
FFFF
-1
-0.6
|
|
|
|
1110 0000 0000 0010
E002
-8190
-4912(min.)
8.3.5. TMPS: Dummy Register
Addr
Register
name
D7 D6 D5 D4 D3 D2 D1 D0
Read-only register
17H
TMPS
0
0
0
0
0
0
0
0
Reset
0
0
0
0
0
0
0
0
Dummy register.
AsahiKASEI
[AK09911]
MS1526-E-01 2014/7
- 29 -
8.3.6. ST2: Status 2
Addr
Register
name
D7 D6 D5 D4 D3 D2 D1 D0
Read-only register
18H
ST2
0
0
0
0
HOFL
0
0
0
Reset
0
0
0
0
0
0
0
0
HOFL: Magnetic sensor overflow
“0”: Normal
“1”: Magnetic sensor overflow occurred
In Single measurement mode, Continuous measurement mode 1, 2, 3, 4, and Self-test mode, magnetic sensor may overflow
even though measurement data regiseter is not saturated. In this case, measurement data is not correct and HOFL bit turns to
“1”. When next measurement stars, it returns to “0”. Refer to 6.4.3.6 for detailed information.
ST2 register has a role as data reading end register, also. When any of measurement data register (HXL to TMPS) is read in
Continuous measurement mode 1, 2, 3, 4, it means data reading start and taken as data reading until ST2 register is read.
Therefore, when any of measurement data is read, be sure to read ST2 register at the end.
8.3.7. CNTL1: Dummy Register
Addr
Register
name
D7 D6 D5 D4 D3 D2 D1 D0
Read/Write register
30H
CNTL1
0
0
0
0
0
0
0
0
Reset
0
0
0
0
0
0
0
0
Dummy register.
8.3.8. CNTL2: Control 2
Addr
Register
name
D7 D6 D5 D4 D3 D2 D1 D0
Read/Write register
31H
CNTL2
0
0
0
MODE4
MODE3
MODE2
MODE1
MODE0
Reset
0
0
0
0
0
0
0
0
MODE[4:0]: Operation mode setting
“00000”: Power-down mode
“00001”: Single measurement mode
“00010”: Continuous measurement mode 1
“00100”: Continuous measurement mode 2
“00110”: Continuous measurement mode 3
“01000”: Continuous measurement mode 4
“10000”: Self-test mode
“11111”: Fuse ROM access mode
Other code settings are prohibited
.
When each mode is set, AK09911 transits to the set mode. Refer to 6.3 for detailed information.
AsahiKASEI
[AK09911]
MS1526-E-01 2014/7
- 30 -
8.3.9. CNTL3: Control 3
Addr
Register
name
D7 D6 D5 D4 D3 D2 D1 D0
Read/Write register
32H
CNTL3
0
0
0
0
0
0
0
SRST
Reset
0
0
0
0
0
0
0
0
SRST: Soft reset
“0”: Normal
“1”: Reset
When “1” is set, all registers are initialized. After reset, SRST bit turns to “0” automatically.
8.3.10. TS1: Test
Addr
Register
name
D7 D6 D5 D4 D3 D2 D1 D0
Read/Write register
33H
TS1
-
-
-
-
-
-
-
-
Reset
0
0
0
0
0
0
0
0
TS1 register is AKM internal test register. Do not use this register.
8.3.11. ASAX, ASAY, ASAZ: Sensitivity Adjustment Values
Addr
Register
name
D7 D6 D5 D4 D3 D2 D1 D0
Read-only register
60H
ASAX
COEFX7
COEFX6
COEFX5
COEFX4
COEFX3
COEFX2
COEFX1
COEFX0
61H
ASAY
COEFY7
COEFY6
COEFY5
COEFY4
COEFY3
COEFY2
COEFY1
COEFY0
62H
ASAZ
COEFZ7
COEFZ6
COEFZ5
COEFZ4
COEFZ3
COEFZ2
COEFZ1
COEFZ0
Reset
-
-
-
-
-
-
-
-
Sensitivity adjustment data for each axis is stored to fuse ROM on shipment.
ASAX[7:0]: Magnetic sensor X-axis sensitivity adjustment value
ASAY[7:0]: Magnetic sensor Y-axis sensitivity adjustment value
ASAZ[7:0]: Magnetic sensor Z-axis sensitivity adjustment value
How to adjust sensitivity
The sensitivity adjustment is done by the equation below,
+×= 1
128
ASA
HHadj
where H is the measurement data read out from the measurement data register, ASA is the sensitivity adjustment
value, and Hadj is the adjusted measurement data.
AsahiKASEI
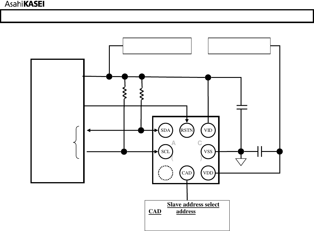
Slave address select
CA1) address
[AK09911]
MS1526-E-01 2014/7
- 31 -
9. Example of Recommended External Connection
Pins of dot circle should be kept non-connected.
C
B
A
AK09911C
(Top view)
Host CPU
I2C I/F
Power for I/F
VID
POWER 1.65V to Vdd
VDD
POWER 2.4V to 3.6V
0.1µF
0.1µF
TST
CAD
RSTN
Slave address select
CAD address
VSS 0 0 0 1 1 0 0 R/W
VDD 0 0 0 1 1 0 1 R/W
GPIO
3 2
1
VDD
VSS
VID
SDA
SCL
AsahiKASEI
9911
[AK09911]
MS1526-E-01 2014/7
- 32 -
10. Package
10.1. Marking
Date code: X1X2X3X4X5
X1 = ID
X2 = Year code
X3X4 = Week code
X5 = Lot
Product name: 9911
10.2. Pin Assignment
3
2
1
C
SDA
RSTN
VID
B
SCL
VSS
A TST CAD VDD
<Top view>
9911
X
1
X
2
X
3
X
4
X
5
<Top view>
AsahiKASEI
\‘—’
j 74) Q G $
[04}?
‘ C) o
[AK09911]
MS1526-E-01 2014/7
- 33 -
10.3. Outline Dimensions
[mm]
10.4. Recommended Foot Print Pattern
[mm]
0.05 C
0.57 max.
C
0.40
0.13
0.4
0.8
0.8
0.4
0.24±0.03
3 2 1
1.19±0.03
1.19±0.03
C
B
A
1 2 3
0.4
0.4
0.23
3 2 1
C
B
A
AsahiKASEI
[AK09911]
MS1526-E-01 2014/7
- 34 -
11. Relationsip between the Magnetic Field and Output Code
The measurement data increases as the magnetic flux density increases in the arrow directions.
AsahiKASEI
[AK09911]
MS1526-E-01 2014/7
- 35 -
Important Notice
0. Asahi Kasei Microdevices Corporation (“AKM”) reserves the right to make changes to the information contained in this
document without notice. When you consider any use or application of AKM product stipulated in this document
(“Product”), please make inquiries the sales office of AKM or authorized distributors as to current status of the Products.
1. All information included in this document are provided only to illustrate the operation and application examples of AKM
Products. AKM neither makes warranties or representations with respect to the accuracy or completeness of the
information contained in this document nor grants any license to any intellectual property rights or any other rights of
AKM or any third party with respect to the information in this document. You are fully responsible for use of such
information contained in this document in your product design or applications. AKM ASSUMES NO LIABILITY FOR
ANY LOSSES INCURRED BY YOU OR THIRD PARTIES ARISING FROM THE USE OF SUCH INFORMATION
IN YOUR PRODUCT DESIGN OR APPLICATIONS.
2. The Product is neither intended nor warranted for use in equipment or systems that require extraordinarily high levels of
quality and/or reliability and/or a malfunction or failure of which may cause loss of human life, bodily injury, serious
property damage or serious public impact, including but not limited to, equipment used in nuclear facilities, equipment
used in the aerospace industry, medical equipment, equipment used for automobiles, trains, ships and other transportation,
traffic signaling equipment, equipment used to c
ontrol combustions or explosions, safety devices, elevators and
escalators, devices related to electric power, and equipment used in finance-related fields. Do not use Product for the
above use unless specifically agreed by AKM in writing.
3. Though AKM works continually to improve the Product’s quality and reliability, you are responsible for complying with
safety standards and for providing adequate designs and safeguards for your hardware, software and systems which
minimize risk and avoid situations in which a malfunction or failure of the Product could cause loss of human life, bodily
injury or damage to property, including data loss or corruption.
4. Do not use or otherwise make available the Product or related technology or any information contained in this document
for any military purposes, including without
limitation, for the design, development, use, stockpiling or manufacturing of
nuclear, chemical, or biological weapons or missile technology products (mass destruction weapons). When exporting the
Products or related technology or any information contained in this document, you should comply with the applicable
export control laws and regulations and follow the procedures required by such laws and regulations. The Products and
related technology m
ay not be used for or incorporated into any products or systems whose manufacture, use, or sale is
prohibited under any applicable domestic or foreign laws or regulations.
5. Please contact AKM sales representative for details as to environmental matters such as the RoHS compatibility of the
Product. Please use the Product in compliance with all applicable laws and regulations that regulate the inclusion or use
of controlled substances, including without limitation, the EU RoHS Directive. AKM assumes no liability for damages or
losses occurring as a result of noncompliance with applicable laws and regulations.
6. Resale of the Product with provisions different from the statement and/or technical features set forth in this document
shall immediately void any warranty granted by AKM for the Product and shall not create or extend in any manner
whatsoever, any liability of AKM.
7.
This document may not be reproduced or duplicated, in any form, in whole or in part, without prior written consent of
AKM.
