MIC2505, MIC2506 Datasheet by Microchip Technology
View All Related Products | Download PDF Datasheet
‘ Mlcgcmp M|C2505/6
2016 Microchip Technology Inc. DS20005579A-page 1
MIC2505/6
Features
• Low MOSFET On-Resistance to 3.0V
-30mΩ Typical at 5V (MIC2505 Series)
-35mΩ Typical at 3.3V (MIC2505 Series)
-75mΩ Typical at 5V (Each MIC2506 Output)
-80mΩ Typical at 3.3V (Each MIC2506 Out-
put)
• 3.0V to 7.5V Input
• 110 µA Typical On-State Supply Current
• 1 µA Typical Off-State Supply Current
• Output Can be Forced Higher than Input
(Off-State)
• Current-Limit
• Thermal Shutdown
• 2.5V Undervoltage Lockout (UVLO)
• Open-Load Detection (MIC2505YN/M and
MIC2506YN/M Only)
• Open-Drain Fault Flag
• 5 ms (Slow) Turn-On and Fast Turn-Off
• Logic-Level Control/Enable Input
Applications
• USB Power Distribution
• 3.3V and 5V Power Management
• PC Card Inrush Limiting Switch
• Hot Plug-In Power Supplies
• Battery Charger Circuits
General Description
The MIC2505, MIC2505-1, MIC2505-2, and MIC2506
are single and dual integrated high-side power
switches that consist of TTL-compatible control/enable
inputs, a charge pump, and protected N-channel
MOSFETs. The MIC2505/6 family can be used instead
of separate high-side drivers and MOSFETs in many
low-voltage applications.
The MIC2505/6 family controls voltages ranging from
3.0V to 7.5V. The MIC2505-series can deliver at least
2A continuous current while the MIC2506 can deliver at
least 1A continuous current from each output. A slow
turn-on feature prevents high inrush current when
switching capacitive loads. The internal control circuitry
is powered from the same 3.0V to 7.5V. Within the
device’s input range, outputs can be forced higher than
the input voltage when disabled.
Multipurpose open-drain fault flag outputs indicate
overcurrent limiting, open-load detection (except
MIC2505-1 and -2 versions), thermal shutdown, or
undervoltage lockout for each channel.
Overcurrent limiting is internally fixed and requires no
external components.
Open-load detection is active when the switch is off.
When off, a normal load pulls the output pin low. If the
load is open, an optional, external, high-value resistor
pulls the output pin high, triggering the fault flag.
MIC2505-1 and -2 versions are tailored to Universal
Serial Bus (USB) applications and do not include
open-load detection.
Thermal shutdown turns off the output if the die
temperature exceeds approximately 135°C. If enabled,
the switch automatically restarts when the temperature
falls 10°C.
Undervoltage lockout (UVLO) shuts off the output if the
supply drops below 2.3V typical and re-enables the
output when the supply exceeds 2.5V typical.
Single 2A/Dual 1A High-Side Switches
_l__l__l__l_
EEC—L
_l__l__l__l_
_|__|__|__|_
MIC2505/6
DS20005579A-page 2 2016 Microchip Technology Inc.
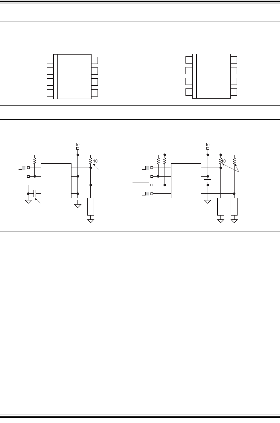
Package Types
Typical Application Schematics
MIC2505/-1/-2
8-Pin SOIC (M)
(Top View)
MIC2506
8-Pin SOIC (M)
(Top View)
1
2
3
4
8
7
6
5
OUT
IN
OUT
IN
CTL
FLG
GND
GATE
MIC2505/-1/-2
1
2
3
4
8
7
6
5
OUT A
IN
GND
OUT B
CTL A
FLG A
FLG B
CTL B
MIC2506
Single and Dual Switch/Circuit Breakers with Open-Load Detection and Fault Output
ON
OFF
MIC2505YM
Load
CTL OUT
FLG
GND OUT
GATE IN
Optional
Output Delay
Capacitor
100Nȍ
INFAULT
3.0V to 7.5V
Pull-up
Resistor
Nȍ
81
72
63
54
Optional
Open Load
Detect Resistor
(MIC2505YN or
MIC2505YM
onl\
0.1μF
Load A
A ON
A OFF
MIC2506YM
CTL A OUT A
FLG A
FLG B GND
CTL B OUT B
INFAULT A
3.0V to 7.5V
Pull-up
Resistors
NȍHDFK
81
72
63
54
Optional
Open Load
DeteFWResistors
0.1μF
Load B
Nȍ
B ON
B OFF
FAULT B
Nȍ
2016 Microchip Technology Inc. DS20005579A-page 3
MIC2505/6
Functional Block Diagrams
MIC2505 Series Block Diagram
MIC2506 Block Diagram
1.2V
REFERENCE
THERMAL
SHUTDOWN
OSC.
CHARGE
PUMP
OUT
UVLO
GATE
CONTROL
IN
OPEN LOAD
DETECT
FLG
CTL
CURRENT
LIMIT
GATEGND
Not Included in
MIC2505-1, -2
MIC2505/2505-1/2505-2
1.2V
REFERENCE
THERMAL
SHUTDOWN
CHARGE
PUMP
OUT B
UVLO
GATE
CONTROL
IN
OPEN LOAD
DETECT
CTL A
GATE
CONTROL
OUT A
OPEN LOAD
DETECT
FLG B
CHARGE
PUMP
CTL B
OSC.
FLG A
CURRENT
LIMIT
CURRENT
LIMIT
GND
MIC2506

MIC2505/6
DS20005579A-page 4 2016 Microchip Technology Inc.
1.0 ELECTRICAL CHARACTERISTICS
Absolute Maximum Ratings †
Supply Voltage (VIN).................................................................................................................................................+8.0V
Fault Flag Voltage (VFLG) .........................................................................................................................................+7.5V
Fault Flag Current (IFLG) .........................................................................................................................................50 mA
Output Voltage (VOUT)................................................................................................................................................7.5V
Output Current (IOUT) .............................................................................................................................Internally Limited
Gate Voltage (VGATE) ........................................................................................................................................ VIN + 15V
Control Input (VCTL) ................................................................................................................................... –0.3V to +15V
Operating Ratings ‡
Supply Voltage (VIN).................................................................................................................................. +3.0V to +7.5V
† Notice: Stresses above those listed under “Absolute Maximum Ratings” may cause permanent damage to the device.
This is a stress rating only and functional operation of the device at those or any other conditions above those indicated
in the operational sections of this specification is not intended. Exposure to maximum rating conditions for extended
periods may affect device reliability.
‡ Notice: The device is not guaranteed to function outside its operating ratings.
VCTL
CTL
CGATE
CGATE
2016 Microchip Technology Inc. DS20005579A-page 5
MIC2505/6
TABLE 1-1: ELECTRICAL CHARACTERISTICS
Electrical Characteristics: VIN = +5V, GATE = open, TA = 25°C, bold values are valid for –40°C ≤ TA ≤ +85°C,
unless noted. (Note 1).
Parameters Sym. Min. Typ. Max. Units Conditions
Supply Current IDD —0.75 5µA MIC2505-1, MIC2506, VCTL =
logic 0, OUT = open.
—110160 µA MIC2505-1, MIC2506, VCTL =
logic 1, OUT = open.
—110160 µA MIC2505-2, VCTL = logic 0,
OUT = open.
—0.75 5µA MIC2505-2, VCTL = logic 1,
OUT = open.
Control Input Voltage VCTL —2.12.4 V V
CTL = logic 0 to logic 1
transition
0.8 1.9 — V VCTL = logic 1 to logic 0
transition
Control Input Current ICTL —0.01 1µA VCTL = logic 0
—0.01 1µA VCTL = logic 1
Control Input Capacitance CCTL —1—pF —
Output MOSFET Resistance RDS(ON) —3050mΩMIC2505 Series, VIN = 5V,
TA = 25°C.
——60 mΩMIC2505 Series, VIN = 5V,
–40°C < TA < +85°C.
—3560mΩMIC2505 Series, VIN = 3.3V,
TA = 25°C.
——75 mΩMIC2505 Series, VIN = 3.3V,
–40°C < TA < +85°C.
—75125mΩMIC2506, VIN = 5V,
TA = 25°C.
——150 mΩMIC2506, VIN = 5V,
–40°C < TA < +85°C.
—80135mΩMIC2506, VIN = 3.3V,
TA = 25°C.
——165 mΩMIC2506, VIN = 3.3V,
–40°C < TA < +85°C.
Output Turn-On Delay tON 200 850 2000 µs MIC2505 Series, RL = 10Ω,
CGATE = 0.
100 700 2000 µs MIC2506, RL = 10Ω each
output.
Output Turn-On Rise Time tR500 3000 7500 µs MIC2505 Series, RL = 10Ω,
CGATE = 0.
200 2000 6000 µs MIC2506, RL = 10Ω each
output.
Note 1: Devices are ESD protected; however, handling precautions recommended. All limits guaranteed by testing
or statistical analysis.
2: MIC2505-1 and -2 versions have no open load detect feature.
3: Open load threshold is the output voltage (VOUT) where FLG becomes active (low) when CTL is low. OUT
is pulled high by a 100 kΩ external resistor to VIN.
CGATE
CGATE
LKG
VCTL
TJ
V‘N L
FLG OFF VFLAG
MIC2505/6
DS20005579A-page 6 2016 Microchip Technology Inc.
Output Turn-Off Delay tOFF —0.720 µs MIC2505 Series, RL = 10Ω,
CGATE = 0.
—0.820 µs MIC2506, RL = 10Ω each
output.
Output Turn-Off Fall Time tF—1.520 µs MIC2505 Series, RL = 10Ω,
CGATE = 0.
—0.720 µs MIC2506, RL = 10Ω each
output.
Output Leakage Current ILKG ——10 µA —
Current Limit Threshold ILIM 24 — A MIC2505 Series
12 3 A MIC2506
Open Load Threshold (Note 2)VOPENL_TH 0.5 11.5 VV
CTL = logic low, Note 3
Overtemperature Shutdown
Threshold
TSD —135— °C T
J increasing
—125— °C T
J decreasing
Error Flag Output Resistance RFLG —1025 ΩVIN = 5V, IL = 10 mA
—1540 ΩVIN = 3.3V, IL = 10 mA
Error Flag Off Current IFLG_OFF —0.01 1µA VFLAG = 5V
UVLO Threshold VUVLO_TH 2.2 2.5 3.0 VV
IN increasing
UVLO Hysteresis VUVLO_TH_
HYST
— 215 — mV MIC2505
— 235 — mV MIC2506
TABLE 1-1: ELECTRICAL CHARACTERISTICS (CONTINUED)
Electrical Characteristics: VIN = +5V, GATE = open, TA = 25°C, bold values are valid for –40°C ≤ TA ≤ +85°C,
unless noted. (Note 1).
Parameters Sym. Min. Typ. Max. Units Conditions
Note 1: Devices are ESD protected; however, handling precautions recommended. All limits guaranteed by testing
or statistical analysis.
2: MIC2505-1 and -2 versions have no open load detect feature.
3: Open load threshold is the output voltage (VOUT) where FLG becomes active (low) when CTL is low. OUT
is pulled high by a 100 kΩ external resistor to VIN.
2016 Microchip Technology Inc. DS20005579A-page 7
MIC2505/6
TEMPERATURE SPECIFICATIONS
Parameters Sym. Min. Typ. Max. Units Conditions
Temperature Ranges
Ambient Operating Temperature TA–40 — +85 °C —
Storage Temperature Range TS–65 — +150 °C —
Lead Temperature — — — +260 °C Soldering, 5s
Package Thermal Resistances
Thermal Resistance, SOIC JA —160 —°C/W—

MIC2505/6
DS20005579A-page 8 2016 Microchip Technology Inc.
2.0 TYPICAL PERFORMANCE CURVES
FIGURE 2-1: MIC2505 Turn-On, Turn-Off
Characteristics.
FIGURE 2-2: Output On Resistance vs.
Supply Voltage.
FIGURE 2-3: Output On Resistance vs.
Temperature.
FIGURE 2-4: MIC2506 Turn-On, Turn-Off
Characteristics.
FIGURE 2-5: UVLO Threshold Voltage vs.
Temperature.
FIGURE 2-6: Error Flag Voltage vs. Error
Flag Current.
Note: The graphs and tables provided following this note are a statistical summary based on a limited number of
samples and are provided for informational purposes only. The performance characteristics listed herein
are not tested or guaranteed. In some graphs or tables, the data presented may be outside the specified
operating range (e.g., outside specified power supply range) and therefore outside the warranted range.
-2 024
TIME (μs)
-5
0
5
10
CONTROL (V)
-2
0
2
4
6
-2 0246
OUTPUT (V)
TIME (ms)
RL = 5Ω
(IL = 1A)
0
20
40
60
80
100
2345678
OUTPUT RESISTANCE (mΩ)
SUPPLY VOLTAGE (V)
MIC2505
MIC2506
0
20
40
60
80
100
-40 -20 0 20 40 60 80 100
ON RESISTANCE (m
Ω
)
TEMPERATURE (°C)
MIC2506
MIC2505
-1 012
TIME (μs)
-5
0
5
10
CONTROL (V)
-2
0
2
4
6
-2 0246
OUTPUT (V)
TIME (ms)
R
L
= 5Ω
(I
L
= 1A)
1.5
2.0
2.5
3.0
-40 -20 0 20 40 60 80 100
THRESHOLD VOLTAGE (V)
TEMPERATURE (°C)
VIN RISING
VIN FALLING
0
100
200
300
400
0.1 1 10 100
ERROR FLAG VOLTAGE (mV)
ERROR FLAG CURRENT (mA)
FLG = ACTIVE
VDD = 3.3V
VDD = 5V
2016 Microchip Technology Inc. DS20005579A-page 9
MIC2505/6
FIGURE 2-7: On-State Supply Current vs.
Supply Voltage.
FIGURE 2-8: Off-State Supply Current vs.
Supply Voltage.
FIGURE 2-9: Control Threshold vs.
Supply Voltage.
FIGURE 2-10: On-State Supply Current vs.
Temperature.
FIGURE 2-11: Off-State Supply Current vs.
Temperature.
FIGURE 2-12: Control Threshold vs.
Temperature.
0
20
40
60
80
100
120
140
160
180
200
2345678
SUPPLY CURRENT (μA)
SUPPLY VOLTAGE (V)
0
0.5
1.0
1.5
2.0
2345678
SUPPLY CURRENT (μA)
SUPPLY VOLTAGE (V)
1.0
1.5
2.0
2.5
2345
THRESHOLD VOLTAGE (V)
SUPPLY VOLTAGE (V)
VCTL RISING
VCTL FALLING
0
20
40
60
80
100
120
140
160
180
200
-40 -20 0 20 40 60 80 100
SUPPLY CURRENT (
μ
A)
TEMPERATURE (°C)
0
0.5
1.0
1.5
2.0
-40 -20 0 20 40 60 80 100
SUPPLY CURRENT (μA)
TEMPERATURE (°C)
1
1.5
2.0
2.5
-40 -20 0 20 40 60 80 100
THRESHOLD VOLTAGE (V)
TEMPERATURE (°C)
V
CTL
RISING
V
CTL
FALLING
‘sv
5v
MIC2505/6
DS20005579A-page 10 2016 Microchip Technology Inc.
FIGURE 2-13: MIC2505 Turn-On Delay
with External Gate Capacitance.
3.0 TEST CIRCUITS
FIGURE 3-1: MIC2505 Series Test Circuit. FIGURE 3-2: MIC2506 Test Circuit.
0
200
400
600
800
1000
0 50 100 150 200
250
TURN-ON DELAY (ms)
CAPACITANCE (nF)
MIC2505/-1/-2
CTL OUT
FLG
GND OUT
GATE IN
IN
+5V
1μF 10Ω
VFLG
10kΩ
MIC2506YM
CTL A OUT A
FLG A
GND
CTL B OUT B
IN
FLG B
B ON
B OFF
A ON
A OFF
+5V
1μF
10Ω
10Ω
10kΩ
VFLG A
VFLG B
10kΩ

2016 Microchip Technology Inc. DS20005579A-page 11
MIC2505/6
4.0 PIN DESCRIPTIONS
The descriptions of the pins are listed in Table 4-1.
TABLE 4-1: PIN FUNCTION TABLE
Pin Number
MIC2505 Series Pin Number
MIC2506 Pin Name Description
1 1, 4 CTL (A/B) Control (Input): TTL-compatible control input. MIC2505,
MIC2505-1, and MIC2506 are active-high. MIC2505-2 is active-low.
2 2, 3 FLG (A/B) Fault Flag (Output): Active-low, open-drain output. If CTL is low,
indicates open load. If CTL is high, indicates current limit, thermal
shutdown, or UVLO.
MIC2505-1 and -2 do not support open-load detect.
3 6 GND Ground: Return.
4 — GATE Output MOSFET Gate: Open for fastest rise time. Connect
capacitor to ground to slow rise time. (See Figure 2-13)
5, 7 7 IN Supply Input: Output MOSFET drain. Also supplies IC’s internal
circuitry. Connect to supply.
MIC2505 series only: Pins 5 and 7 must be externally connected
together.
6, 8 8, 5 OUT (A/B) Switch Output: Output MOSFET source. Typically connect to
switched side of load. Output voltage can be pulled above input
voltage in off mode.
MIC2505 series only: Pins 6 and 8 must be externally connected
together.

MIC2505/6
DS20005579A-page 12 2016 Microchip Technology Inc.
5.0 FUNCTIONAL DESCRIPTION
The MIC2505-series and MIC2506 are high-side
N-Channel switches. The MIC2505, MIC2505-1, and
MIC2506 have active-high enable inputs. The
MIC2505-2 has an active-low input. Fault conditions
inhibit output transistor turn-on or turn-off when
enabled.
5.1 Control Input
CTL (control input) activates the oscillator, thermal
shutdown, UVLO, 1.2V reference, and gate control
circuits. If there are no fault conditions, the output
MOSFET turns on when enabled.
5.2 Reference
A 1.2V bandgap reference supplies a regulated voltage
to the thermal shutdown and undervoltage lockout
circuits. The reference is only active when CTL is
enabled.
5.3 Oscillator/Charge Pump
The oscillator produces an 80 kHz square wave output
that drives the charge pump. The oscillator is enabled
when CTL is active.
The charge pump is a voltage quintupler (5x). The
charge pump capacitors are self contained.
5.4 Gate Control
The gate control circuit charges the output MOSFET
gate from the charge pump output or discharges the
MOSFET gate to ground as determined by CTL,
thermal shutdown, or undervoltage lockout (UVLO).
An optional, external capacitor may be connected to
the MIC2505 GATE to lengthen the rise time. This
slows the turn on of the MOSFET output switch. (See
Figure 2-13) Because this pin connects directly to the
MOSFET gate, use ESD precautions when contacting
components connected to this pin. Leakage resistance
may increase turn on times.
5.5 Input and Output
IN (input) is the supply connection to the logic circuitry
and the drain of the output MOSFET. OUT (output) is
the source of the output MOSFET. In a typical circuit,
current flows through the switch from IN to OUT toward
the load.
The output MOSFET and driver circuitry are also
designed to allow the MOSFET source to be externally
forced to a higher voltage than the drain (VOUT > VIN)
when the output switch is off and VIN > UVLO minimum.
In this situation, the MIC2505/6 avoids undesirable
drain to body diode reverse current flow by grounding
the body when the switch is off. The conventional
method for optimum turn-on threshold has the source
connected to the body. This would allow a large current
to flow when VSOURCE > VDRAIN + 0.6V.
5.5.1 MIC2505 SERIES ONLY
Duplicate IN and OUT leads are not internally
connected. Connect both IN pins to the supply.
Connect both OUT leads to the load.
5.6 Thermal Shutdown
Thermal shutdown shuts off the output MOSFET and
signals the fault flag if the die temperature exceeds
135°C. 10°C of hysteresis prevents the switch from
turning on until the die temperature drops to 125°C.
Overtemperature detection functions only when the
control input is enabled (output MOSFET is on). Both
MIC2506 outputs are shut off during overtemperature,
and both flags will go low.
5.7 Undervoltage Lockout
UVLO (undervoltage lockout) prevents the output
MOSFET from turning on until VIN (input voltage)
exceeds 2.5V typical. After the switch turns on, if VIN
drops below 2.3V typical, UVLO shuts off the output
MOSFET and turns the fault flag on (active-low) until
VIN drops below 1.5V.
Undervoltage detection functions only when the control
input is enabled (output MOSFET is on).
5.8 Overcurrent Limit
The overcurrent limit is preset internally. The preset
level prevents damage to the output MOSFET, but
allows a minimum current of 2A through the output
MOSFET of the MIC2505-series and 1A for each
output MOSFET of the MIC2506. Output current is
monitored by sensing the voltage drop across the
output MOSFET drain metal resistance.
Overcurrent detection functions only when the control
input is enabled (output MOSFET is on) and VIN is
above the UVLO threshold.
5.9 Open-Load Detection
Open-load detection is available only on the MIC2505
and MIC2506. The open-load detection feature is not
included in the MIC2505-1 or -2 versions.
Open-load detection indicates the absence of an output
load by activating the fault flag. Open-load detection is
optional and is enabled by connecting a high-value
pull-up resistor between IN and OUT. If there is no load,
the circuit detects a high OUT (output) voltage (typically
≥1V) and signals the fault flag. Under normal
conditions, the low resistance of a typical load pulls
OUT low. Open-load detection functions only when the
control input is low (output MOSFET is off).

2016 Microchip Technology Inc. DS20005579A-page 13
MIC2505/6
5.10 Fault Flag
FLG is an N-channel, open-drain MOSFET output. The
fault flag is active (low) for one or more of the following
conditions: open load (except MIC2505-1 and -2
versions), undervoltage, current limit, or thermal
shutdown. The flag output MOSFET is capable of
sinking a 10 mA load to typically 100 mV above
ground.
MIC2505/6
DS20005579A-page 14 2016 Microchip Technology Inc.
6.0 APPLICATION INFORMATION
6.1 Supply Filtering
A 0.1 μF to 1 μF bypass capacitor from IN to GND,
located at the device is strongly recommended to
control supply transients. Without a bypass capacitor,
an output short may cause sufficient ringing on the
input (from supply lead inductance) to destroy the
internal control circuitry.
Input transients must not exceed the absolute
maximum supply voltage (VIN(MAX) = 7.5V) even for a
short duration.
FIGURE 6-1: Supply Bypassing.
The bypass capacitor may be omitted only if board
design precautions are followed, such as using
extremely short supply leads or power and ground
planes.
6.2 Control Input
CTL must be driven logic high or logic low, or be pulled
high or low for a clearly defined input. Floating the input
may cause unpredictable operation. Add a diode clamp
if negative spikes may occur. See Figure 6-2.
6.3 Open-Load Detection
Refer to the Typical Application Schematics.
Open-load detection is available only on the MIC2505
and MIC2506. For USB power distribution applications,
the open-load detection feature is not included in the
MIC2505-1 or -2 versions.
The optional open-load detection resistor supplies a
small pull-up current to the load when the output switch
is off. A 100 kΩ resistor will draw 50 μA from a 5V
supply. Normally, the load dominates, pulling OUT low.
If the load is absent, the optional resistor pulls OUT
high, activating the fault flag if CTL is off.
When a load is switched off with CTL, capacitance on
the output may cause the open-load function to pull the
flag low until the capacitor is discharged below
approximately 2.4V.
Omit the pull-up resistor when open load detection is
not required and for minimum off-state supply current.
6.4 Power Bus Switch
The MIC2505/6 family features a MOSFET reverse
current flow prevention circuit. This prevents current
from flowing backwards (from OUT to IN) when CTL is
disabled as long as VIN is above UVLO minimum. In
Figure 6-2, when U1 is on and U2 is off, this feature
prevents current flow from the load (5V) backward
through U2 to the 3.3V supply. If a discrete MOSFET
and driver were used, the MOSFET’s internal body
diode would short the 5V load to the 3.3V supply.
FLG will be active (low) on any switch that is off
whenever the load voltage is greater than the open
load threshold (approximately 1V) except for
MIC2505-1 and MIC2505-2.
FIGURE 6-2: 5V/3.3V Switch Concept.
This circuit’s function would otherwise require a dual
driver, two MOSFETs, plus two diodes (or a dual driver
plus four MOSFETs).
6.5 Hot Plug-In Applications
(Soft-Start)
The MIC2505/6 family can be used to protect the
socket-side and card-side of a supply circuit from
transients caused when a capacitive load is connected
to an active supply.
The switch presents a high impedance when off, and
slowly becomes a low impedance as it turns on. This
reduces the inrush current and related voltage drop
that result from charging a capacitive load.
FIGURE 6-3: Hot Pulg-In Concept.
ON
OFF
MIC2505YM
CTL OUT
FLG
GND OUT
GATE IN
IN
81
72
63
54
0.1μF to 1μF
3.0V to 7.5V
Logic-High = 5V Output
Logic-Low = 3.3V Output
U1
MIC2505YM
Load
CTL OUT
FLG
GND OUT
GATE IN
IN
+5V
81
72
63
54
0.1μF
U2
MIC2505YM
CTL OUT
FLG
GND OUT
GATE IN
IN
81
72
63
54
+3.3V
0.1μF
1N4148
(optional)
MIC2505YM
CTL OUT
FLG
GND OUT
GATE IN
IN
81
72
63
54
0.1μF
Capacitive
Load
3.3V
Power Control
Circuitry
GND
CardSocket
2016 Microchip Technology Inc. DS20005579A-page 15
MIC2505/6
A gate capacitor may be added to the MIC2505 to slow
the turn on time even more, reducing the inrush
current. See Figure 2-13. The UVLO feature ensures
that each time the card is removed and VIN = 0 that the
gate of the output switch is discharged to zero volts. A
controlled turn-on is executed each time a board is
plugged in, even with multiple insertions.
6.6 USB Application
Figure 6-4 depicts a low cost and robust
implementation of a four-port, self-powered USB hub
circuit employing ganged overcurrent protection.
FIGURE 6-4: Ganged-Switch Self-Powered Hub.
ON/OFF
OVERCURRENT
MIC2505-2/-13.3V USB Controller
V
BUS
D+
D–
GND
V
BUS
D+
D–
GND
100k
MIC5203-3.3
MIC5207-3.3
LDO Regulator
IN OUT
GND
33μF
Ferrite
Bead
V
BUS
D+
D–
GND
D+
D–
V+ EN OUT
FLG IN
GND OUT
GATE IN
Bold lines indicate
0.1" wide, 1-oz. copper
high-current traces.
Downstream
USB
Port 1
500mA max.
33μF
V
BUS
D+
D–
GND
Data
V
BUS
D+
D–
GND
33μF
33μF
0.01μF
0.01μF
0.01μF
0.01μF
4.7
μF
1.0
μF
GND
0.1μF
4.45V to 5.25V
3.5A max.
(+)
(–)
33μF
Downstream
USB
Port 2
500mA max.
Downstream
USB
Port 3
500mA max.
Downstream
USB
Port 4
500mA max.
III
I I
III
I I
III
I I
NNN
Pbrfree JEDEC designamr(
)
MIC2505/6
DS20005579A-page 16 2016 Microchip Technology Inc.
7.0 PACKAGING INFORMATION
7.1 Package Marking Information
XXXX
-XXX
YYWW
8-Pin SOIC*
2505
-1YM
1532
MIC
XXXXXX
YYWW
MIC
2506YM
1609
MIC
XXXXXX
YYWW
MIC
2505YM
1426
for MIC2505 Example
for MIC2505-1/-2 Example
for MIC2506 Example
Legend: XX...X Product code or customer-specific information
Y Year code (last digit of calendar year)
YY Year code (last 2 digits of calendar year)
WW Week code (week of January 1 is week ‘01’)
NNN Alphanumeric traceability code
Pb-free JEDEC® designator for Matte Tin (Sn)
*This package is Pb-free. The Pb-free JEDEC designator ( )
can be found on the outer packaging for this package.
●, ▲, ▼Pin one index is identified by a dot, delta up, or delta down (triangle
mark).
Note: In the event the full Microchip part number cannot be marked on one line, it will
be carried over to the next line, thus limiting the number of available
characters for customer-specific information. Package may or may not include
the corporate logo.
Underbar (_) symbol may not be to scale.
3
e
3
e
TITLE
El LEAD SOICK PACKAGE OUTLINE & RECOMMENDED LAND PATTERN
DRAWING # | SOICNHSLDHPLHT UNIT INCH [MM]
5
\
E“
E
mm MAW
FIN u [n max KY nnasmmn mA
azasmnns
[Sgsxuzn
b:
E14
nms :g gag L L
‘ my: $331 m u 153:1
”E E
ma 3%
unsung]
as:
mp VIEW ammH vxgu
i_ 4
Emma”)
L—Lnnesrsfi
.43- ma
5 ,5. [usual]
OOIJMYMS‘
SE [was 3'57] DETAIL w ,7
WWW: ® DETAIL 'A‘ «m
mafia.) +1 V.
i mama]
, unnam
mss mg 01212233?)
we 11E; [3 g. :33]
[ms 133:]
w A mum
NEH’ES‘ mmiflfigr—l L 4—] L
[127 5:5]
DIMENSIEINS ARE IN INCHESEMHJ‘
CEINTREILLINE DIMENSIEIN INCHES
DIMENSIEIN nnEs NEIT INCLUDE MEILD FLASH EIR PRDTRUSIDNS, R M N
EURHESRDEIF WHICH SHALL NEIT EXCEED omames]
E 1 E
N
2016 Microchip Technology Inc. DS20005579A-page 17
MIC2505/6
8-Lead SOIC Package Outline and Recommended Land Pattern
Note: For the most current package drawings, please see the Microchip Packaging Specification located at
http://www.microchip.com/packaging

MIC2505/6
DS20005579A-page 18 2016 Microchip Technology Inc.
NOTES:

2016 Microchip Technology Inc. DS20005579A-page 19
MIC2505/6
APPENDIX A: REVISION HISTORY
Revision A (August 2016)
• Converted Micrel document MIC2505/6 to Micro-
chip data sheet DS20005579A.
• Minor text changes throughout.

MIC2505/6
DS20005579A-page 20 2016 Microchip Technology Inc.
NOTES:
PART NO.
41x
41x
41x
2016 Microchip Technology Inc. DS20005579A-page 21
MIC2505/6
PRODUCT IDENTIFICATION SYSTEM
To order or obtain information, e.g., on pricing or delivery, contact your local Microchip representative or sales office.
Examples:
a) MIC2505YM: Single 2A High-Side Switch, Active-
High with Open-Load Detect,
–40°C to +85°C Temp. Range,
8-Pin SOIC, 95/Tube
b) MIC2505YM-TR: Single 2A High-Side Switch, Active-
High with Open-Load Detect,
–40°C to +85°C Temp. Range,
8-Pin SOIC, 2,500/Reel
c) MIC2505-1YM: Single 2A High-Side Switch, Active-
High without Open-Load Detect,
–40°C to +85°C Temp. Range,
8-Pin SOIC, 95/Tube
d) MIC2505-1YM-TR: Single 2A High-Side Switch, Active-
High without Open-Load Detect,
–40°C to +85°C Temp. Range,
8-Pin SOIC, 2,500/Reel
e) MIC2505-2YM: Single 2A High-Side Switch, Active-
Low without Open-Load Detect,
–40°C to +85°C Temp. Range,
8-Pin SOIC, 95/Tube
f) MIC2505-2YM-TR: Single 2A High-Side Switch, Active-
Low without Open-Load Detect,
–40°C to +85°C Temp. Range,
8-Pin SOIC, 2,500/Reel
g) MIC2506YM: Dual 1A High-Side Switch, Active-
High with Open-Load Detect,
–40°C to +85°C Temp. Range,
8-Pin SOIC, 95/Tube
h) MIC2506YM-TR: Dual 1A High-Side Switch, Active-
High with Open-Load Detect,
–40°C to +85°C Temp. Range,
8-Pin SOIC, 2,500/Reel
PART NO. X
Package
Device
Device: MIC2505: Single 2A High-Side Switch
MIC2506: Dual 1A High-Side Switch, (Note 1)
Control/Enable
and Open-Load
Detect:
Blank = Active-High with Open-Load Detect
1 = Active-High without Open-Load Detect
2 = Active-Low without Open-Load Detect
Temperature: Y = –40°C to +85°C
Package: M = 8-Pin SOIC
Media Type: TR = 2,500/Reel
none = 95/Tube
X
Control/
–
X
Temperature
Note 1: MIC2506 is only available in an Active-High with Open-Load
Detect configuration.
Enable and
Open-Load Detect
–
X
Media Type

MIC2505/6
DS20005579A-page 22 2016 Microchip Technology Inc.
NOTES:
YSTEM
2016 Microchip Technology Inc. DS20005579A-page 23
Information contained in this publication regarding device
applications and the like is provided only for your convenience
and may be superseded by updates. It is your responsibility to
ensure that your application meets with your specifications.
MICROCHIP MAKES NO REPRESENTATIONS OR
WARRANTIES OF ANY KIND WHETHER EXPRESS OR
IMPLIED, WRITTEN OR ORAL, STATUTORY OR
OTHERWISE, RELATED TO THE INFORMATION,
INCLUDING BUT NOT LIMITED TO ITS CONDITION,
QUALITY, PERFORMANCE, MERCHANTABILITY OR
FITNESS FOR PURPOSE. Microchip disclaims all liability
arising from this information and its use. Use of Microchip
devices in life support and/or safety applications is entirely at
the buyer’s risk, and the buyer agrees to defend, indemnify and
hold harmless Microchip from any and all damages, claims,
suits, or expenses resulting from such use. No licenses are
conveyed, implicitly or otherwise, under any Microchip
intellectual property rights unless otherwise stated.
Trademarks
The Microchip name and logo, the Microchip logo, AnyRate,
dsPIC, FlashFlex, flexPWR, Heldo, JukeBlox, KeeLoq,
KeeLoq logo, Kleer, LANCheck, LINK MD, MediaLB, MOST,
MOST logo, MPLAB, OptoLyzer, PIC, PICSTART, PIC32 logo,
RightTouch, SpyNIC, SST, SST Logo, SuperFlash and UNI/O
are registered trademarks of Microchip Technology
Incorporated in the U.S.A. and other countries.
ClockWorks, The Embedded Control Solutions Company,
ETHERSYNCH, Hyper Speed Control, HyperLight Load,
IntelliMOS, mTouch, Precision Edge, and QUIET-WIRE are
registered trademarks of Microchip Technology Incorporated
in the U.S.A.
Analog-for-the-Digital Age, Any Capacitor, AnyIn, AnyOut,
BodyCom, chipKIT, chipKIT logo, CodeGuard, dsPICDEM,
dsPICDEM.net, Dynamic Average Matching, DAM, ECAN,
EtherGREEN, In-Circuit Serial Programming, ICSP, Inter-Chip
Connectivity, JitterBlocker, KleerNet, KleerNet logo, MiWi,
motorBench, MPASM, MPF, MPLAB Certified logo, MPLIB,
MPLINK, MultiTRAK, NetDetach, Omniscient Code
Generation, PICDEM, PICDEM.net, PICkit, PICtail,
PureSilicon, RightTouch logo, REAL ICE, Ripple Blocker,
Serial Quad I/O, SQI, SuperSwitcher, SuperSwitcher II, Total
Endurance, TSHARC, USBCheck, VariSense, ViewSpan,
WiperLock, Wireless DNA, and ZENA are trademarks of
Microchip Technology Incorporated in the U.S.A. and other
countries.
SQTP is a service mark of Microchip Technology Incorporated
in the U.S.A.
Silicon Storage Technology is a registered trademark of
Microchip Technology Inc. in other countries.
GestIC is a registered trademarks of Microchip Technology
Germany II GmbH & Co. KG, a subsidiary of Microchip
Technology Inc., in other countries.
All other trademarks mentioned herein are property of their
respective companies.
© 2016, Microchip Technology Incorporated, Printed in the
U.S.A., All Rights Reserved.
ISBN: 978-1-5224-0854-3
Note the following details of the code protection feature on Microchip devices:
• Microchip products meet the specification contained in their particular Microchip Data Sheet.
• Microchip believes that its family of products is one of the most secure families of its kind on the market today, when used in the
intended manner and under normal conditions.
• There are dishonest and possibly illegal methods used to breach the code protection feature. All of these methods, to our
knowledge, require using the Microchip products in a manner outside the operating specifications contained in Microchip’s Data
Sheets. Most likely, the person doing so is engaged in theft of intellectual property.
• Microchip is willing to work with the customer who is concerned about the integrity of their code.
• Neither Microchip nor any other semiconductor manufacturer can guarantee the security of their code. Code protection does not
mean that we are guaranteeing the product as “unbreakable.”
Code protection is constantly evolving. We at Microchip are committed to continuously improving the code protection features of our
products. Attempts to break Microchip’s code protection feature may be a violation of the Digital Millennium Copyright Act. If such acts
allow unauthorized access to your software or other copyrighted work, you may have a right to sue for relief under that Act.
Microchip received ISO/TS-16949:2009 certification for its worldwide
headquarters, design and wafer fabrication facilities in Chandler and
Tempe, Arizona; Gresham, Oregon and design centers in California
and India. The Company’s quality system processes and procedures
are for its PIC® MCUs and dsPIC® DSCs, KEELOQ® code hopping
devices, Serial EEPROMs, microperipherals, nonvolatile memory and
analog products. In addition, Microchip’s quality system for the design
and manufacture of development systems is ISO 9001:2000 certified.
QUALITYMANAGEMENTS
YSTEM
CERTIFIEDBYDNV
== ISO/TS16949==
6‘
‘MICRDCHIP
DS20005579A-page 24 2016 Microchip Technology Inc.
AMERICAS
Corporate Office
2355 West Chandler Blvd.
Chandler, AZ 85224-6199
Tel: 480-792-7200
Fax: 480-792-7277
Technical Support:
http://www.microchip.com/
support
Web Address:
www.microchip.com
Atlanta
Duluth, GA
Tel: 678-957-9614
Fax: 678-957-1455
Austin, TX
Tel: 512-257-3370
Boston
Westborough, MA
Tel: 774-760-0087
Fax: 774-760-0088
Chicago
Itasca, IL
Tel: 630-285-0071
Fax: 630-285-0075
Cleveland
Independence, OH
Tel: 216-447-0464
Fax: 216-447-0643
Dallas
Addison, TX
Tel: 972-818-7423
Fax: 972-818-2924
Detroit
Novi, MI
Tel: 248-848-4000
Houston, TX
Tel: 281-894-5983
Indianapolis
Noblesville, IN
Tel: 317-773-8323
Fax: 317-773-5453
Los Angeles
Mission Viejo, CA
Tel: 949-462-9523
Fax: 949-462-9608
New York, NY
Tel: 631-435-6000
San Jose, CA
Tel: 408-735-9110
Canada - Toronto
Tel: 905-695-1980
Fax: 905-695-2078
ASIA/PACIFIC
Asia Pacific Office
Suites 3707-14, 37th Floor
Tower 6, The Gateway
Harbour City, Kowloon
Hong Kong
Tel: 852-2943-5100
Fax: 852-2401-3431
Australia - Sydney
Tel: 61-2-9868-6733
Fax: 61-2-9868-6755
China - Beijing
Tel: 86-10-8569-7000
Fax: 86-10-8528-2104
China - Chengdu
Tel: 86-28-8665-5511
Fax: 86-28-8665-7889
China - Chongqing
Tel: 86-23-8980-9588
Fax: 86-23-8980-9500
China - Dongguan
Tel: 86-769-8702-9880
China - Guangzhou
Tel: 86-20-8755-8029
China - Hangzhou
Tel: 86-571-8792-8115
Fax: 86-571-8792-8116
China - Hong Kong SAR
Tel: 852-2943-5100
Fax: 852-2401-3431
China - Nanjing
Tel: 86-25-8473-2460
Fax: 86-25-8473-2470
China - Qingdao
Tel: 86-532-8502-7355
Fax: 86-532-8502-7205
China - Shanghai
Tel: 86-21-5407-5533
Fax: 86-21-5407-5066
China - Shenyang
Tel: 86-24-2334-2829
Fax: 86-24-2334-2393
China - Shenzhen
Tel: 86-755-8864-2200
Fax: 86-755-8203-1760
China - Wuhan
Tel: 86-27-5980-5300
Fax: 86-27-5980-5118
China - Xian
Tel: 86-29-8833-7252
Fax: 86-29-8833-7256
ASIA/PACIFIC
China - Xiamen
Tel: 86-592-2388138
Fax: 86-592-2388130
China - Zhuhai
Tel: 86-756-3210040
Fax: 86-756-3210049
India - Bangalore
Tel: 91-80-3090-4444
Fax: 91-80-3090-4123
India - New Delhi
Tel: 91-11-4160-8631
Fax: 91-11-4160-8632
India - Pune
Tel: 91-20-3019-1500
Japan - Osaka
Tel: 81-6-6152-7160
Fax: 81-6-6152-9310
Japan - Tokyo
Tel: 81-3-6880- 3770
Fax: 81-3-6880-3771
Korea - Daegu
Tel: 82-53-744-4301
Fax: 82-53-744-4302
Korea - Seoul
Tel: 82-2-554-7200
Fax: 82-2-558-5932 or
82-2-558-5934
Malaysia - Kuala Lumpur
Tel: 60-3-6201-9857
Fax: 60-3-6201-9859
Malaysia - Penang
Tel: 60-4-227-8870
Fax: 60-4-227-4068
Philippines - Manila
Tel: 63-2-634-9065
Fax: 63-2-634-9069
Singapore
Tel: 65-6334-8870
Fax: 65-6334-8850
Taiwan - Hsin Chu
Tel: 886-3-5778-366
Fax: 886-3-5770-955
Taiwan - Kaohsiung
Tel: 886-7-213-7828
Taiwan - Taipei
Tel: 886-2-2508-8600
Fax: 886-2-2508-0102
Thailand - Bangkok
Tel: 66-2-694-1351
Fax: 66-2-694-1350
EUROPE
Austria - Wels
Tel: 43-7242-2244-39
Fax: 43-7242-2244-393
Denmark - Copenhagen
Tel: 45-4450-2828
Fax: 45-4485-2829
France - Paris
Tel: 33-1-69-53-63-20
Fax: 33-1-69-30-90-79
Germany - Dusseldorf
Tel: 49-2129-3766400
Germany - Karlsruhe
Tel: 49-721-625370
Germany - Munich
Tel: 49-89-627-144-0
Fax: 49-89-627-144-44
Italy - Milan
Tel: 39-0331-742611
Fax: 39-0331-466781
Italy - Venice
Tel: 39-049-7625286
Netherlands - Drunen
Tel: 31-416-690399
Fax: 31-416-690340
Poland - Warsaw
Tel: 48-22-3325737
Spain - Madrid
Tel: 34-91-708-08-90
Fax: 34-91-708-08-91
Sweden - Stockholm
Tel: 46-8-5090-4654
UK - Wokingham
Tel: 44-118-921-5800
Fax: 44-118-921-5820
Worldwide Sales and Service
06/23/16
Products related to this Datasheet
IC PWR SWITCH N-CHAN 1:1 8SOIC
IC PWR SWITCH N-CHAN 1:1 8SOIC
IC PWR SWITCH N-CHAN 1:1 8SOIC
IC PWR SWITCH N-CHAN 1:2 8SOIC
IC PWR SWITCH N-CHAN 1:2 8SOIC
IC PWR SWITCH N-CHAN 1:1 8SOIC
IC PWR SWITCH N-CHAN 1:1 8SOIC
IC PWR SWITCH N-CHAN 1:1 8SOIC
IC PWR SWITCH N-CHAN 1:1 8SOIC
IC PWR SWITCH N-CHAN 1:1 8SOIC
IC PWR SWITCH N-CHAN 1:1 8SOIC
IC PWR SWITCH N-CHAN 1:1 8SOIC
IC PWR SWITCH N-CHAN 1:2 8SOIC
IC PWR SWITCH N-CHAN 1:1 8SOIC
IC PWR SWITCH N-CHANNEL 1:1 8DIP
IC PWR SWITCH N-CHAN 1:1 8SOIC
IC PWR SWITCH N-CHAN 1:1 8SOIC
IC PWR SWITCH N-CHANNEL 1:1 8DIP
IC PWR SWITCH N-CHAN 1:1 8SOIC
IC PWR SWITCH N-CHANNEL 1:1 8DIP
IC PWR SWITCH N-CHAN 1:1 8SOIC
IC PWR SWITCH N-CHAN 1:2 8SOIC
IC PWR SWITCH N-CHAN 1:2 8SOIC
IC PWR SWITCH N-CHAN 1:2 8SOIC
IC PWR SWITCH N-CHAN 1:1 8SOIC
IC PWR SWITCH N-CHAN 1:1 8SOIC
IC PWR SWITCH N-CHAN 1:1 8SOIC