無刷 DC 馬達控制介紹
資料提供者:Electronic Products
2013-03-27
無刷 DC (BLDC) 馬達在眾多產業中越來越受歡迎,例如汽車(特別是電動車 (EV))、HVAC、白色家電和工業,因為其摒棄傳統馬達所用的機械式整流子,以電子裝置取代,提升單元的可靠性和耐用度。
BLDC 馬達的另一項優勢就是比相同功率輸出的有刷馬達體型更小、重量更輕,因此非常適合空間狹小的應用。
BLDC 馬達的缺點在於需要電子管理功能才可運作。 舉例而言,馬達必須使用微控制器(會使用來自感測器的輸入來指出轉子的位置)在正確時機將定子線圈通電。 精準計時可達到準確的速度和扭矩控制,並可確保馬達以峰值效率運轉。
本文說明 BLDC 馬達操作的基本知識,並且敘述操控三相單元的典型控制電路。 本文亦闡述一些專為 BLDC 馬達控制設計的整合式模組,設計人員可選用以便簡化電路設計。
無刷操作的優勢
傳統馬達的電刷會傳送電力到轉子繞組,繞組通電後就會變成固定磁場。 靜態電刷以及旋轉轉子上的轉動金屬觸點之間會產生摩擦進而導致磨損。 此外,金屬觸點的不良刷動以及電弧都會導致電力損耗。
因為 BLDC 馬達摒棄了電刷,採用「電子整流子」,因此不會產生磨損與功率損耗,進而提升馬達的可靠度與效率。 不僅如此,BLDC 馬達擁有比有刷 DC 馬達與電感馬達更多的優勢,包括更優異的速度比扭矩特性、更快的動態響應、無噪音操作以及更高的速度範圍。1
此外,供應扭矩相對馬達尺寸的比率更高,因此非常適合洗衣機與電動車等應用,其需要高功率但也將小型尺寸與輕量視為關鍵要素。 (然而應注意的是,有刷 DC 馬達有更高的起動扭矩。)
BLDC 馬達的磁場是由定子與旋轉轉子以相同的旋轉頻率產生,因此屬於「同步」類型馬達。 此配置的優勢在於 BLDC 馬達不會有感應馬達經常發生的「滑脫」。
馬達提供單、雙或三相類型,但三相馬達是最常見的類型,也是本文要探討的對象。
BLDC 馬達的定子係由矽鋼片組成,採軸向插入,以沿著內圍安置偶數的繞組(圖 1)。 BLDC 馬達的定子與感應馬達的定子類似,但繞組的分配卻不一樣。

轉子係由永久磁鐵搭配二至八個南北極對所組成。 磁鐵對越多,就會增加扭矩並且消除所謂的扭矩漣波,讓來自馬達的動力更平順。 缺點就是控制系統更加複雜、成本提高而且最大速度降低。
傳統上會使用鐵氧體磁鐵製作永久磁鐵,但現代元件傾向使用稀土磁鐵。 即使這種磁鐵較為昂貴,但可產生更大的通量密度,讓轉子尺寸更小卻可達到指定扭矩。 使用這種強大磁鐵就是為何 BLDC 馬達能比相同尺寸的有刷 DC 馬達提供更大功率的主要原因。
如需 BLDC 馬達的結構與操作詳情,可參閱 Microchip Technology 所發佈的一篇有趣應用說明 (AN885)。2
操作的基礎知識
BLDC 馬達的電子整流子會依序將定子線圈通電產生轉動電場,「拉動」轉子隨之轉動。 N 次「電氣轉動」等於機械性轉動一圈,N 則代表磁鐵對的數量。
對三相馬達而言,定子內建三個霍爾效應感測器,以指出定子和轉子對控制器的相對位置,因此能以正確的順序在正確的時間對繞組通電。 霍爾感測器通常安裝在單元的非驅動端(圖 2)。

轉子的磁極通過霍爾感測器時,即會產生高(單極)或低(相反極)訊號。 如以下細節所述,綜合三個感測器的訊號即可判定換向的確切順序。
繞組穿越相關磁場的活動會讓所有的電動馬達產生電位。 此電位通常稱為電動勢 (EMF),且根據冷次定律,會產生抗拒磁通量原有變動的磁場,形成繞組中的電流。 簡單而言,此 EMF 會抵擋馬達的轉動,因此稱為「反」電動勢。 針對固定磁通量與繞組數量的馬達,EMF 會跟轉子的角速度成比例。
但反電動勢多少會「減緩」馬達,可運用當作一種優勢。 透過反電動勢的監測,微控制器即可判定定子和轉子的相對位置,無需霍爾效應感測器。 這可簡化馬達的結構、降低成本並且省去馬達中以往用來支援感測器的額外繞組與連結。 當環境中具有灰塵和濕氣時,這可提升可靠性。
然而,靜態馬達並不會產生反電動勢,因此微控制器無法在起動時判定馬達零件的位置。 解決方法就是以開迴路配置啟動馬達,直到產生足夠的 EMF 以便微控制器接手進行馬達監測為止。 這些「無感測器」的 BLDC 馬達越來越受歡迎。
控制 BLDC 馬達
BLDC 馬達具有相對簡單的機械結構,卻需要複雜的控制電子元件以及穩壓的電源供應器。 設計人員所面臨的挑戰就是針對三相高功率系統,提供其所需的精密控制以便有效運轉。
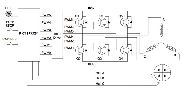
圖 3 顯示的典型配置可驅動含有霍爾效應感測器的 BLDC 馬達。 (透過反電動勢的量測控制無感測器 BLDC 馬達將在之後的文章中探討。) 在此系統中,馬達的三個線圈以「Y」型排列,並且採用一個 Microchip 的 PIC18F2431 微控制器、一個絕緣閘雙極電晶體 (IGBT) 驅動器、一個由六個 IGBT 組成的三相逆變器(亦可使用金屬氧化物半導體場效電晶體 (MOSFET) 進行高功率切換)。 微控制器的輸出(由 IGBT 驅動器映射)含有脈寬調變 (PWM) 訊號,可判定線圈的平均電壓和平均電流(進而得知馬達速度和扭矩)。 馬達採用三個霍爾效應感測器(A、B 和 C)指出轉子位置。 轉子本身採用兩對永久磁鐵產生磁通量。

此系統在每一次電旋轉上採用六階換向順序。 由於馬達具有兩對磁鐵,因此需要兩次電旋轉才可轉動馬達一次。
圖 4 顯示採用與圖 3 相同的馬達線圈配置之下的各階(共六階)電流(在此標示為 U、V 和 W),圖 5 顯示後續的霍爾效應感測器輸出與線圈電壓。


一對霍爾效應感測器可判定微控制器對線圈通電的時間點。 在此範例中,感測器 H1 和 H2 會判定線圈 U 的切換。H2 偵測到磁鐵北極時,線圈 U 就會通正電;H1 偵測到磁鐵北極時,線圈 U 會切換至開路;H2 偵測到磁鐵南極時,線圈 U 會切換到負極;最後,當 H1 偵測到磁鐵南極時,線圈 U 會再次切換至開路。 同樣地,感測器 H2 和 H3 會判定線圈 V 的通電,而 H1 和 H3 會監測線圈 W。
在各階中,兩個相位皆會開啟,其中一個相位會將電流饋送到馬達,另一個相位則提供電流折返路徑。 另一個相位會開路。 微控制器會控制三相變頻器中哪兩個開關必須為閉路,以便對兩個作用線圈通正電或負電。 舉例而言,切換圖 3 中的 Q1 會對線圈 A 通正電,切換 Q2 則對線圈 B 通負電以提供折返路徑。 線圈 C 會維持開路。
設計人員可使用 8 位元微控制器架構的開發套件進行試驗,嘗試不同的控制機制後再開始設計完整尺寸的馬達。 例如,Atmel 就有推出低價位的入門套件 ATAVRMC323,可用於 ATxmega128A1 8 位元微控制器架構的 BLDC 馬達控制。4 其他不少廠商也有提供類似的套件。
驅動 BLDC 馬達
雖然 8 位元微控制器搭配三相變頻器是不錯的開始,但並不足以構成完整的 BLDC 馬達控制系統。 要達成目標,則需要穩壓的電源供應器以驅動 IGBT 或 MOSFET(圖 3 所示的「IGBT 驅動器」)。 幸好,有許多主要的半導體廠商皆有針對此應用設計專用的整合式驅動器晶片。
這些元件通常含有降壓轉換器(供電給微控制器並滿足和其他系統電源需求)、閘極驅動器控制以及故障處理功能,並且具備一些計時和控制邏輯。 Texas Instruments 的DRV8301 三相預驅動器就是一個優良的範例(圖 6)。

此預驅動器支援高達 2.3 A 流入和 1.7 A 流出峰值電流能力,僅需要輸入電壓介於 8 至 60 V 的單一電源供應器即可。當高側或低側 IGBT 或 MOSFET 進行切換時,此元件會採用自動信號交換以免電流擊穿。
ON Semiconductor 也有提供類似的晶片 LB11696V。 在輸出電路上添加離散電晶體,即可完成馬達驅動器電路,具有需要的輸出電力(電壓和電流)。 此晶片亦提供完整的保護電路,因此非常適合必須展現高可靠性的應用。 此元件專為大型 BLDC 馬達所設計,例如空調機以及隨需供應式熱水器等。
總結
BLDC 馬達比傳統馬達具備更多優勢。 少了馬達電刷,就無需使用會降低效率、產生磨損或導致災難性故障的機械零件。 此外,開發強大的稀土磁鐵即可生產能力等同有刷類型馬達的 BLDC 馬達,而且適合更小的空間使用。
與有刷馬達不同的是,BLDC 馬達需要電子系統來監測線圈的通電順序並提供其他控制功能,這是其缺點之一。 若無電子元件,馬達就無法運轉。
然而,有越來越多專為馬達控制設計的低價、耐用電子元件,因此設計電路相對簡單且便宜。 實際上,BLDC 馬達甚至不用使用微控制器,只要採用基本配置就可架設並運轉,方法就是採用適當的三相正弦波或方波產生器。Fairchild Semiconductor 的 FCM8201 晶片就是這種應用的例子之一,其發佈的應用說明也有提供設定方法。5
此外,ON Semiconductor 的 MC33033 BLDC 馬達控制器更在晶片上整合了轉子位置解碼器,因此不需使用微控制器即可構成完整的系統。 此元件可用來控制三相或四相 BLDC 馬達。
然而,採用 8 位元微控制器(使用原廠隨附程式碼或開發人員自己的軟體進行編碼)在控制系統上增加的成本微乎其微,但卻能為使用者提供更強大的馬達控制能力,確保以最佳效率運轉,此外也可提供更加精準的位置、速度或扭矩輸出。
參考資料:
- 《無刷 DC 馬達入門書 (Brushless DC Motor Primer)》,作者:Muhammad Mubeen,2008 年 7 月
- Microchip Technology 應用說明 AN885《無刷 DC (BLDC) 馬達基礎知識 (Brushless DC (BLDC) Motor Fundamentals)》,作者:Padmaraja Yedamale,2003 年。
- Microchip Technology 應用說明 AN970《使用 PIC18F2431 進行無感測器 BLDC 馬達控制 (Using the PIC18F2431 for Sensorless BLDC Motor Control)》,作者:Padmaraja Yedamale,2005 年。
- Atmel 應用說明《AVR1607:使用 ATxmega128A1 和 ATAVRMC323 在感測器模式中進行無刷 DC 馬達 (BLDC) 控制 (AVR1607: Brushless DC Motor (BLDC) Control in Sensor mode using ATxmega128A1 and ATAVRMC323)》,2010 年。
- Fairchild Semiconductor 應用說明 AN-8201《FCM8201 三相正弦波 BLDC 馬達控制器 (FCM8201 Three-Phase Sine-Wave BLDC Motor Controller)》,2011 年。
聲明:各作者及/或論壇參與者於本網站所發表之意見、理念和觀點,概不反映 DigiKey 的意見、理念和觀點,亦非 DigiKey 的正式原則。

