Challenges and Solutions to Powering DSPs, ASICs, and FPGAs Using Power Modules
資料提供者:Electronic Products
2012-01-10
Modular, high-density POL (point-of-load) power DC/DC converters have some excellent advantages over other power management architectures. These DC/DC product solutions are well-suited to powering designs that include DSP, FPGA, and ASIC core and I/O requirements from 0.8 to 3.65 V. While silicon suppliers offer solutions for powering these devices using discrete components (Controller ICs, MOSFETs, capacitors, resistors, inductors, etc.), and these types of solutions may be initially attractive in terms of pure BOM cost, modular solutions are often lower in overall cost for many applications and provide the following significant advantages:
- Faster time to market
- Minimal risk of design errors
- Scalable offering from 0 A to (5 x 50 A) = 250 A
- Minimal engineering resources
- Digital and analog versions of the new high density
- Reduced assembly time
- Highest power density
- Pre-characterized electrical and thermal performance
- International safety approvals
- Sequencing Management
- Proven reliability >3 billion hours MTBF
- Lower total cost solution
- Reduced BOM – 1 part vs.10 to 20
- Synchronization and power-good features
- Wide input voltage range 2.4 to 14.4 V
- High-frequency switching reduces discrete components (external input and output capacitor requirements)
- Fully tested EMC performance
Today’s advanced electronic systems have complex power requirements involving multiple rails at different voltages. Digital power modules are uniquely suited to solve these complex system power challenges. They are highly integrated and designed to be universal building blocks that can be easily combined and adapted to varying system requirements. They require minimal external circuitry, reducing board space requirements and simplifying the design process.
As FPGA, DSP, ASIC, and microprocessor designs become increasingly sophisticated, there is a growing need for intelligent power management solutions with accurate current monitoring and control. New developments in digital control technology give customers a high degree of power system optimization while accelerating design time. The following designs can apply to FPGA, DSP, ASIC and microprocessors with minor adaptation.
Xilinx is using the Texas Instruments (TI) ML605 Evaluation kit as a digital solution for its Virtex-6 and Spartan-6 FPGAs. This enables design teams to spend less time developing the infrastructure of an application and more time building differentiating features into the end application (Figure 1).

Intersil’s Zilker Labs product line includes the ZL9117M, a digital DC/DC converter that operates over the PMBus at 17 A, performs over a wide input voltage range and supports an output voltage range of 0.6 to 3.6 V, which can be set by external resistors or via PMBus. This is a viable solution for core and I/O power.
Intersil’s ZL2106 is an integrated solution for powering FPGAs (Figure 2).

Power-One has the ZY7120 digital point-of-load regulator for high-performance DSP,FPGA, ASIC and microprocessor applications (Figure 3).

Analog power modular solutions
Here, again, the following designs can apply to FPGA, DSP, ASIC, and microprocessors with minor adaptation.
Typical system power architecture for a Xilinx Virtex-5 FPGA-based system board consists of 12 V input to the system board and a number of lower output voltage rails from 1.0 to 5 V. It is convenient and advantageous to first convert the 12 V input to an intermediate bus voltage such as 5 V and then use the 5 V rail as input to other converters for lower voltage conversion. This will increase the efficiency of the lower-voltage converters and therefore distribute heat loss more evenly among the converters.
Emerson Network Power’s LGA06C is a 6 A version of the LGA analog power module series that has 3, 6, 10, and 20 A versions. This series provides a high-density and cost-effective power solution in a low-profile, surface-mount land grid array package for space-sensitive applications (Figures 4 and 5 show Xilinx Virtex-5 development board architecture).


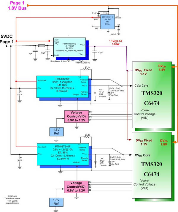
Texas Instruments has an analog power solution for two of their TMS320C6474 DSPs utilizing their PTH04000WAS and PTH08T2xx TurboTrans technology power modules (Figures 6 and 7) that use VID control. Many modern CPUs run at two different clock speeds, where each speed requires a different core operating voltage to assure optimum performance. These voltages are documented in the manufacturer’s VID (voltage identification) section of the CPU specification.


CUI Inc. has the analog power module NDM1 series, which is a good fit for ASIC, DSP, microprocessor, and FPGA power management. It has a PMBus programmable output voltage capability and built-in sequencing capability. The controllers can be synchronized for phase spreading capabilities. A switching power supply operates from a switching clock source. In systems with multiple switching power supplies, the switching phase between power supplies may need to be manipulated to reduce undesired effects in a system. These undesired effects include large peak current drawn from the input voltage and high levels of radiated emissions due to synchronized edges of the switching frequency. Phase spreading is a method of reducing these effects.
Most electronics have one or more digital processing ICs, such as FPGAs, ASICs, microprocessors, or DSPs that require multiple power-supply rails plus sequencing. There are various options to consider and potential pitfalls to avoid in powering these digital ICs. The designer needing the benefits of power modules must then choose between analog or digital architectures. Each has their respective advantages and disadvantages to consider. Data sheets need to be read carefully; complexity of design, board space and programmability are just a few of the important considerations to ponder before choosing the right technology for the particular application. Application notes and white papers from the manufacturers will be of great help. Check out some resources on DigiKey’s Power Solutions TechZone for more assistance.
聲明:各作者及/或論壇參與者於本網站所發表之意見、理念和觀點,概不反映 DigiKey 的意見、理念和觀點,亦非 DigiKey 的正式原則。

