使用含整合式驅動器的電源元件板管理馬達,進行機器人控制
資料提供者:DigiKey 北美編輯群
2016-07-07
您已根據影像來源、其他感測器、專案目標及其他應用細節提供的輸入,判定了機械臂下一個動作所需的軌跡和位置。 這時只剩下一個難題:將所需的目標位置轉換成具體指令,進而驅動機器手臂的馬達,達到所需的加速度、速度以及減速,以便順暢抵達端點,且沒有發生過衝,並且在具有機械性障礙時,也不會發生任何電氣問題。
將系統處理器的低階數位訊號轉換成馬達適用的具體且詳細的指令,需要進行多方面的考慮。 此外,這些數位訊號不具有馬達通常所需的高電壓和電流。 因此,在指令與實際控制馬達之間需要一系列的控制與轉換階段(圖 1)。
圖 1:完整的馬達控制訊號路徑包括數位和處理器功能(1、2、3)以及類比和電源電路(4、5),需要非常不同的設計專長,並具有繁複的技術要求。 (此圖以 Digi-Key Scheme-it 繪製)
這些中繼階段是發出整體任務(「將杯子從 A 移到 B 點,再清空內容物」)的使用者 I/O(方塊 1)與實際執行工作的馬達(方塊 6)之間的關鍵路徑。 包括:
- 一個監控處理器,能將高階目標轉換成一或多部馬達的具體步驟,例如「將手臂向前移動兩吋,接著順時針旋轉 180⁰,然後停止」(方塊 2);
- 一個動作控制運算法處理器(方塊 3)。 此處理器會依據所需的動作軌跡因素(例如加速率和持續時間、行程速度、減速率和持續時間,以及端點)指定每一個步驟的完成方式。 接著再判定如何驅動馬達線圈,以實作這些細節。 同樣的,單一處理器也可為多部馬達進行判定,尤其是動作相互牽連時。
- 來自(方塊 3)的低階數位訊號接著會進入 MOSFET/IGBT 驅動器(方塊 4),再由此驅動器提供 MOSFET/IGBT 電源開啟/關閉所需的特定電壓和電流。 這些驅動器能串連輕鬆的低階數位訊號領域與棘手的高功率管理領域。 這些驅動器必須與獨特的驅動參數匹配,以滿足 MOSFET/IGBT 在電壓、電流、迴轉率和開/關期間的需求,而且也要因應 MOSFET/IGBT 可能會遇到的切換暫態、過熱,甚至是短路等常見問題。
- 然後,電源開關(MOSFET 或 IGB)會以馬達所需的電流/電壓位準(方塊 6)控制進入馬達線圈的電流(方塊 5)。 請注意,許多(但非全部)應用也使用馬達的某些感測器回饋(霍爾效應感測器、編碼器、解角器)向處理器通知有關馬達轉子的實際狀況;有些演算法,如磁場導向控制 (FOC),就不需要這項回饋,但需要進行額外運算,並可能會降低精度。
取決於馬達和應用,電壓可以是個位數、二位數甚至更高,電流範圍則從幾百毫安培到數十安培或以上。 MOSFET/IGBT 驅動器必須與其 MOSFET/IGBT 相匹配,MOSFET/IGBT 也必須匹配該馬達。
目前使用的馬達類型有許多種,包括步進、無刷 DC (BLDC) 或 AC 感應式設計,每種馬達都具有獨特的屬性和應用。 應用最適合的馬達類型固然無絕對準則,但步進馬達往往用於需要精確啟停動作的較低功率位準應用;BLDC 馬達適合中/低功率應用,尤其是需要持續轉動(進而產生動作)的應用;AC 感應馬達通常成本最低,但精度與重複操作性能也較低。
解決方案分類
雖然圖中方塊 2 至 5 所顯示的功能各自獨立操作,但在實務上可依照系統功率位準和效能需求,以多種方式進行組合。 可能的方式包括:
- 由單一 CPU 涵蓋監控處理器的功能 (2) 以及動作控制演算法處理器的功能 (3)。 一般而言,此做法僅在處理器相當強大時才可行,因為演算法通常頗為繁複並且需要大量的即時運算。
- 在單一 PC 板上搭載動作控制演算法處理器 (3) 與 MOSFET/IGBT 驅動器 (4)。 當目標馬達是單一尺寸和類型,而非家族或系列,而且所用的 MOSFET/IGBT 也是單一尺寸時,此做法是極具吸引力的解決方案。 只是也要考量散熱,因為動作控制演算法處理器可能是高耗散的 IC,且驅動器也是耗散相對較高的元件。
- 最後,MOSFET/IGBT 驅動器 (4) 和 MOSFET/IGBT (5) 可在同一塊電路板上,成為處理器 (3) 與馬達負載 (6) 之間的介面。 這是常見的配置,因為這個組合在高速、低階數位訊號轉換到現實作業的難題、馬達介面以及其他馬達相關的問題上,可提供「立即可用解決方案」。
由於大多數機器人應用為多軸式,具有多重自由度(通常為三到六個),因此有些驅動器板的設計可支援多部馬達。 如此一來,演算法處理器可經由單一介面為馬達提供控制指令。
最佳方式為何? 如同所有工程決定,您必須依據許多因素進行權衡:易用性、設計風險、上市時間、靈活性、適應性、安裝、成本以及效能。 許多使用者選擇採用整合式解決方案(單一模組或 PC 板),將 MOSFET/IGBT 驅動器與 MOSFET/IGBT 結合。 對大多數設計人員而言,此方式能大幅減少最高風險和最具挑戰性的因素,確保驅動器與其所控制的 MOSFET/IGBT 開關元件相容。
如此也能讓使用者專注在演算法和低階數位電路介面,以及特定應用之間不可避免的微細差別。 這些驅動器和 MOSFET/IGBT 的組合,無論是作為模組、PC 板還是廠商的公版設計,都能為設計團隊及其專案提供最快速的方法,以便快速發展並專注在應用效能。
這些組合平台也納入了設計完善的馬達驅動電路所需的大多數或甚至完整的電路細節,達到安全性和可靠性,例如短路保護、欠壓鎖定和過熱關斷。 此外,此組合作法能在處理器與馬達之間使用不同的中介板,藉此更輕鬆支援一系列不同的馬達尺寸,同時還能使用相同的處理器和軟體。
使用者享有眾多選項
提供多種驅動器與 MOSFET/IGBT 的配對組合,可因應多種馬達類型和需求。 其目的在於簡化設計挑戰,讓設計團隊能專注於應用韌體及其無可避免的特點。
以下部份範例能說明此論點。 針對中至較高功率位準的 AC 馬達,例如家電(洗衣機、冰箱、空調、縫紉機),可選擇 STMicroelectronics 的 SLLIMM™(小型低損耗智慧型模製模組)元件。
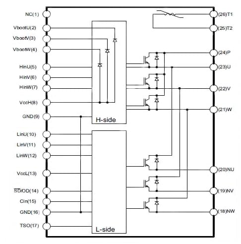
這些整合式電源模組 (IPM) 的設計適用於三相逆變器,額定值為 8 A/600 V。模組包括三個用於標準逆變器橋接配置的 IGBT,由隔離的高側與低側驅動器進行控制,因此使用者無須額外提供隔離(隔離不僅會涉及更多元件與成本,還必須符合嚴格的法規要求)。
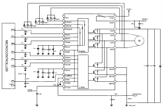
此簡化的 SLLIMM 方塊圖(圖 2)無法顯示元件實際的複雜度。 應用圖(圖 3)則較明確,顯示使用者只需要添加少數低成本電容和幾個電阻,其餘必要元件,例如軟恢復二極體、位準移位器、隔離及保護元件都內嵌於模組中,使用者都可見。

圖 2:STMicroelectronics 的 SLLIMM 在密封的模組中整合幾乎所有電路,以便用 IGBT控制較高功率的 AC 感應馬達(包含強制電流隔離),藉此將高電壓挑戰的專案降低難度。 (圖片來源:STMicroelectronics)

圖 3:SLLIMM 是低階微控制器與 AC 感應馬達之間近乎完整的介面,只需低價的非關鍵被動元件(多半為電容、幾個電阻,無需電感)即可完成最終安裝。 (圖片來源:STMicroelectronics)
此模組的輸入為標準的 3.3/5 V TTL/CMOS 訊號,然而可視操作、安全和法規要求,在輸入與功率輸出之間提供 1500 V 隔離。 儘管功率額定值相當高,但此模組的尺寸小巧,長約 38 mm、寬 25 mm,厚度只有 3.5 mm。
對於使用多個 BLDC 馬達的應用,可參考 Cypress Semiconductor 的 CY8CKIT-037 PSoC 4 馬達控制評估套件,能以一般全橋配置的 MOSFET 處理多達四部馬達(圖 4)。 馬達可以是永磁同步馬達 (PMSM)、步進馬達和無刷 DC (BLDC) 馬達。 此套件的設計是由 Arduino 微控制器板所驅動,可供使用者實作及評估馬達控制演算法。

圖 4:Cypress Semiconductor 的 CY8CKIT-037 PSoC 4 馬達控制評估套件包含動作控制專案所需的一切項目,包括電源供應器、馬達、纜線甚至螺絲起子。 (圖片來源:Cypress Semiconductor)
驅動器板(圖 5 和圖 6)連接至馬達,其中包含 DC/DC 電源電路,雙全橋電路、馬達電流與匯流排電壓取樣和處理電路、保護電路、使用者配置電路,以及連接控制器板的連接器。
相關的 CY8CKIT-042 控制器板可接收來自 Arduino 板的訊號、執行控制策略的演算法,接著產生驅動器板的控制訊號以控制馬達。 此套件亦支援霍爾效應感測器提供的回饋,為控制器更新馬達的實際位置(進而得知速度和加速度),達到緊密閉路效能,但也可搭配無感測器的 FOC 設計一同使用。

圖 5:CY8CKIT-037 驅動器板相當完備,具有全部連接器(適當處有螺絲端子以利互連)、USB 連接埠、霍爾效應回饋感測器的佈建,以及 Arduino 介面,都能輕易觸及。 (圖片來源:Cypress Semiconductor)

圖 6:CY8CKIT-037 驅動器板的方塊圖顯示出其提供的眾多功能,能在 Arduino 型微控制器板與馬達之間提供完整介面,包括全橋馬達管理以及視需要提供的位置回饋佈建。 (圖片來源:Cypress Semiconductor)
SparkFun 的 Big Easy Driver ROB-12859 步進馬達驅動板支援並且帶動低功率步進馬達應用的趨勢,適用於額定值高達每相位 1.4 至 1.7 A 的馬達,使用適當散熱更可達到 2 A(圖 7)。 此驅動器板的核心是 Allegro 的 A4988 步進驅動器 IC,支援全步進模式以及微步進模式,每階達到 2、4、8 及 16 微步。

圖 7:SparkFun 的 Big Easy Driver ROB-12859 使用 Allegro 的 A4988 IC 作為核心元件,能控制高達 30 V 額定值的中/低功率步進馬達。 (圖片來源:SparkFun)
相關的微控制器板(如 Arduino)與 Big Easy Driver 之間可輕鬆進行互連。 只需該電路板的兩個控制訊號(一個指出「步進」,另一個指出「方向」),即可產生定時功率訊號讓馬達通電並步進,因此能將微控制器的處理負載減至最低。 此元件可接受的最高馬達驅動電壓高達 30 V,並含有 5/3.3 V 的板載穩壓器,因此只需要一個外接電源。
結論
對許多設計團隊而言,開發機械手臂或類似設備的動作/馬達控制解決方案時,面臨的挑戰與困難在於數位電路與目標馬達的介接。 必須投注心力,以不同的設計專長來處理各種功率位準(電流及電壓)、類比問題、佈局限制以及電路保護功能,並且在實體馬達與其 MOSFET/IGBT 之間,以及 MOSFET/IGBT 與其驅動器之間確保達到相容性。
值得慶幸的是,設計人員目前擁有豐富的選項,可大幅簡化專案中所涉及這個層面。 許多供應商提供的模組與 PC 板都具有基本介面功能,並且涵蓋必要的安全與保護項目,適合多種功率位準和馬達類型。
聲明:各作者及/或論壇參與者於本網站所發表之意見、理念和觀點,概不反映 DigiKey 的意見、理念和觀點,亦非 DigiKey 的正式原則。


