Integrated RF RMS Power Detectors Boost 3G/4G Efficiency and Performance
資料提供者:Electronic Products
2012-01-12
Integrated RF power detectors offer a combination of higher sensitivity, stability, and simplicity beyond that which is available with traditional diode detectors. Integrated detectors are available for nearly any wireless application, but for cellular phone applications using complex modulated waveforms, RMS detectors generally offer greater accuracy. To build efficient 3G and 4G cellular systems, engineers can draw on a variety of high-performance RMS power detectors from suppliers including Analog Devices, Linear Technology, and Texas Instruments.
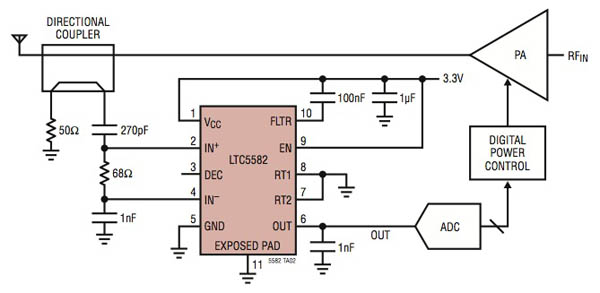
Nearly all wireless applications require accurate measurement of RF power in both transmission and receiver signal chains. Accurate measurement of input RF power is vital for maintaining efficiency in the receiver signal chain, where automatic gain control (AGC) or automatic level control (ALC) circuitry is needed to maintain signals at levels best suited to analog-to-digital conversion and demodulation. Accurate measurement of output power is critical for ensuring compliance with regulatory requirements. Here, an integrated RF power detector would monitor output power sensed through a directional coupler and provide a measurement signal via an analog-digital converter (ADC) to digital control circuitry, which would then adjust power amplifier (PA) gain as needed (Fig. 1).

Figure 1: In a typical transmitter signal chain, digital control circuitry would adjust power amplifier (PA) gain based on RF power measurements provided by an RF detector such as the Linear LTC5582. (Courtesy of Linear Technology)
Engineers can choose from a broad variety of RF power detectors including peak detectors, log detectors, and RMS detectors. While each type offers its own advantages, RMS detectors offer the greatest accuracy in RF power measurement of complex signals with high crest factors found in advanced 3G and 4G cellular networks. High crest factors, or peak-to-average ratios, are inherent in spread-spectrum methods such as orthogonal frequency division multiplexing (OFDM), and modulation schemes such as higher-order quadrature amplitude modulation (QAM) used in high-speed W-CDMA, WiMAX, and LTE networks.
Measuring RF power of high bandwidth signals used in these applications requires RF power detectors with sufficient dynamic range and accuracy across the full operating range of the application. RF detector IC manufacturers typically summarize the key performance characteristics of their devices in a datasheet plot of the detector's transfer function, combining output voltage and log conformance error versus input power measured in dB. An ideal device's output performance would describe a straight line with intercept PINTERCEPT and slope KSLOPE showing linear output versus dB input power. This same ideal device would also exhibit a flat log conformance error curve showing no error across the device's full dynamic range. Manufacturers often offer this transfer function plot based on continuous waveform (CW) driving input. For this class of device, however, the performance characteristics are effectively the same whether driven by CW or a typical 3G/4G modulated waveform (Fig. 2).

In real world devices, the linear-in-dB performance can fall off at the extremes of RF input power, particularly at higher operating frequencies. For advanced devices, however, the practical dynamic range remains substantial indeed. For example, the Analog Devices ADL5902 RMS detector features a 65 dB measurement range with minimal log conformance error across its operating temperature range from -40°C to +125°C (Fig. 3) with greater variation at higher operating frequency (Fig. 4). As with many devices in this class, the ADL5902 can be driven with a single-ended 50 Ω source, eliminating the need for a balun for operation across its frequency range of 50 MHz to 9 GHz.


Figure 4: Output voltage and log conformance error results continue to demonstrate a wide dynamic range even at 5.8 GHz for same device and temperature range as shown in Fig. 3. Temperature measurement curves include +25°C (black), −40°C (blue), +85°C (red), and +125°C (orange). (Courtesy of Analog Devices)
Engineers can find families of devices in both log- and linear-output versions. The Texas Instruments LMH2110 45 dB Logarithmic RMS power detector features an RF frequency range from 50 MHz to 8 GHz. This device provides an output voltage that relates linearly to the RF input power in dB. In contrast, the TI LMH2120 40 dB Linear RMS power detector delivers an output voltage that relates linearly to the RF input power in volts.
RMS detectors are also available in multi-channel configurations. Linear Technology offers its LTC5583 dual-channel RMS power detector capable of measuring two separate signals within a dynamic range of 59 dBm to 4 dBm, depending on frequency. This dual channel device is particularly well-suited for base station applications that need to measure voltage standing-wave ratio (VSWR), for example. In VWSR measurement, where the two input signals are at the same frequency, the LTC5583 features 40 dB of isolation between channels with single-ended inputs. For applications where the two signals are at different frequencies, the device achieves isolation as high as 50 dB, which can be further improved to exceed 55 dB using differential inputs for the two signals.
Each channel in the LTC5583 also features an envelope detector, providing a voltage output proportional to the RF input signal's envelope. Envelope detectors are often used in PA optimization circuits, but if this feature is not required in specific designs, the LTC5583's envelope detectors can be disabled to ease power requirements.
Analog Devices also offers RF envelope output in its single-channel ADL5511 RMS detector. With an envelope bandwidth of 100 MHz and a power detection range of 40 dB, the ADL5511 envelope output has a conversion gain of 1.46 V/V at 900 MHz, referenced to an internal 1.1 V reference voltage, which is in turn available on the device's EREF pin.
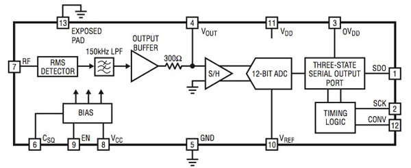
Linear's RMS detector family includes a single-channel offering, the LTC5582 (Fig. 5) – a 40 MHz to 10 GHz RMS power detector capable of delivering accurate power measurements in a –60 dBm to 2 dBm dynamic range,– as well as an even more highly integrated device, the LTC5587. Offering a 10 MHz to 6 GHz operating frequency, the LTC5587 RMS power detector integrates a 12-bit serial ADC on-chip. The device features a dynamic range from –34 dBm to 6 dBm and provides a 12-bit digital output directly proportional to the RF signal power measured in dBm. Engineers can also take advantage of an analog output to further reduce output modulation ripple by filtering the signal using an off-chip capacitor before conversion by the ADC. To help conserve power in mobile applications, the ADC can be automatically powered down after each conversion.

Figure 5: Linear's LTC5582 RF RMS power detector integrates an ADC on-chip, further simplifying the transmitter signal chain illustrated in Fig. 1. (Courtesy of Linear Technology)
Conclusions
Accurate RF power detection is critical not only for regulatory compliance but also for power and signal optimization in 3G and 4G wireless designs. For RF power detection of the highly modulated signals used in these advanced cellular networks, RMS detectors offer accuracy beyond that possible with peak or log detectors, which are much less traditional diode detector circuits. Available detectors offer a wide range of options for dynamic range, operating frequency, and integrated functionality, enabling engineers to more quickly produce compliant, power-efficient designs for 3G/4G applications.
聲明:各作者及/或論壇參與者於本網站所發表之意見、理念和觀點,概不反映 DigiKey 的意見、理念和觀點,亦非 DigiKey 的正式原則。

