Understanding the Mixer’s Role in an RF-receiver Design
資料提供者:Electronic Products
2013-12-19
The mixer is a critical stage of the RF signal chain in a superheterodyne (superhet) receiver architecture. It allows the receiver to be tuned across a wide band of interest, then translates the desired, arbitrary received signal frequency to a known, fixed frequency. This allows the signal of interest to be efficiently processed, filtered, and demodulated. The architecture of the superhet is elegant and simple, but actual performance depends on the performance of its constituent functional blocks.
[Note that the now ubiquitous superhet was developed by engineering genius Major E.H. Armstrong in the 1930s, and largely superseded his previous receiver design, the superregenerative design (although that is still used today in specialty applications). Subsequently, Armstrong also invented frequency modulation, still in widespread use. Any one of these would have put Armstrong in the "pioneer and inventor" category, but to have this trio of radio-related inventions is truly significant. For more on mixer fundamentals see the TechZone article “The Basics of Mixers.”]
In the basic superhet "single-conversion" receiver, the incoming carrier RF signal is amplified by one or more low-noise amplifier (LNA) stages, and then goes to a mixer (Figure 1). The mixer has two inputs: the RF signal, and a local oscillator (LO). The LO is at a fixed offset from the desired signal to be tuned, and can be set above or below the carrier frequency; there are technical reasons in some designs why one is preferred over the other.

The mixer, a nonlinear stage, combines the two signals. This nonlinear mixing produces two outputs: one at the sum of the two signal frequencies, the other at their difference (other sum/difference harmonics are also produced by the nonlinear mixing process, but they are not of interest and are easily filtered). It is the presence of this fixed-difference frequency output, called the intermediate frequency (IF), which makes the superhet design so effective. This is because the IF is always at the same frequency, regardless of the specific frequency being tuned. Since the IF frequency is always the same, the IF stage amplifier as well as subsequent demodulator can be optimized for performance at a single, known frequency.
The IF output of the mixer is next filtered to eliminate any artifacts (to the extent possible), and then it goes to the next stages for further amplification and demodulation. Historically, an IF of 455 kHz was used for conventional broadcast AM radio, and 10.7 MHz for conventional broadcast FM radio, but other specialized applications use different IFs.
In addition to the basic single-conversion superhet, there is also a double-conversion topology (Figure 2). This is used at higher carrier frequencies, such as above 500 MHz or 1 GHz, to ease problems of signal filtering issues and noise, by optimizing achievable performance at each stage; the carrier goes through a first-stage mixer/LO to bring it down to a first IF at around 50-100 MHz, and then is further down-converted via a second mixer/LO to a second IF. This gives the designer more overall flexibility and relaxes some of the demands on individual component specifications. (There are even triple-conversion receivers in commercial use.)

Zero-IF design
Although the LO/IF superhet approach has been the most successful receiver architecture ever devised by far, it is now getting competition from an alternative approach: the zero-IF receiver, also known as a direct-conversion receiver (DCR), homodyne receiver, or synchrodyne receiver (Figure 3). Here, the LO frequency is set very close to the RF-carrier frequency of the desired signal. The mixed output is immediately at baseband, and there is no IF stage needed.

While this approach reduces the basic circuit complexity in theory, it places severe demands on all stages, including dynamic range, stability, distortion, tuning range, and noise. For some carefully selected and designed applications, ICs can make zero-IF receivers competitive or superior to the superhet with its IF stage.
Critical mixer parameters
Mixers can be passive (usually built with diodes), or active devices with gain made using transistors. As the functional block that takes the signals in a wide RF band and downconverts them to a fixed IF frequency, the mixer has many demands placed on it. Active and passive mixers each provide different combinations of the key parameters, all measured in dB except as noted:
Third-order intercept point or input intercept point (IIP3 or IP3) relates nonlinear products caused by the third-order nonlinear product term of the mixer to the linearly-amplified signal. Assessing this third-order intercept point is done using two test frequencies within the mixer passband; typically, these test frequencies are about 20 to 30 kHz apart. A higher IP3 value (measured in dBm) indicates a better mixer.
Conversion loss/gain is the ratio of the IF output power to the RF input power. For passive mixers, this is always a loss (negative dB), usually between –5 and –10 dB. While it is a measure of mixer efficiency, the issue here is not DC-power efficiency, but rather how well the mixer makes use of the relatively low levels of RF power it sees.
Noise figure (NF) is critical because it characterizes the noise added by the mixer and that appears at the IF output. This is a concern because in-band noise, once added to the signal of interest, is almost impossible to remove, corrupts the signal, makes demodulation more challenging, and degrades bit error rate (BER). Typical noise figures are between 0.5 and 3 dB.
Isolation defines how well the mixer blocks RF or LO input signal energy from reaching the IF output, which would corrupt and distort the IF and cause demodulation issues and errors. It is the ratio of the RF or LO input to the leaked IF output.
Dynamic range measures the ratio of maximum to minimum signal levels that the mixer can handle and still provide an IF signal which meets specifications. Depending on the anticipated RF input, the system may need moderate (50 dB) or wide dynamic range (100 dB).
These are just the top-tier mixer-related performance parameters. Others include image rejection, gain compression, DC offset, and 1 dB compression point.
Available mixers span wide range
Mixer vendors include traditional analog-IC vendors with RF expertise, as well as RF-centric suppliers who develop both IC and discrete-device mixers. As these two groups view mixer performance from different directions, they have different areas of focus on priorities and trade-offs, as well as common ones.
IC vendor Analog Devices offers the ADL5350, a GaAs pHEMT single-ended passive mixer with an integrated LO buffer amplifier (Figure 4).

This broadband device handles frequencies from 750 MHz to 4 GHz and is designed for cellular base stations of varying modulation types and standards. The buffer allows the user to supply a low-level LO, which simplifies design. Conversion loss is 6.8 dB while noise figure is 6.5 dB and IP3 is a relatively-high 25 dB. Due to the frequencies involved, the ADL5350 is housed in an 8-VFDFN exposed pad, chip-scale package (Figure 5). (It can also be used for the complementary process of up-conversion, but that is another story.)

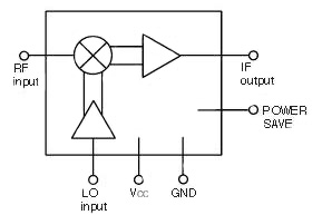
CEL (formerly California Eastern Laboratories) offers the UPC2757 pair of silicon MMICs (monolithic microwave IC), for RF inputs from 0.1 to 2.0 GHz and IF between 20 and 300 MHz (Figure 6).

The UPC2757TB is optimized for low-power consumption while the UPC2758TB is optimized for low distortion. For each IC, the conversion gain is a function of the LO frequency (Figure 7).

These are just two examples. Mixers are available from dozens of vendors; with devices available for a wide range of RF and LO frequencies, as well as different power levels and performance parameters. The designer's decision process starts with a list of basic frequency requirements as well as required values for other mixer attributes, and any flexibility or trade-offs there may be in any of these factors.
Summary
The mixer is the critical element that makes the ubiquitous superheterodyne-receiver architecture possible, which works regardless of received band or modulation. This article has examined the mixer's role in producing an IF signal from a received RF signal in the standard single- and double-conversion receiver, as well as key mixer parameters. It also offered a look at two examples from Analog Devices and CEL. For more information on the parts mentioned here, use the links provided to access product information pages on the DigiKey website.
聲明:各作者及/或論壇參與者於本網站所發表之意見、理念和觀點,概不反映 DigiKey 的意見、理念和觀點,亦非 DigiKey 的正式原則。

