採用最新的整合式模組打造可靠的數位電源
資料提供者:DigiKey 北美編輯群
2016-11-30
由於元件與軟體控制的成本持續下降,在極複雜的設計中,數位電源已成為控制多重電壓的常用方案。 然而數位電源本身也有需要克服的挑戰,特別是在既有設計中融入數位電源時。 另外,數位控制也帶來韌體開發的需求,這在過去是類比設計者經常迴避的項目。
本文將簡要說明數位電源控制的優勢,然後再介紹兩種數位控制方式。 首先是「數位封套」方式,目前仍仰賴類比穩壓器。 第二種是全數位設計解決方案。 本文接著將說明如何利用最新款數位電源 IC 的功能優勢,來打造暫態響應時間更短、頻寬更大、整體效能更好的穩定電源供應器。
類比技術沒問題,為何要轉用數位技術?
類比技術長久以來掌控了切換式 DC/DC 轉換器(穩壓器)的設計生態,因為這種技術在實作上相對簡單又便宜。 但類比設計本身也有缺點,特別是控制迴路補償的棘手問題。
數位設計就提供了替代方案,而且數位電源供應器必要的支援元件在價格、尺寸與功耗上均已下降,因此更加適合。 數位元件能讓設計人員精確微調電路的控制性,進一步改善暫態響應並達到最高效率。
但實際情況可能較為複雜,特別是因為不同的矽元件廠商對「數位電源」的定義可能不同。 有些供應商將此技術定義為採用數位介面的電源供應器方案,因此能同時享受電源管理匯流排 (PMBus) 協定的功能優勢,以及「數位封套」方案中的類比控制迴路。 其他的公司則堅持數位電源必須採用全數位控制迴路,由微處理器或數位訊號處理器 (DSP) 驅動。
每個技術都有其挑戰:若選擇數位封套作法,還是得面對您起初也許試圖避開的控制迴路補償難題;全數位解決方案本身意味著,設計人員可能需要先編寫大量的程式碼,才能讓數位電源系統開始正常運作。 然而,新一代的數位電源控制器與模組保證能夠克服數位封套與全數位解決方案兩者的挑戰。
添加數位封套
在既有類比拓撲中添加數位電源,能引進眾多優勢。 其中一個關鍵優點在於,系統管理匯流排 (SMBus) 能使用 PMBus 協定促成雙向通訊能力。
PMBus 是使用數位通訊匯流排與電源轉換系統進行通訊的標準協定。 PMBus 以 SMBus 為基礎,雖然 SMBus 是為了與低頻寬裝置進行通訊而設計,但 PMBus 則是以電源供應器、元件與電源相關晶片(例如可充電式電池子系統)的數位管理為目標。
SMBus 本身則是以內部整合電路(I²C,原由 Philips 設計的序列式、單端電腦匯流排)為基礎,可用來將低速周邊裝置接至主機板或其他嵌入式系統。 在此基礎之下,PMBus 是相對低速的雙線通訊協定。 但與 SMBus 及 I²C 不同的是,PMBus 定義了許多網域專屬命令,而不是只詳述如何用使用者所定義的命令進行通訊。
在 2005 年 3 月,PMBus 規格 1.0 版發佈。 最近又發佈了 1.3 修訂版規格。 這個版本利用更高速的通訊降低延遲,並加入專用的自適應電壓調整 (AVS) 匯流排,能以靜態和動態方式控制處理器電壓。 此標準由系統管理介面論壇 (SM-IF) 所有且免權利金。
使用 PMBus 功能裝置進行電源轉換,能提供傳統類比電源系統無法享有的靈活性與控制性。 如果使用數位電源來設計,可輕易透過 PMBus 使用主機控制器管理輸出電壓的調整、電源定序與多重電壓軌的同步作業(圖 1)。 (若要進一步瞭解數位電源供應器的 PMBus,請參閱文章庫的「使用 PMBus 進行穩壓器數位控制」。)

圖 1:使用 PMBus 協定透過 SMBus 進行雙向通訊,即可設定、控制和監測多個電源供應器裝置。 (資料來源:Intersil)
另外,如果使用 SMBus 與 PMBus,就可輕易將新的電壓軌加入到電源管理系統中。 不需重新編程或添加更多獨立的電源管理 IC 以支援新增的電壓軌,而且該電壓軌可輕易整合到監測、定序、餘裕調整與故障偵測機制中。
市面上有許多可數位設定且可控制的切換式電壓調節器。 例如,Microchip 的 MIC24045 是可數位編程、輸入範圍介於 4.5 V 至 19 V 的 5 A 同步降壓穩壓器,適用於多重電壓軌應用。 許多參數可透過 I2C 進行編程,例如輸出電壓、切換頻率、軟啟動斜率、餘裕調整、電流限值與啟動延遲。 除此之外,MIC24045 可透過 I2C 介面提供診斷與狀態資訊。
雖然 SMBus 與 PMBus 能為正確連接的類比電源供應器帶來數位設定、控制與監測的方便性與靈活性,但數位封套解決方案並非全面的數位控制,因此無法享有該方法的完整優勢。 連接到匯流排的各個類比裝置皆依照本身的控制迴路運作,並以此決定穩定性與頻率響應,進而影響許多因素,例如電源供應器多快能因應負載的快速變化。 (請參閱文章庫「瞭解切換式穩壓器的控制迴路反應」。)
設計人員經常需要添加補償網路,以便修改類比電源供應器的控制迴路,藉此改善穩定性與頻率響應。 (請參閱文章庫「設計補償器網路改善切換式穩壓器的頻率響應」。) 對許多經驗不足的電源供應器設計人員而言,都對此作業避之唯恐不及。 但如果改用全數位方案,就可以避開此作業。
發揮全數位電源的最大優勢
要實作全數位解決方案,不只要使用 SMBus 與 PMBus 協定所促成的數位設定、控制與監測能力,也要針對接至匯流排的個別穩壓器實作數位控制迴路。
數位控制的原理相當簡易。 在類比穩壓器中,控制迴路會比較實際輸出電壓與需求輸出電壓之間的誤差。 在數位穩壓器中,類比轉數位轉換器 (ADC) 會將該誤差電壓轉為數位值。 這項轉換的精確性由 ADC 的解析度而決定,但即使只有中等解析度,結果仍有可能比類比比較器所測得的結果還要精確。 ADC 的解析度越高,穩壓器的控制性越好。
除了 ADC 外,也採用比例積分微分 (PID) 處理器取代類比裝置的補償器網路。 PID 處理器是用於許多封閉迴路控制流程的智慧裝置。 PID 處理器利用數位誤差電壓讀數來修正穩壓器的輸出,會不斷調整穩壓器數位脈寬調變器 (PWM) 晶片所產生的脈衝串列工作週期。 PID 處理器也必須負責補償控制迴路的增益與移相因素,如同補償器網路在類比裝置中所做的一樣。
數位 PWM 跟類比裝置一樣,都會產生相同的可變寬度驅動脈衝,但作法是針對需要的輸出訊號(形成矩形波)開啟和關閉時間長度進行「計算」,然後再「計時」。 相較來說,類比 PWM 的運作方法則是在時脈轉變時觸發開啟,並在固定電壓「斜坡」達到預設跳脫電壓值時觸發關閉。
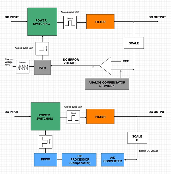
參考電壓的精確性,以及比例積分微分 (PID) 處理器的 ADC 輸出更新頻率,會顯著增強輸出電壓的穩定性與準確性(相對於類比穩壓器)。 圖 2 將類比切換式穩壓器方塊圖與數位款式進行比較。
(若要進一步瞭解數位電源控制,請參閱文章庫:「DC/DC 調節用的數位控制崛起」。)

圖 2:類比切換式穩壓器(上方)通常需要設計不易的補償器網路,以確保裝置保持穩定又能提供良好的頻寬、相位餘裕與增益餘裕。 若是數位切換式穩壓器(下方),這個工作是由 PID 處理器來完成。 (示意圖由 Digi-Key Scheme-it® 繪製)
雖然數位控制的原理容易理解,但技術實作上一點都不簡單,儘管近期的進展的確稍微簡化此作業。 為了兼顧穩定性與良好的頻率響應,以回應迅速變化的負載,決定 PID 處理器如何命令控制迴路的演算法是主要的關鍵因素。
傳統上,數位控制解決方案需依賴一般用途微控制器或 DSP 的服務來執行 PID 處理功能。 可惜的是,這種裝置並非針對電源供應器而設計,因此需要進行大量的軟體程式碼編寫與韌體設計。 除了會延長專案時程並提高成本,還需要程式碼專業能力,但這是許多類比電源供應器設計人員所欠缺的。
新的數位電源模組能克服程式碼挑戰
目前有幾家矽元件廠商提供「數位電源模組」。 這些專業化裝置享有 SMBus 與 PMBus 協定實作之數位設定、控制與監測能力所提供的靈活性,同時還提供專業化的數位控制迴路命令。 此類裝置無需折衷使用一般用途微處理器與 DSP,並將冗長的程式碼週期縮短以節省時間。
Texas Instruments 的 UCD3138 數位電源控制器就是此類裝置的優良範例之一。 晶片功能性的關鍵要素在於數位控制迴路周邊裝置。 這些周邊裝置都會實作高速數位控制迴路,其中含有專用的誤差 ADC (EADC)、PID 架構的雙極/雙零點數位補償器,以及脈寬解析度為 250 ps 的數位 PWM (DPWM) 輸出。 此裝置也含有 12 位元、267 ksps 的一般用途 ADC,其中具有 14 個通道、計時器、中斷控制、PMBus 與 UART 通訊埠。 此裝置以 32 位元 ARM® 微控制器為基礎,會即時監控、設定周邊裝置並管理通訊。 目前提供三組周邊裝置,能自主運作以同時控管三個獨立的控制迴路。
為了讓數位電源控制器發揮最大的操作效率,必須設定 PID 係數以配合連接的切換式穩壓器。 設定數位補償器的方式很簡單,因為 TI 限制只能將位元值分配到預先定義的特定暫存器。 UCD3138 控制器不需要複雜的程式碼開發作業,就能連續計算複雜的數學轉移函數。
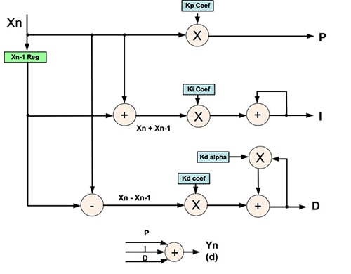
TI 製作了一份應用報告(見參考資料 2),說明如何使用網路分析器針對電源供應電路的初始電壓與電流控制迴路繪製波德圖。 接著可以變更 PID 係數(見圖 3),直到雙極/雙零點數位補償器給予電源供應器所需的頻寬、相位餘裕與增益餘裕。 這些係數確定之後,就可編程至 UDC3138 控制器中,即可確保連線裝置常保最佳操作狀態。

圖 3:UCD3138 控制器的 PID 結構。 透過正確的輸入係數,裝置能確保連接的切換式穩壓器達到最佳操作狀態。 (資料來源:Texas Instruments)
另一個數位電源模組範例是 Bel Power Solutions 的 DM7803G 數位電源控制器。 DM7803G 是完全可編程的數位電源管理器,採用 I2C 通訊匯流排介面來控制、管理、編程與監測高達 32 個負載點 (POL) 穩壓器與四個獨立的電源裝置。 對於設計人員而言,其中一個關鍵要素在於 DM7803G 不必搭配外部元件即可進行 POL 穩壓器的電源管理、編程與監測。
此裝置可透過圖形化使用者介面 (GUI),使用連接之裝置的操作參數進行編程。 每一個連接的裝置皆可編程輸出電壓、電壓保護等級、最佳電壓定位、啟動與關閉延遲與迴轉率、切換頻率與交錯(移相)。 DM7803G 類似於 UCD3138 控制器,在確定 PID 補償係數之後,也會針對連接之 POL 穩壓器的回饋補償迴路進行編程。
雖然上述產品僅需少許甚至無需程式碼作業,即可作為全數位解決方案的基礎,但若能對控制迴路與補償網路有一定程度的瞭解,仍有助於發揮數位電源供應器的最大功效。
然而,開發者如果較希望儘量省去外部元件以加速設計過程,有幾個全整合式數位電源解決方案可供使用。
目前有數家廠商提供全數位電源解決方案,其中具有整合式 PWM 控制、功率級 (MOSFET)、電感與被動元件,以及 PMBus 功能數位電源控制器。 這種裝置的應用電路很簡單,由模組本身與幾個輸入與輸出電容組成。
缺點就是價格:這種裝置主要用於高階應用,每個要價 $30 至 $50 美元。 典型應用是驅動 ASIC、FPGA、DSP、CPU 及記憶體晶片,以進行運算、通訊基礎架構與工業應用。
Intersil 的 ISL8271M 就是此類數位電源模組的範例之一。 此穩壓器模組的輸入電壓介於 4.5 至 14 V,可輸出 0.6 V 至 5 V,且電壓高達 33 A,效率為 96%。 Intersil 指出該裝置能在一個時脈週期內回應暫態負載變化。
圖 4 顯示了該裝置的應用電路以及尺寸。 數位電源模組能透過符合 PMBus 規範的 I2C 通訊介面,達到多種參數的高階編程能力,例如餘裕調整、電流限制、軟啟動與故障限制等參數。 PMBus 亦可用來監測電壓、電流、溫度和故障狀態。 由於這是完全整合的數位電源供應器,控制迴路補償已由原廠設定完畢。 晶片可當作獨立的電源供應器,或作為多重穩壓器系統的一部份(其中的所有晶片都透過 SMBus 與 PMBus 協定來連結)。

圖 4:Intersil 的 ISL8721M 提供高度整合的數位電源模組,只需要加入幾個被動元件就能構成完整的數位電源供應解決方案。 (資料來源:Intersil)
結論
類比電源供應器提供了簡單、便宜且可靠的解決方案,因此很有可能永遠都不致被淘汰。 對控制迴路補償技巧有一些瞭解固然很有益,但如果在多種模組化切換式電壓轉換器產品中選擇一種作為設計基礎,並遵照製造商的參考電路進行設計,則可以建構可用而且不錯的解決方案。
另一方面,如果是較複雜的應用,例如需要多重電源線和電壓的工業運算、電信與無線通訊系統,很快就會發現類比解決方案不夠靈活且不便利。 在適合的類比穩壓器中使用數位控制方法,即可簡化此類系統的設計,並可延後到產品開發週期的後期再添加電壓線路。
在全數位化設計中,數位監控器不只會設定、控制和監測匯流排所連接的電源供應器,也會監測控制迴路補償情況,更可簡化複雜系統的電源供應設計,所以成本也跟著提高。
話雖如此,數位電源管理元件的價格會持續下降。 另外,整合度也已提高至一定程度,目前市面上已可取得全整合式數位電源模組,僅需增添少許外部電容,即可構成全功能的電源供應器。 這些趨勢將持續發展,數位技術很可能會超越類比技術。
參考資料:
- 「The Benefits of Using Digital Power Modules」,Intersil,2014 年。
- 「UCD3138 PFC Tuning」,Bosheng Sun、Zhong Ye,應用報告 SLUA709,Texas Instruments,2014 年 3 月。
聲明:各作者及/或論壇參與者於本網站所發表之意見、理念和觀點,概不反映 DigiKey 的意見、理念和觀點,亦非 DigiKey 的正式原則。

