線性調光 LED 驅動器的無線控制
資料提供者:DigiKey
2013-10-17
先不論初期投資為何,固態照明 (SSL) 不僅能減少能耗和維護成本,並且具有設計彈性,已證明可成為傳統技術的替代品。 此外,主動式智慧能力可提升節能效果,如藉由佔位感測器、環境光感測器以及外部調光控制消除過度照明。 既然有目前多種恆定電流LED 驅動器都需要 0 至 10 VDC 輸入進行調光控制,本討論將著重在透過無線介面使用這些驅動器。
整體概念非常直接。 內含所需控制電壓的資料流在傳送後會由一個模組接收,此模組會配置成透通 RS-232 介面並且介接微控制器。 此微控制器接著會解譯資料流,並且將適當的數值載入數位類比轉換器的資料暫存器中,以便輸出所需的控制電壓。
由於筆記型電腦、平板裝置以及手機受到廣泛使用,因此選定藍牙連線通訊協定傳輸控制電壓資料流。 接收側則選擇 Panasonic PAN1555 適用的 876-1005-ND 評估板,享受其多功能性和在原型開發上容易使用的特點。
微控制器則是依據 3.3 V 操作以及需具備 USART、可編程內部振盪器和足量 I/O(但不過多)的要求進行選擇。 考量到未來的產品需要 PWM 進行非揮發性資料的控制與儲存,因此也將 PWM 和 EEPROM 納入需求中。 最終決定採用 PIC12F1822-I/P-ND。
選擇 DAC 時所依據的需求包含單電源、至少 10 V 的輸出電壓、序列介面、12 位元解析度以及外部參考輸入。 LTC1257IN8#PBF-ND 證明是合適的選擇。
為了讓 DAC 的輸出電壓範圍符合需求,必須具備 10 V 電壓參考。 LM4040CIZ-10.0/NOPB-ND 具備 ±0.5% 容差、TO-92 封裝以及 15 mA 輸出電流能力,因此獲得選用。
選擇電路的電源供應器時,考慮到多種因素。 首先,電源電壓必須足夠讓 DAC 提供 10 V 的輸出。 根據 LTC1257 的規格,VCC 需比參考電壓 (10 V) 超出 2.7 V,因此必須選擇 15 V 的電源才合適。 為了滿足密封式板安裝電源、小型覆蓋區以及至少 200 mA 輸出電流的需求,因此決定採用 RECOM Power 的 945-1068-ND 電源模組。
DAC 由 15 V 電源直接供電,藍牙模組則需要 3.3 V 電源,且此 3.3 V 電源也將為微控制器供電。 線性穩壓器不足以進行 15 V 至 3.3 V 的降壓,因此選用 945-1648-5-ND 切換式穩壓器,其具有小型覆蓋區,最大 28 V 輸入電壓以及 500 mA 輸出能力。
為了協助對外部元件(如主動式散熱)供電的能力,因此選擇 945-1648-5-ND 切換式穩壓器提供 5 V 電源,其具有最大 28 V 輸入電壓和 500 mA 輸出能力。 除了此 5 V 電源外,亦選擇 296-6549-5-ND「電源軌分路器」產生 DAC 輸出電壓一半的電壓,以配合並達到 5 V 供電裝置的線性控制。 採用的端子台零件編號為 277-1274-ND ,用來連接 5 V 電源和「電源軌分路器」電壓。
為了因應 AC 電源和恆定電流 LED 驅動器電線的連接,因此選用零件編號為 277-1247-ND 的端子台,其具備 0.200" 間距,可連接 14 至 30 AWG 電線,並能處理高達 10 A 電流。
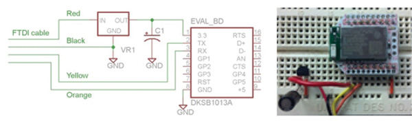
上述零件和支援元件的完整線路圖如以下圖 1 所示。
如上所述,PAN1555 藍牙評估板需要經過配置作為通透 RS-232 介面連接微控制器,且此微控制器需經過編程才能接收資料流並載入 DAC 暫存器。 同樣的,也要提供方法將控制電壓傳送到至藍牙模組。
評估板上的 Panasonic PAN1555 藍牙模組的原廠預設值必須經過重新配置,方能用於此特定應用。 透過 RS-232 有線介面傳送 AT 命令即可達成。 採用 TTL-232R-3V3-WE 等「智慧」USB 纜線就能簡化此作業。 使用此纜線時必須納入兩大考量。 首先,必須從 FTDI 下載免費 USB 驅動程式,才能讓纜線的 FT232R 當作虛擬 COM 連接埠。 其次,此纜線的 TTL 位準雖然為 3.3 V,VCC 電源電壓卻是 USB 連接埠電壓的 5 V。為了在配置期間為評估板供電,此電源電壓必須調降至 3.3 V。電壓調節僅需兩件元件,例如結合 L4931CZ33-AP 3.3 V 穩壓器以及 EEA-GA1H2R2 2.2 μF 電容,如圖 2 所示。

完整的藍牙模組配置步驟說明可在 eewiki.com 取得,請點選:藍牙模組配置。
在探討微控制器編程細節以進行電壓控制資料流的接收與解譯前,必須先決定資訊流的傳送格式。 在此決定採用先前使用於 DigiKey 氣象站的格式。 此格式的組成為傳輸類型字元位元組、類型識別碼位元組,最後是三個資料位元組。 具體而言,字元位元組「D」代表資料,識別碼位元組預設值為「1」,表示只會傳輸單一百分比,接著的三個資料位元組包含所需 D/A 電壓的百位、十位和個位值。 舉例來說,單一 75% 在傳輸時的格式為「D1075」。
決定好百分比資料的傳入格式後,就可對微控制器進行編程,以處理資料流。 編程流程包含設定組態文字(位元)、定義變數與指定暫存器位元、設定 I/O 組態以及初始化 UART。 單純但有效的組譯原始碼,能接收資料流並採用位元觸發載入 DAC,可從 eewiki.com 取得,請點選:組譯原始碼和 Hex 檔案。
請注意,編寫此應用的程式的用意僅限於解譯並載入介於 0% 至 100% 的百分比(增量為 10%)的 DAC。
採用常見裝置(如筆記型電腦與行動電話)進行控制電壓資料流的傳輸,是非常簡單的作業。 若使用後者,僅需找到合適的序列連接埠設定應用程式即可。 若是 Android OS 裝置,Google Play 的 Bluetooth SSP 應用程式是不錯的選擇。 手機與 PAN1555 藍牙模組配對且連線後,使用者就能選擇「鍵盤模式」,然後透過此模式標示並配置 12 個按鍵,傳送特定資訊流,如「D1050」(50%)。 標示且經過配置的按鍵範例畫面如下圖所示。

前述第二種方式,能透過 Microsoft Visual Studio Express™ 使用具有藍牙功能的筆記型電腦傳送控制電壓資料流。 首先必須將 PAN1555 藍牙模組與筆記型電腦進行配對,請寫下筆記型電腦的 COM 連接埠號,以便用於「透過藍牙連線的標準序列」。 透過建立 Visual BasicTM Windows Forms 應用程式產生無線介面(如下圖所示),採用一個序列連接埠,並且包含按鈕和資源圖像,可用來啟動控制電壓資料流的傳輸作業。

完整的 Visual Basic 專案可在 eewiki.com 取得,請點選:Visual Basic 介面範例。
無線資料流傳輸介面和接收器電路能連接至幾乎任何需要 0 至 10 VDC 輸入進行調光控制的恆定電流 LED 驅動器。
其中一款驅動器就是 LXMG221W-0700034-D0-ND。 此裝置具備小型尺寸、通用輸入電壓範圍(90 至 277 VAC)、700 mA 恆定電流輸出、寬廣的輸出電壓範圍(14 至 48 VDC)以及 1 至 10 V 的輸入控制範圍,因此是絕佳的選擇。 最特別的是其低功耗模式,能在控制電壓降至 0.6 V (最大值)以下時關閉 LED。
為了提供完整的無線控制虛擬光源,也必須針對 LED 的其他設計要素、熱介面材料、散熱片、光學元件以及互連元件進行闡述。
為了符合個人偏好的冷白光 LED 陣列 (5000 K),搭配在適當測試電流下具有 1000 lm 以上的光通量,並且接近驅動器輸出電壓上限之順向電壓的產品,因此選擇CXA2011-0000-000P00J050H-ND。
還需要具有優異熱傳導能力的熱介面材料,並且考量到必須符合 LED 陣列的實體尺寸 (22 mm2),因此選擇 1168-2063-ND。
LED 的順向電壓在 700 mA 時約為 43.8 V,因此散熱片至少要能夠處理31 W。 再加上圓形外型、主動散熱以及容易組裝和安裝的需求,因此選擇 1061-1088-ND 40 W 通用散熱片。 為了加強散熱片的主動散熱能力,選擇 1061-1006-ND SynJet 模組以及 1061-1050-ND 電線線束。
最後的兩項設計要素為光學和互連元件,因此選用 WM4788-ND LED 固定座。 從互連的角度來看,此固定座不僅無需焊接至 LED 陣列,還能直接固定在散熱片的 4 至 40 孔樣式上。 鏡片護蓋不足以當作真正的光學元件,但可以分散部份光源,並且保護 LED 陣列。

無線介面和接收器電路的整體目標是控制特定燈具的調光,也可當作測試平台,評估不同 LED、介面材料、散熱片以及LED 驅動器組合在多種驅動電流位準下的效果,確保達到最佳效能。
聲明:各作者及/或論壇參與者於本網站所發表之意見、理念和觀點,概不反映 DigiKey 的意見、理念和觀點,亦非 DigiKey 的正式原則。






