Texas Instruments 的 OPA2604 規格書

1OPA2604
®
FEATURES
LOW DISTORTION: 0.0003% at 1kHz
LOW NOISE: 10nV/Hz
HIGH SLEW RATE: 25V/µs
WIDE GAIN-BANDWIDTH: 20MHz
UNITY-GAIN STABLE
WIDE SUPPLY RANGE: VS = ±4.5 to ±24V
DRIVES 600 LOADS
APPLICATIONS
PROFESSIONAL AUDIO EQUIPMENT
PCM DAC I/V CONVERTER
SPECTRAL ANALYSIS EQUIPMENT
ACTIVE FILTERS
TRANSDUCER AMPLIFIER
DATA ACQUISITION
DESCRIPTION
The OPA2604 is a dual, FET-input operational ampli-
fier designed for enhanced AC performance. Very low
distortion, low noise and wide bandwidth provide
superior performance in high quality audio and other
applications requiring excellent dynamic performance.
New circuit techniques and special laser trimming of
dynamic circuit performance yield very low harmonic
distortion. The result is an op amp with exceptional
sound quality. The low-noise FET input of the
OPA2604 provides wide dynamic range, even with high
source impedance. Offset voltage is laser-trimmed to
minimize the need for interstage coupling capacitors.
The OPA2604 is available in 8-pin plastic mini-DIP
and SO-8 surface-mount packages, specified for the
–25°C to +85°C temperature range.
®
OPA2604
Distortion
Rejection
Circuitry*
(3, 5)
(+)
(2, 6)
(–)
(8)
V+
(1, 7)
V
O
(4)
V–
Output
Stage*
* Patents Granted:
#5053718, 5019789
International Airport Industrial Park • Mailing Address: PO Box 11400, Tucson, AZ 85734 • Street Address: 6730 S. Tucson Blvd., Tucson, AZ 85706 • Tel: (520) 746-1111 • Twx: 910-952-1111
Internet: http://www.burr-brown.com/ • FAXLine: (800) 548-6133 (US/Canada Only) • Cable: BBRCORP • Telex: 066-6491 • FAX: (520) 889-1510 • Immediate Product Info: (800) 548-6132
OPA2604
OPA2604
Dual FET-Input, Low Distortion
OPERATIONAL AMPLIFIER
www.burr-brown.com/databook/OPA2604.html
© 1991 Burr-Brown Corporation PDS-1069E Printed in U.S.A. October, 1997
SBOS006
OPA2604
®
2
SPECIFICATIONS
ELECTRICAL
At TA = +25°C, VS = ±15V, unless otherwise noted.
OPA2604AP, AU
PARAMETER CONDITION MIN TYP MAX UNITS
OFFSET VOLTAGE
Input Offset Voltage ±1±5mV
Average Drift ±8µV/°C
Power Supply Rejection VS = ±5 to ±24V 70 80 dB
INPUT BIAS CURRENT(1)
Input Bias Current VCM = 0V 100 pA
Input Offset Current VCM = 0V ±4pA
NOISE
Input Voltage Noise
Noise Density: f = 10Hz 25 nV/Hz
f = 100Hz 15 nV/Hz
f = 1kHz 11 nV/Hz
f = 10kHz 10 nV/Hz
Voltage Noise, BW = 20Hz to 20kHz 1.5 µVp-p
Input Bias Current Noise
Current Noise Density, f = 0.1Hz to 20kHz 6 fA/Hz
INPUT VOLTAGE RANGE
Common-Mode Input Range ±12 ±13 V
Common-Mode Rejection VCM = ±12V 80 100 dB
INPUT IMPEDANCE
Differential 1012 || 8 || pF
Common-Mode 1012 || 10 || pF
OPEN-LOOP GAIN
Open-Loop Voltage Gain VO = ±10V, RL = 1k80 100 dB
FREQUENCY RESPONSE
Gain-Bandwidth Product G = 100 20 MHz
Slew Rate 20Vp-p, RL = 1k15 25 V/µs
Settling Time: 0.01% G = –1, 10V Step 1.5 µs
0.1% 1 µs
Total Harmonic Distortion + Noise (THD+N) G = 1, f = 1kHz 0.0003 %
VO = 3.5Vrms, RL = 1k
Channel Separation f = 1kHz, RL = 1k142 dB
OUTPUT
Voltage Output RL = 600Ω±11 ±12 V
Current Output VO = ±12V ±35 mA
Short Circuit Current ±40 mA
Output Resistance, Open-Loop 25
POWER SUPPLY
Specified Operating Voltage ±15 V
Operating Voltage Range ±4.5 ±24 V
Current, Total Both Amplifiers IO = 0 ±10.5 ±12 mA
TEMPERATURE RANGE
Specification –25 +85 °C
Storage –40 +125 °C
Thermal Resistance(2),
θ
JA 90 °C/W
NOTES: (1) Typical performance, measured fully warmed-up. (2) Soldered to circuit board—see text.
The information provided herein is believed to be reliable; however, BURR-BROWN assumes no responsibility for inaccuracies or omissions. BURR-BROWN assumes
no responsibility for the use of this information, and all use of such information shall be entirely at the user’s own risk. Prices and specifications are subject to change
without notice. No patent rights or licenses to any of the circuits described herein are implied or granted to any third party. BURR-BROWN does not authorize or warrant
any BURR-BROWN product for use in life support devices and/or systems.
C C C C % j j j j
3OPA2604
®
PIN CONFIGURATION
1
2
3
4
Output A
–In A
+In A
V–
8
7
6
5
V+
Output B
–In B
+In B
Top View DIP/SOIC
ABSOLUTE MAXIMUM RATINGS(1)
Power Supply Voltage ....................................................................... ±25V
Input Voltage ............................................................. (V–)–1V to (V+)+1V
Output Short Circuit to Ground ............................................... Continuous
Operating Temperature ................................................. –40°C to +100°C
Storage Temperature..................................................... –40°C to +125°C
Junction Temperature .................................................................... +150°C
Lead Temperature (soldering, 10s) AP ......................................... +300°C
Lead Temperature (soldering, 3s) AU .......................................... +260°C
NOTE: (1) Stresses above these ratings may cause permanent damage.
ELECTROSTATIC
DISCHARGE SENSITIVITY
Any integrated circuit can be damaged by ESD. Burr-Brown
recommends that all integrated circuits be handled with ap-
propriate precautions. Failure to observe proper handling and
installation procedures can cause damage.
ESD damage can range from subtle performance degradation
to complete device failure. Precision integrated circuits may
be more susceptible to damage because very small parametric
changes could cause the device not to meet published speci-
fications.
ORDERING INFORMATION
PRODUCT PACKAGE TEMP. RANGE
OPA2604AP 8-Pin Plastic DIP –25°C to +85°C
OPA2604AU SO-8 Surface-Mount –25°C to +85°C
PACKAGING INFORMATION
PACKAGE DRAWING
PRODUCT PACKAGE NUMBER(1)
OPA2604AP 8-Pin Plastic DIP 006
OPA2604AU SO-8 Surface-Mount 182
NOTE: (1) For detailed drawing and dimension table, please see end of data
sheet, or Appendix C of Burr-Brown IC Data Book.
sum: aRow~
OPA2604
®
4
TYPICAL PERFORMANCE CURVES
At TA = +25°C, VS = ±15V, unless otherwise noted.
TOTAL HARMONIC DISTORTION + NOISE
vs FREQUENCY
Frequency (Hz)
THD + N (%)
1
0.1
0.01
0.001
0.0001
20 100 1k 10k 20k
G = 100V/V
G = 10V/V
G = 1V/V
Measurement BW = 80kHz
See “Distortion Measure-
ments” for description of
test method.
1k
V =
3.5Vrms
O
OPEN-LOOP GAIN/PHASE vs FREQUENCY
Frequency (Hz)
Voltage Gain (dB)
120
100
80
60
40
20
0
–20
1 10 100 1k 10k 100k 1M 10M
0
–45
–90
–135
–180
Phase Shift (Degrees)
G
φ
INPUT BIAS AND INPUT OFFSET CURRENT
vs TEMPERATURE
Ambient Temperature (°C)
Input Bias Current (pA)
–75
100nA
10nA
1nA
100
10
1
Input Offset Current (pA)
10nA
1nA
100
10
1
0.1
–50 –25 0 25 50 75 100 125
Input
Offset Current
Input
Bias Current
TOTAL HARMONIC DISTORTION + NOISE
vs OUTPUT VOLTAGE
Output Voltage (Vp-p)
THD + N (%)
0.1 1 10 100
0.1
0.01
0.001
0.0001
1k
V
O
f = 1kHz
Measurement BW = 80kHz
See “Distortion Measurements”
for description of test method.
INPUT VOLTAGE AND CURRENT NOISE
SPECTRAL DENSITY vs FREQUENCY
Frequency (Hz)
Voltage Noise (nV/ Hz)
1
1k
100
10
1
10 100 1k 10k 100k 1M
Current Noise (fA/ Hz)
1k
100
10
1
Voltage Noise
Current Noise
INPUT BIAS AND INPUT OFFSET CURRENT
vs INPUT COMMON-MODE VOLTAGE
Common-Mode Voltage (V)
Input Bias Current (pA)
–15
10nA
1nA
100
10
Input Offset Current (pA)
1nA
100
10
1
–10 –5 0 5 10 15
Input
Offset Current
Input
Bias Current
awn BRuwn
5OPA2604
®
TYPICAL PERFORMANCE CURVES (CONT)
At TA = +25°C, VS = ±15V, unless otherwise noted.
INPUT BIAS CURRENT
vs TIME FROM POWER TURN-ON
Time After Power Turn-On (min)
Input Bias Current (pA)
0
1nA
100
10
1
12345
V
S
= ±24VDC
V
S
= ±15VDC
V
S
= ±5VDC
COMMON-MODE REJECTION
vs COMMON-MODE VOLTAGE
Common-Mode Voltage (V)
Common-Mode Rejection (dB)
–15
120
110
100
90
80
–10 –5 0 5 10 15
GAIN-BANDWIDTH AND SLEW RATE
vs SUPPLY VOLTAGE
Supply Voltage (±V
S
)
Gain-Bandwidth (MHz)
5
28
24
20
16
12 10 15 20 25
Slew Rate
Gain-Bandwidth
G = +100
Slew Rate (V/µs)
33
29
25
21
17
GAIN-BANDWIDTH AND SLEW RATE
vs TEMPERATURE
Temperature (°C)
Gain-Bandwidth (MHz)
–75
28
24
20
16
12 –25 25 75 125
Slew Rate (V/µs)
30
25
20
15
10
–50 0 50 100
Slew Rate
Gain-Bandwidth
G = +100
A
OL
, PSR, AND CMR vs SUPPLY VOLTAGE
Supply Voltage (±V
S
)
A
OL
, PSR, CMR (dB)
5
120
110
100
90
80
70 10 15 20 25
CMR
A
OL
PSR
POWER SUPPLY AND COMMON-MODE
REJECTION vs FREQUENCY
Frequency (Hz)
PSR, CMR (dB)
10
120
100
80
60
40
20
0100 1k 10k 100k 1M 10M
CMR
–PSR +PSR
5555::
OPA2604
®
6
TYPICAL PERFORMANCE CURVES (CONT)
At TA = +25°C, VS = ±15V, unless otherwise noted.
25
Slew Rate (V/µs)
30
25
20
15
10
SETTLING TIME vs CLOSED-LOOP GAIN
Closed-Loop Gain (V/V)
Settling Time (µs)
–1
5
4
3
2
1
0–10 –100 –1000
0.01%
0.1%
V
O
= 10V Step
R
L
= 1k
C
L
= 50pF
CHANNEL SEPARATION vs FREQUENCY
Frequency (Hz)
Channel Separation (dB)
10
160
140
120
100
80 100 1k 10k 100k
V
O
=
20Vp-p
A B
R
L
R
L
= 1k
R
L
=
Measured
Output
MAXIMUM OUTPUT VOLTAGE SWING vs FREQUENCY
Frequency (Hz)
Output Voltage (Vp-p)
10k
30
20
10
0100k 1M 10M
V = ±15V
S
SUPPLY CURRENT vs TEMPERATURE
Ambient Temperature (°C)
Supply Current (mA)
–75
14
12
10
8
6–50 –25 0 25 50 75 100 125
V
S
= ±24VDC
V
S
= ±15VDC
V
S
= ±5VDC
Total for Both Op Amps
–10
FPO
Bleed to edge
0 5 10
+10
LARGE-SIGNAL TRANSIENT RESPONSE
Time (µs)
Output Voltage (V)
01µs 2µs
+100
–100
SMALL-SIGNAL TRANSIENT RESPONSE
Time (µs)
Output Voltage (mV)
7OPA2604
®
TYPICAL PERFORMANCE CURVES (CONT)
At TA = +25°C, VS = ±15V, unless otherwise noted.
SHORT-CIRCUIT CURRENT vs TEMPERATURE
Ambient Temperature (°C)
Short-Circuit Current (mA)
–75
60
50
40
30
20 –50 –25 0 25 50 75 100 125
I
SC+
and I
SC–
Supply Voltage, ±V
S
(V)
6 8 10 12 14 16 18 20 22 24
1
0.9
0.8
0.7
0.6
0.5
0.4
0.3
0.2
0.1
Power Dissipation (W)
POWER DISSIPATION vs SUPPLY VOLTAGE
No signal
or no load
Typical high-level
music R
L
= 600
(both channels)
Worst case sine
wave R
L
= 600
(both channels)
Ambient Temperature (°C)
0
1.4
1.2
1.0
0.8
0.6
0.4
0.2
0
Total Power Dissipation (W)
MAXIMUM POWER DISSIPATION vs TEMPERATURE
25 50 75 100 125 150
J-A
= 90°C/W
Soldered to
Circuit Board
(see text)
θ
Maximum
Specified Operating
Temperature
85°C
OPA2604
®
8
APPLICATIONS INFORMATION
The OPA2604 is unity-gain stable, making it easy to use in a
wide range of circuitry. Applications with noisy or high
impedance power supply lines may require decoupling ca-
pacitors close to the device pins. In most cases 1µF tantalum
capacitors are adequate.
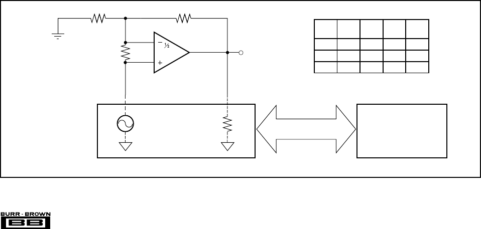
DISTORTION MEASUREMENTS
The distortion produced by the OPA2604 is below the mea-
surement limit of virtually all commercially available equip-
ment. A special test circuit, however, can be used to extend the
measurement capabilities.
Op amp distortion can be considered an internal error source
which can be referred to the input. Figure 1 shows a circuit
which causes the op amp distortion to be 101 times greater
than normally produced by the op amp. The addition of R3 to
the otherwise standard non-inverting amplifier configuration
alters the feedback factor or noise gain of the circuit. The
closed-loop gain is unchanged, but the feedback available for
error correction is reduced by a factor of 101. This extends the
measurement limit, including the effects of the signal-source
purity, by a factor of 101. Note that the input signal and load
applied to the op amp are the same as with conventional
feedback without R3.
Validity of this technique can be verified by duplicating
measurements at high gain and/or high frequency where the
distortion is within the measurement capability of the test
equipment. Measurements for this data sheet were made with
the Audio Precision System One which greatly simplifies
such repetitive measurements. The measurement technique
can, however, be performed with manual distortion measure-
ment instruments.
CAPACITIVE LOADS
The dynamic characteristics of the OPA2604 have been
optimized for commonly encountered gains, loads and oper-
ating conditions. The combination of low closed-loop gain
and capacitive load will decrease the phase margin and may
lead to gain peaking or oscillations. Load capacitance reacts
with the op amp’s open-loop output resistance to form an
additional pole in the feedback loop. Figure 2 shows various
circuits which preserve phase margin with capacitive load.
Request Application Bulletin AB-028 for details of analysis
techniques and applications circuits.
For the unity-gain buffer, Figure 2a, stability is preserved by
adding a phase-lead network, RC and CC. Voltage drop across
RC will reduce output voltage swing with heavy loads. An
alternate circuit, Figure 2b, does not limit the output with low
load impedance. It provides a small amount of positive feed-
back to reduce the net feedback factor. Input impedance of this
circuit falls at high frequency as op amp gain rolloff reduces
the bootstrap action on the compensation network.
Figures 2c and 2d show compensation techniques for
noninverting amplifiers. Like the follower circuits, the circuit
in Figure 2d eliminates voltage drop due to load current, but
at the penalty of somewhat reduced input impedance at high
frequency.
Figures 2e and 2f show input lead compensation networks for
inverting and difference amplifier configurations.
NOISE PERFORMANCE
Op amp noise is described by two parameters—noise voltage
and noise current. The voltage noise determines the noise
performance with low source impedance. Low noise bipolar-
input op amps such as the OPA27 and OPA37 provide very
low voltage noise. But if source impedance is greater than a
few thousand ohms, the current noise of bipolar-input op amps
react with the source impedance and will dominate. At a few
thousand ohms source impedance and above, the OPA2604
will generally provide lower noise.
FIGURE 1. Distortion Test Circuit.
R
2
1 2
OPA2604
R
1
R
3
V
O
= 10Vp-p
(3.5Vrms)
Generator
Output
Analyzer
Input
Audio Precision
System One
Analyzer*
R
L
1kIBM PC
or
Compatible
SIG.
GAIN DIST.
GAIN R
1
R
2
R
3
500
50
5k
5k
5k
50
500
1
10
100
101
101
101
* Measurement BW = 80kHz
9OPA2604
®
FIGURE 2. Driving Large Capacitive Loads.
NOTE: Design equations and component values are approximate. User adjustment is required for optimum performance.
C
C
820pF
R
C
750
C
L
5000pF
e
i
C
C
= 120 X 10
–12
C
L
(a)
e
o
C
L
5000pF
e
i
R
C
=
(b)
R
C
10
C
C
0.47µF
R
2
2k
R
2
4C
L
X 10
10
– 1
C
C
= C
L
X 10
3
R
C
e
o
C
L
5000pF
R
2
10k
R
1
10k
C
C
= 50
R
2
C
L
e
i
R
C
25
C
C
24pF
(c)
e
o
C
L
5000pF
C
L
5000pF
R
2
2k
R
1
2k
e
i
R
C
20
C
C
0.22µF
(d)
R
C
= R
2
2C
L
X 10
10
– (1 + R
2
/R
1
)
e
o
C
L
5000pF
R
2
2k
R
1
2k
e
i
R
C
20
C
C
0.22µF
(e)
R
C
= R
2
2C
L
X 10
10
– (1 + R
2
/R
1
)
e
o
R
2
2k
R
1
2k
e
1
R
C
20
C
C
0.22µF
(f)
R
C
= R
2
2C
L
X 10
10
– (1 + R
2
/R
1
)
R
3
2k
e
2
R
4
2k
e
o
1 2
OPA2604
1 2
OPA2604
1 2
OPA2604
1 2
OPA2604
1 2
OPA2604
1 2
OPA2604
C
C
= C
L
X 10
3
R
C
C
C
= C
L
X 10
3
R
C
C
C
= C
L
X 10
3
R
C
OPA2604
®
10
Copper leadframe construction used in the OPA2604 im-
proves heat dissipation compared to conventional plastic
packages. To achieve best heat dissipation, solder the device
directly to the circuit board and use wide circuit board traces.
OUTPUT CURRENT LIMIT
Output current is limited by internal circuitry to approxi-
mately ±40mA at 25°C. The limit current decreases with
increasing temperature as shown in the typical curves.
FIGURE 4. Three-Pole Generalized Immittance Converter (GIC) Low-Pass Filter.
R
5
2kΩ
V
O
C
3
1000pF
Low-pass
3-pole Butterworth
f
–3dB
= 40kHz
R
1
6.04kΩ
V
IN
R
2
4.02kΩ
R
2
4.02kΩ
C
2
1000pF
C
1
1000pF
R
4
5.36kΩ
See Application Bulletin AB-026
for information on GIC filters.
1 2
OPA2604
1 2
OPA2604
1 2
OPA2604
FIGURE 3. Three-Pole Low-Pass Filter.
POWER DISSIPATION
The OPA2604 is capable of driving 600 loads with power
supply voltages up to ±24V. Internal power dissipation is
increased when operating at high power supply voltage. The
typical performance curve, Power Dissipation vs Power Sup-
ply Voltage, shows quiescent dissipation (no signal or no
load) as well as dissipation with a worst case continuous sine
wave. Continuous high-level music signals typically produce
dissipation significantly less than worst case sine waves.
R
4
22k
R
3
10kV
O
C
2
2000pF
R
2
22k
C
1
3000pF
R
1
2.7k
V
IN
f
p
= 20kHz
C
3
100pF
1 2
OPA2604
‘44F
11 OPA2604
®
FIGURE 6. Differential Amplifier with Low-Pass Filter.
FIGURE 5. DAC I/V Amplifier and Low-Pass Filter.
V
O
G = 1
100pF
–
V
IN
+
7.87k
7.87k
10k10k
10k10k
100kHz Input Filter
1 2
OPA2604
1 2
OPA2604
1 2
OPA2604
R
3
21k
V
O
R
2
2.94k
R
1
= Feedback resistance = 2k
f
c
= Crossover frequency = 8MHz
I-Out DAC
C
3
470pF
C
1
*
C
2
2200pF
R
1
2k
* C
1
= C
OUT
2π R
1
f
c
C
OUT
Low-pass
2-pole Butterworth
f
–3dB
= 20kHz
~
1 2
OPA2604
1 2
OPA2604
OPA2604
®
12
FIGURE 7. High Impedance Amplifier.
FIGURE 9. Using the Dual OPA2604 Op Amp to Double the Output Current to a Load.
FIGURE 8. Digital Audio DAC I-V Amplifier.
VO = ±3Vp
Rf = Internal feedback resistance = 1.5k
fc = Crossover frequency = 8MHz
C1*
* C1 COUT
2π Rf fc
To low-pass
filter.
1 2
OPA2604
5
6
9
PCM63
20-bit
D/A
Converter
10
A
1
A
2
V
IN
R
1
R
2
i
1
R
4
51
I
2
1/2 OPA2604
R
3
51
I
L
= I
1
+ I
2
Load
V
OUT
= V
IN
(1 + R
2
/R
1
)
V
OUT
1/2 OPA2604
G = 101
(40dB)
10010k
Piezoelectric
Transducer
1M*
* Provides input bias
current return path.
OPA2604
1 2
{1‘ TEXAS INSTRUMENTS
PACKAGING INFORMATION
ORDERABLE DEVICE STATUS(1) PACKAGE TYPE PACKAGE DRAWING PINS PACKAGE QTY
OPA2604AP ACTIVE PDIP P 8 50
OPA2604AU ACTIVE SOIC D 8 100
OPA2604AU/2K5 ACTIVE SOIC D 8 2500
(1) The marketing status values are defined as follows:
ACTIVE: Product device recommended for new designs.
LIFEBUY: TI has announced that the device will be discontinued, and a lifetime-buy period is in effect.
NRND: Not recommended for new designs. Device is in production to support existing customers, but TI does not recommend using this part in
a new design.
PREVIEW: Device has been announced but is not in production. Samples may or may not be available.
OBSOLETE: TI has discontinued the production of the device.
PACKAGE OPTION ADDENDUM
www.ti.com 3-Oct-2003
IMPORTANT NOTICE
Texas Instruments Incorporated and its subsidiaries (TI) reserve the right to make corrections, modifications,
enhancements, improvements, and other changes to its products and services at any time and to discontinue
any product or service without notice. Customers should obtain the latest relevant information before placing
orders and should verify that such information is current and complete. All products are sold subject to TI’s terms
and conditions of sale supplied at the time of order acknowledgment.
TI warrants performance of its hardware products to the specifications applicable at the time of sale in
accordance with TI’s standard warranty. Testing and other quality control techniques are used to the extent TI
deems necessary to support this warranty. Except where mandated by government requirements, testing of all
parameters of each product is not necessarily performed.
TI assumes no liability for applications assistance or customer product design. Customers are responsible for
their products and applications using TI components. To minimize the risks associated with customer products
and applications, customers should provide adequate design and operating safeguards.
TI does not warrant or represent that any license, either express or implied, is granted under any TI patent right,
copyright, mask work right, or other TI intellectual property right relating to any combination, machine, or process
in which TI products or services are used. Information published by TI regarding third-party products or services
does not constitute a license from TI to use such products or services or a warranty or endorsement thereof.
Use of such information may require a license from a third party under the patents or other intellectual property
of the third party, or a license from TI under the patents or other intellectual property of TI.
Reproduction of information in TI data books or data sheets is permissible only if reproduction is without
alteration and is accompanied by all associated warranties, conditions, limitations, and notices. Reproduction
of this information with alteration is an unfair and deceptive business practice. TI is not responsible or liable for
such altered documentation.
Resale of TI products or services with statements different from or beyond the parameters stated by TI for that
product or service voids all express and any implied warranties for the associated TI product or service and
is an unfair and deceptive business practice. TI is not responsible or liable for any such statements.
Following are URLs where you can obtain information on other Texas Instruments products and application
solutions:
Products Applications
Amplifiers amplifier.ti.com Audio www.ti.com/audio
Data Converters dataconverter.ti.com Automotive www.ti.com/automotive
DSP dsp.ti.com Broadband www.ti.com/broadband
Interface interface.ti.com Digital Control www.ti.com/digitalcontrol
Logic logic.ti.com Military www.ti.com/military
Power Mgmt power.ti.com Optical Networking www.ti.com/opticalnetwork
Microcontrollers microcontroller.ti.com Security www.ti.com/security
Telephony www.ti.com/telephony
Video & Imaging www.ti.com/video
Wireless www.ti.com/wireless
Mailing Address: Texas Instruments
Post Office Box 655303 Dallas, Texas 75265
Copyright 2003, Texas Instruments Incorporated