MAX5982A/B/C 高功率 MOSFET
Analog Devices 的 MAX5982A/B/C 受電裝置介面控制器具有整合式 70 W 高功率 MOSFET 並且符合 IEEE 802.3af/at 標準
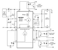
Analog Devices 的 MAX5982A/MAX5982B/MAX5982C 提供完整的受電裝置 (PD) 介面,符合乙太網路供電 (PoE) 系統的 IEEER802.3af/at 標準。 MAX5982A/MAX5982B/MAX5982C 為 PD 提供偵測簽章、分類簽章以及具有湧入電流控制的整合式隔離電源開關。 在電流湧入期間,MAX5982A/MAX5982B/MAX5982C 會將電流限制在 182 mA 以內,並在隔離電源 MOSFET 完全啟用後再切換到較高的電流限制(1700 mA 至 2100 mA)。 這些元件配備輸入 UVLO,具有寬遲滯與長抑制突波時間,可補償雙絞線的電阻壓降,並確保在電源開啟/關閉期間達到無突波轉換。 MAX5982A/MAX5982B/MAX5982C 最高可承受 100 V 的輸入電壓。
MAX5982A/MAX5982B/MAX5982C 支援 IEEE 802.3 標準所指定的雙事件分類法,並可在二類供電設備 (PSE) 探測時發出訊號指出此情況。 本系列元件可偵測牆面配接器電源的連接狀態,並允許從 PoE 電源順利地切換至牆面電源配接器。
MAX5982A/MAX5982B/MAX5982C 還提供電源良好 (PG) 訊號、兩級電流限制與折返、過熱保護及 di/dt 限制。 MAX5982A/MAX5982B 的睡眠模式可降低功耗,同時支援維持功率特徵 (Maintain Power Signature, MPS)。 MAX5982A/MAX5982B 具有超低功率睡眠模式,進一步降低功耗的同時仍支援 MPS。 MAX5982A/MAX5982B 還配備 LED 驅動器,可在睡眠模式期間自動啟動。
MAX5982A/MAX5982B/MAX5982C 採用 16 引腳、5 mm x 5 mm、TQFN 功率封裝。 本系列元件可在 -40°C 至 +85°C 的延伸溫度範圍內工作。
| 特點 | ||
|
|
|
| 應用 | ||
|
|
MAX5982A/B/C High-Power MOSFET
| 圖片 | 製造商零件編號 | 說明 | 現有數量 | 價格 | ||
|---|---|---|---|---|---|---|
![]() | ![]() | MAX5982AETE+T | IC POE CNTRL 1 CHANNEL 16TQFN | 0 - 即時供貨 2500 - 工廠存貨 | $355.00 | 查看詳情 |
![]() | ![]() | MAX5982BETE+ | IC POE CNTRL 1 CHANNEL 16TQFN | 25 - 即時供貨 1080 - 工廠存貨 | $355.00 | 查看詳情 |
![]() | ![]() | MAX5982CETE+T | IC POE CNTRL 1 CHANNEL 16TQFN | 0 - 即時供貨 10000 - 工廠存貨 | $355.00 | 查看詳情 |



