MPM3811 電源模組採用小型 QFN 封裝
MPS 的 MPM3811 2.3 V 至 5.5 V 輸入、1 A 電源模組,採用小型 2 mm x 2 mm x 1.6 mm QFN 封裝
Monolithic Power Systems 的 MPM3811 是單晶片、降壓、切換式轉換器,具有內建、內部功率 MOSFET 和電感。MPM3811 能在 2.3 V 至 5.5 V 輸入電壓下達到 1 A 連續輸出電流,並具有優異的負載和線路調節能力。MPM3811 非常適合多種應用,包括高效能 DSP、無線電力、可攜式和行動裝置,以及其他低功率系統。輸出電壓可以調節至最低 0.6 V。僅需輸入電容、輸出電容以及回授 (FB) 電阻,即可完成設計。
恆定導通時間 (COT) 控制機制可提供快速暫態反應、輕度負載高效率,以及簡易的迴路穩定性。完整防護功能包括逐週期電流限制和熱關斷。MPM3811 僅需要最少數量的現成可用標準型外接元件,並提供超小型 QFN-10 (2 mm x 2 mm x 1.6 mm) 封裝。
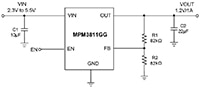
方塊圖
- 峰值效率高達 91%
- 寬廣的工作輸入範圍:2.3 V 至 5.5 V
- 輸出電壓波最低至 0.6 V
- 壓降時 100% 工作週期
- 輸出電流 1 A
- 頻率為 2.2 MHz
- EN 可達到電源定序
- 逐週期過電流保護 (OCP)
- 內部軟啟動 (SS) 時間:0.5 ms
- 輸出放電
- 短路保護 (SCP) 搭配打嗝模式
- 熱關斷
- 使用低 ESR 輸出陶瓷電容達到穩定
- 提供 QFN10 (2 mm x 2 mm x 1.6 mm) 封裝
- 光學模組
- IoT 裝置
- 手持式列印機/POS
- 可攜式裝置
- 低電壓 I/O 系統電源
- 空間受限的系統
MPM3811 Power Module
| 圖片 | 製造商零件編號 | 說明 | 現有數量 | 價格 | 查看詳情 | |
|---|---|---|---|---|---|---|
![]() | ![]() | MPM3811GG-P | DC DC CONVERTER 0.6-1.2V | 2573 - 即時供貨 | $82.00 | 查看詳情 |
![]() | ![]() | MPM3811GG-Z | DC DC CONVERTER 0.6-1.2V | 6085 - 即時供貨 | $69.00 | 查看詳情 |





