常見的MOSFET驅動拓撲與電路設計技巧大公開
2025-10-16
常見的MOSFET驅動電路拓撲(Topologies),包括低側驅動、高側驅動、推挽驅動、自舉驅動、光隔離驅動、全橋/半橋驅動,這些驅動方式會根據MOSFET的類型(N-channel或P-channel)、安裝位置(高側/低側)、開關頻率及功率等條件而有所不同。
1. 低側驅動(Low-side Drive)
在低側驅動的結構中,N-MOSFET安裝在負載與接地之間(負載在上、MOSFET在下),閘極由MCU或驅動器輸出電壓直接控制,其適用於LED調光、馬達啟動、開關控制、電源管理等場景,以及多數PWM控制場景(Buck降壓轉換器)。
低側驅動具有N-MOSFET導通阻抗低、開關速度快、成本低的優點,驅動簡單,可直接由MCU控制,但接地端可能產生電流突波,影響訊號品質(需注意接地分離與濾波),不適合做高側電源切換。
採用低側驅動設計時,首先應選擇適當的MOSFET,應確保MOSFET的閾值電壓(Vth)低於驅動電壓,以便完全導通,並選擇具有低導通電阻(RDS(on))的MOSFET,以減少功率損耗和熱量產生。
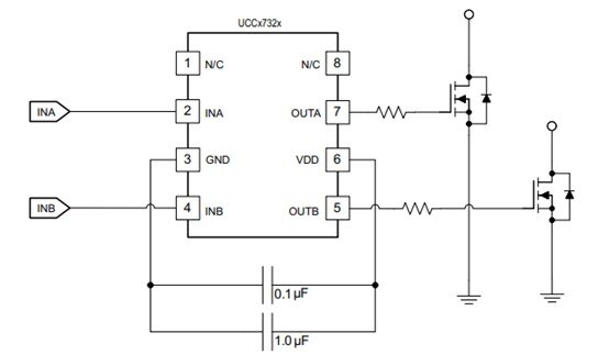
UCCx732x低側驅動電路範例
在驅動電壓與電流考量方面,應確保驅動電壓足以使MOSFET完全導通。以上圖為例,針對高速開關應用,使用TI UCC27324 高速雙路MOSFET驅動器,可提供高達4A峰值拉電流和4A峰值灌電流,輸出級還可並聯使用,以提供更高的單路驅動電源。
在閘極電阻設計時,應採用適當的閘極電阻,以控制MOSFET的開關速度,減少電磁干擾(EMI),並有助於防止閘極振盪現象。此外,應採用閘極拉低電阻以防止誤導通,在驅動器關閉時,拉低電阻可確保MOSFET保持關閉狀態,防止因浮動電壓而誤導通。在設計PCB佈局與接地時,應最小化迴路面積,減少電流迴路的面積,以降低EMI,並採用良好的接地設計,確保驅動器和功率MOSFET具有良好的接地連接,避免地電位差引起的問題。
2. 高側驅動(High-side Drive)
高側驅動的結構是將MOSFET接在電源與負載之間(負載在下、MOSFET在上),多為P-MOSFET或搭配N-MOSFET加上驅動器(Bootstrap),適用於控制電源開關(如電池正端開關、電源管理)、H-Bridge半橋/全橋驅動中的高側場景。
高側驅動具有適合電源正端控制,斷開時整個負載為浮地,安全性較高的優點,可應用於鋰電池切換、防反接保護,但其P-MOSFET的Rds(on)較高、性能稍差。若用N-MOSFET高側驅動,需採用自舉電路(Bootstrap)或電荷幫浦(charge pump)來增加控制複雜度。
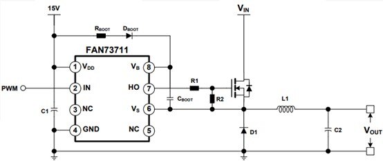
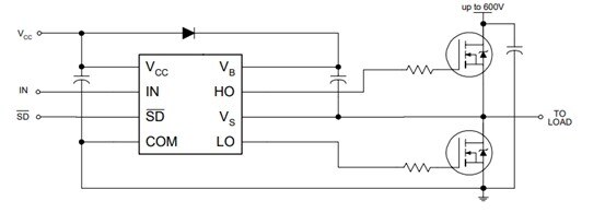
FAN73711高側驅動電路範例
在採用高側驅動設計時,需先考慮驅動電壓需求,高側N通道MOSFET的源極電壓會隨負載電壓上升,因此其閘極需比源極高出約10V以確保完全導通。在採用自舉(Bootstrap)電路時,常用於提供高側驅動所需的電壓。自舉電容需在MOSFET關閉期間充電,因此不適用於長時間導通的應用。以上圖的高側驅動電路為例,使用了一個onsemi的FAN73711,輸入端支持3.3V或5V數位訊號直接驅動。
對於需要長時間導通或高可靠性的應用,可採用隔離式驅動,如光耦合器、變壓器或電容式隔離,以提供穩定的高側驅動電壓。此外,在設計中應包含保護機制,像是過電壓保護、欠電壓鎖定(UVLO)和短路保護等功能,以防止元件損壞。在PCB佈局方面,應注意減少寄生電感和電容,確保驅動訊號的完整性,並避免因佈局不當導致的EMI問題。
3. 推挽驅動(Push-Pull Drive)
推挽驅動的結構是由兩顆MOSFET或雙極電晶體構成,形成一對互補輸出,驅動端交替導通,用於提升或下降閘極電壓,適用於閘極驅動IC輸出級(如Microchip TC4420和TC4429 等)、高頻率、高電流開關驅動(如PWM控制、馬達控制)等場景。
推挽驅動具有能快速充放閘極電容(快速開關)、提供強驅動能力(>2A)、降低交越損耗的優點,但其成本略高、控制較複雜,且需處理死區時間(Dead Time)避免上下導通產生貫通電流。
在推挽驅動的設計注意事項方面,需要防止交越導通(Shoot-Through),這是因為在推挽驅動中,兩個驅動器需交替導通,若未設置適當的死區時間,可能導致上下驅動器同時導通,造成短路。此外,還需控制開關速度,過快的開關速度可能引起電磁干擾(EMI)和振盪,透過調整閘極電阻值,可控制開關速度,降低EMI。
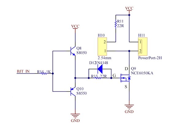
三極體低側推挽驅動電路範例
以上圖採用三極體低側推挽驅動電路為例,驅動三極體可以使用8050 或8550,或者B772 和D882,此處測試使用的電源是DC 12V,所以不需要額外的電源提供驅動電壓,如果負載端的電壓高於控制電壓,就要將驅動電壓降到MOSFET的Vgs的最大範圍內。
另一方面,應選擇適當的驅動電流,根據MOSFET的閘極電荷和所需的開關速度,選擇具有足夠驅動電流能力的驅動器,以確保MOSFET能快速充放電。此外,應具有良好的PCB佈局,減少驅動路徑的寄生電感和電容,確保驅動訊號的完整性,並避免因佈局不當導致的EMI問題。
4. 自舉電路驅動(Bootstrap Drive)
自舉電路驅動的結構是利用電容將低側MOSFET導通時的電壓差儲存在電容中,再用此電壓驅動高側N-MOSFET,其適用於半橋或全橋電路(如變頻器、馬達驅動器),可提升Vgs驅動高側MOSFET等場景。
自舉電路驅動可用N-MOSFET當高側來降低Rds(on)以提升效率,並具有成本低、簡單可靠的優點,但當高側MOSFET無法長時間導通時,需定期刷新自舉電容,並受限於PWM最低佔空比,需要有足夠時間讓自舉電容充電。
自舉電路驅動在設計時,首先要考慮自舉電容(C_boot)的選擇,在容量計算上,自舉電容應至少為高側MOSFET閘極電容的10倍,以確保在開關期間提供足夠的電荷。選擇時應使用低等效串聯電阻(ESR)和低等效串聯電感(ESL)的多層陶瓷電容(MLCC),以減少電壓漣波和提高可靠性。
在自舉二極體的選擇方面,應選擇具有低正向壓降和快速恢復特性的蕭特基二極體,以減少功率損耗和提高開關速度。在自舉電阻(R_boot)的應用上,應限制啟動期間通過自舉二極體的峰值電流,保護元件免受損壞。此外,電阻值需平衡充電時間和電流限制,避免過大的充電延遲或過高的啟動電流。
在佈局考量上,應將自舉電容和二極體盡可能靠近驅動器IC,減少寄生電感和電阻,提升系統性能,並最小化高電流路徑的迴路面積,降低電磁干擾(EMI)和電壓尖峰。
在應用上,需要注意導通時間限制。自舉電路不適用於高側MOSFET長時間導通,因為電容可能無法持續提供足夠的電壓。在低頻或靜態應用中,自舉電容可能無法充分充電,建議使用隔離式驅動方案。
MOSFET自舉驅動電路範例
以上圖的自舉驅動電路為例,此圖展示了高度簡化的高側MOSFET閘極驅動電路,分別用於驅動有刷和無刷馬達的H橋或三相H橋相關的高度簡化的電路,自舉電容器C1為MOSFET閘極驅動提供能量,閘極驅動直接取自光隔離器的輸出電晶體。該電路使用共集電極配置,以便NPN電晶體將MOSFET上拉至自舉電壓。關斷時,電阻器R2將透過R4限流電阻器對MOSFET閘極放電。市面上常見的自舉驅動IC包括TI UCC27710、Infineon EiceDRIVER系列。
5. 光偶隔離驅動(Opto-Isolated Drive)
光偶隔離驅動的結構是透過光耦(Optocoupler)連接到MOSFET的閘極,將邏輯側與功率側電隔離,常搭配隔離型閘極驅動器,適用於工業控制、電源模塊、馬達驅動、高壓系統(>60V)等場景,以及對安全要求高的應用。光偶隔離驅動具有完整隔離控制與功率路徑、增強耐噪性與ESD保護的優點,但其成本與體積較大,並受到傳輸延遲與頻寬限制(視光耦速度而定)。
光偶隔離驅動在設計時應先選擇專為驅動MOSFET設計的光耦合器,如onsemi的FOD3182 或Broadcom的HCPL-3180,這些元件具有足夠的輸出電流能力,能夠快速充放MOSFET的閘極電容,實現快速開關。此外,還應考慮驅動電流能力,光耦合器的輸出電流必須足以驅動MOSFET的閘極。若光耦合器的輸出電流不足,可能需要在其輸出端添加一級緩衝放大器,如達林頓對(Darlington pair)或MOSFET驅動器IC,以提供足夠的驅動電流。
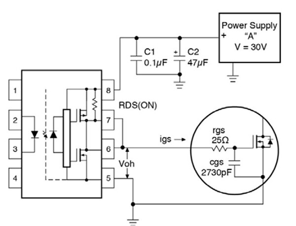
FOD3182光耦隔離MOSFET驅動電路範例
另一方面,應設計適當的閘極電阻,在光耦合器的輸出與MOSFET閘極之間添加適當的電阻,可以控制開關速度,減少振盪和EMI,電阻值的選擇需在開關速度和電磁干擾之間取得平衡。此外,應設置閘極下拉電阻,在MOSFET的閘極與源極之間添加下拉電阻,確保在光耦合器未導通時,MOSFET保持關閉狀態,防止因閘極懸空而導致的誤導通。另外還需注意光耦合器的開關速度,光耦合器的開關速度會影響整個電路的響應速度,應選擇具有快速上升和下降時間的光耦合器,以滿足高頻開關應用的需求。
6. 全橋/半橋驅動(H-Bridge / Half-Bridge)
全橋/半橋驅動的結構是使用4顆或2顆N-MOSFET來控制正反向電流流動,常見於DC馬達正反轉控制、變頻器、UPS等,適用於馬達控制(DC、步進)、功率變頻器、再生煞車系統等場景。
全橋/半橋驅動具有可進行雙向電流控制(正反轉)、能回收能量(再生煞車)的優點,但也有控制複雜,需精確控制死區,以及高側MOS仍需自舉或隔離驅動的缺點。
全橋/半橋驅動在設計上應防止交越導通(Shoot-Through),在全橋和半橋拓撲中,需確保上下MOSFET不會同時導通,以防止電源短路,這通常透過設置適當的死區時間來實現。此外,高側MOSFET的驅動通常依賴自舉電路,設計時需確保自舉電容有足夠的容量,並選擇低正向壓降的二極體,以保證高側MOSFET能夠可靠導通。
另一方面還需控制開關速度,過快的開關速度可能引起電磁干擾(EMI)和振盪,透過調整閘極電阻值,可控制開關速度,降低EMI,並進行適當的PCB佈局,將有助於減少寄生電感和電容,確保驅動訊號的完整性,並避免因佈局不當導致的EMI問題。
IR2104半橋驅動電路範例
以上圖的半橋驅動電路違例,半橋驅動的MOS三極體分成上橋臂與下橋臂,採用Infineon IR2104 便可用一個輸入訊號同時控制上下橋臂,內部便具有死區時間,選擇MOSFET時要注意開關速度與死區時間。單獨使用半橋驅動一般應用在同步DC-DC整流,在馬達控制或變頻器中,通常會使用兩個半橋,構成一個全橋來使用。
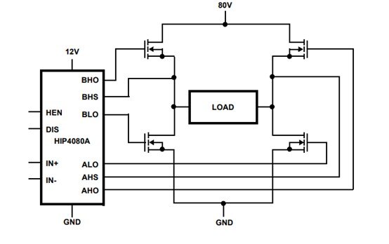
HIP4080A全橋驅動電路範例
以上圖瑞薩的HIP4080A 全橋驅動電路為例,四個橋臂以四個輸入單獨來控制,也可以使用兩個輸入控制四個橋臂。若再加一個反向器,只需要一個PWM訊號即可控制四個橋臂,並且可以透過DEL接腳配置死區時間。全橋一般應用在單向變頻器,或需要控制速度和方向的直流馬達驅動中。
|
結語
深入探討了各種MOSFET的電路設計拓撲後,可以了解選擇合適的電路設計拓撲與掌握正確的設計技巧,是確保系統穩定性、開關效率與安全性的關鍵。不論是簡單的低側驅動,還是複雜的全橋電路,設計者都必須根據實際應用需求,仔細考慮電壓電流規格、開關頻率、驅動能力與保護機制等要素。
掌握如自舉原理、死區控制、驅動電流匹配、以及隔離防護等技巧,不僅能大幅提升驅動效率,還能有效延長MOSFET與系統壽命。隨著電源電子與智慧控制應用不斷擴展,MOSFET驅動技術也將持續演進,帶來更多可能性,讓我們善用這些設計技巧,打造更高效率、更可靠、更智慧的電子系統!
為協助您快速瞭解MOSFET驅動電路的設計技巧,DigiKey特別提供相關的影片介紹,以幫助您加快設計相關電路的速度,歡迎點擊觀看。
更多相關技術與精選內容
聲明:各作者及/或論壇參與者於本網站所發表之意見、理念和觀點,概不反映 DigiKey 的意見、理念和觀點,亦非 DigiKey 的正式原則。






















