請安靜!在產品中加入警報器要符合需求
我熱愛英國的黑白懸疑老電影,就是在 1950 年代這篇冗長卻富有見解的文章《簡單的謀殺藝術》(The Simple Art of Murder) 中所探討的類型,作者是偵探小說家 Raymond Chandler。(別笑,每個人都有獨特的喜好!)1946 年的《綠色的危險》(Green for Danger) 我最喜歡的電影之一。內容描述二戰期間,在英國鄉村一家醫院裡一些看似意外死亡的事件,當然,並非真的都是意外。
我第一次看這部電影時,有個非常戲劇化的大恢復室場景。與現今的許多醫院環境相比,那間擁擠的房間異常安靜,沒有嗶嗶聲、鳴音、韻律聲或是 EKG 監視器的警鈴聲、血壓裝置、輸液幫浦、呼吸器,或其他會干擾人的設備。會這麼安靜,單純只是因為當時沒有使用任何與病患連接的醫療電子裝置。沒有任何聲響,讓我更專注在這個場景上,而不會分心。
現在已有了大幅變化,醫院環境不再如此安靜。手術室、加護病房、恢復室,甚至於病房都擺滿了電子設備,充滿著相關的刺耳聲響;每一種聲響都各有用途,但在許多情況下,仍然成為不和諧的合奏。這些噪音不僅對病患無益,同時發出的許多聲音還會造成「遮蔽效應」,讓頭腦會無法分辨獨立的聲音 (通常是警報),以及各自代表的意思。事實上,這麼多警鈴和警報會造成反效果,導致醫療人員決定忽略或乾脆關掉以求清靜。
近幾年來,有相反的趨勢。獨立的醫療儀器開始連成網路,醫院也將加護病房及高度照護區的病患監測器升級,以便向鄰近的護理站安靜回報。在此配置中,一名以上的護士會以多重螢幕查看多間房間,這些螢幕會閃爍警示,聲音只會留給關鍵的警報情況。在每個病床旁邊放置的各種不同裝置不須發出各種聲響,這些聲響無法提供太大的立即用途。
不過,在醫療環境中,聲音還是有其必要性。甚至有標準廣泛的定義醫療電子裝置應該發出的聲響及其條件。儘管文章標題有些平淡,ISO/IEC 60601-1-8 《醫療電子設備 - 第 1-8 篇:基本安全和必要效能的一般需求》是這類應用利基的音訊關鍵標準。
發出有用的聲響
無論是醫療或其他應用,需要在產品中加入音訊輸出時,如果只要求符合規範,通常會運用簡單的解決方案。可從 Mallory Sonalert 的 ASI12N35MTRQ 壓電架構蜂鳴器開始使用:沒有更簡單的方案了 (圖 1)。此自激單元僅需一個 DC 電壓,即可產生 3500 ±500 Hz 的基本聲調。採用 3 V 至 15 V 的電源直接操作,在 12 V 時僅消耗 10 mA,可在 10 cm 的距離提供83 dB。
圖 1:ASI12N35MTRQ 壓電架構蜂鳴器是自激單元,僅需施加 DC 電壓;能以 12 V 電源發出引人注意的 3500 Hz、83 dB 聲響。(圖片來源:Mallory Sonalert)
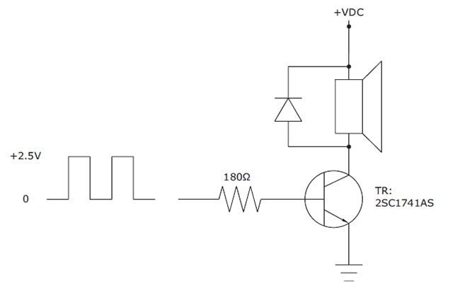
當然,在一些情況下,固定頻率的音頻輸出太有限。在這些情況下,可以考慮使用 CUI Devices 的 CT-1205H-SMT-TR 磁性蜂鳴器傳感器。此元件可以產生 200 Hz 至 5 kHz 的聲響 (圖 2)。
圖 2:CT-1205H-SMT-TR 磁性蜂鳴器傳感器可以產生音訊頻譜低頻的基礎聲響,約為 200 Hz 至 5 kHz。(圖片來源:CUI Devices)
能以 3 V 至 7 V 電源操作,從 5 V 電源消耗 60 mA,提供 92 dB (典型值)、2400 Hz 的聲響。此元件所需的驅動電路也很簡單:涵蓋一個單一電晶體,能由軟體控制的數位輸出引腳開啟和關閉,以產生預期的頻率和時間模式的方波 (圖 3)。
圖 3:跨頻譜磁性蜂鳴器 CT-1205H-SMT-TR 並非自激元件,但還是能以簡單的方波在預期的頻率下輕鬆驅動。(圖片來源:CUI Devices)
音訊過載:並非只是醫療裝置的問題
減少整體音訊數量是個好主意,並非只是為了避免屏蔽現象。即使一次只有發出一個聲音,通常消費型裝置的終端使用者還是會感到困惑。我的 2019 年 Subaru Outback 有至少 15 種不同的聲調模式,許多難以分辨。有些嗶嗶聲、鳴響、叮咚聲有明確的用途,例如頭燈未關,但還有很多聲響無法明白。當然,發出聲響時幾乎難以錄製,或讓它再響一次。我可以試著向經銷商說明發出的聲音,但他們大概也會沒有頭緒。
我甚至於上網查看是否有這些聲響的音訊檔案及其含意 (例如「叮叮咚咚」表示快要沒油了),但都徒勞無功。我也研究過針對這些車輛發出的聲音是否有 SAE 或 IEC 標準,類似於火車哨音和喇叭聲,但顯然沒有。
結論
使用壓電蜂鳴器、磁性蜂鳴器,甚至小型擴音器,您有各種可行的方式在產品中建立聲響,讓人想要將這個功能發揮到極致。但若要在產品中加入警報或聲響,多不一定代表好。雖然原則上,聲音能提供有用的用途,但太多卻會適得其反。所以,您在大肆使用前,務必以終端使用者的角度謹慎思考。順道一提,您如果找到汽車聲響的「解密」清單,請務必跟我說!
建議參閱:
Have questions or comments? Continue the conversation on TechForum, Digi-Key's online community and technical resource.
Visit TechForum



