Challenges and Solutions to Powering DSPs, ASICs, and FPGAs Using Power Modules

By Steve Taranovich

Contributed By Electronic Products


Modular, high-density POL (point-of-load) power DC/DC converters have some excellent advantages over other power management architectures. These DC/DC product solutions are well-suited to powering designs that include DSP, FPGA, and ASIC core and I/O requirements from 0.8 to 3.65 V. While silicon suppliers offer solutions for powering these devices using discrete components (Controller ICs, MOSFETs, capacitors, resistors, inductors, etc.), and these types of solutions may be initially attractive in terms of pure BOM cost, modular solutions are often lower in overall cost for many applications and provide the following significant advantages:
  • Faster time to market
  • Minimal risk of design errors
  • Scalable offering from 0 A to (5 x 50 A) = 250 A
  • Minimal engineering resources
  • Digital and analog versions of the new high density
  • Reduced assembly time
  • Highest power density
  • Pre-characterized electrical and thermal performance
  • International safety approvals
  • Sequencing Management
  • Proven reliability >3 billion hours MTBF
  • Lower total cost solution
  • Reduced BOM – 1 part vs.10 to 20
  • Synchronization and power-good features
  • Wide input voltage range 2.4 to 14.4 V
  • High-frequency switching reduces discrete components (external input and output capacitor requirements)
  • Fully tested EMC performance
Digital power modular solutions

Today’s advanced electronic systems have complex power requirements involving multiple rails at different voltages. Digital power modules are uniquely suited to solve these complex system power challenges. They are highly integrated and designed to be universal building blocks that can be easily combined and adapted to varying system requirements. They require minimal external circuitry, reducing board space requirements and simplifying the design process.

As FPGA, DSP, ASIC, and microprocessor designs become increasingly sophisticated, there is a growing need for intelligent power management solutions with accurate current monitoring and control. New developments in digital control technology give customers a high degree of power system optimization while accelerating design time. The following designs can apply to FPGA, DSP, ASIC and microprocessors with minor adaptation.

Xilinx is using the Texas Instruments (TI) ML605 Evaluation kit as a digital solution for its Virtex-6 and Spartan-6 FPGAs. This enables design teams to spend less time developing the infrastructure of an application and more time building differentiating features into the end application (Figure 1).

ML605 power block diagram

Figure 1: ML605 power block diagram (Courtesy of Texas Instruments).

Intersil’s Zilker Labs product line includes the ZL9117M, a digital DC/DC converter that operates over the PMBus at 17 A, performs over a wide input voltage range and supports an output voltage range of 0.6 to 3.6 V, which can be set by external resistors or via PMBus. This is a viable solution for core and I/O power.

Intersil’s ZL2106 is an integrated solution for powering FPGAs (Figure 2).

Intersil’s Zilker Labs digital power solution

Figure 2: Intersil’s Zilker Labs digital power solution for FPGAs and memory (Courtesy of Intersil).

Power-One has the ZY7120 digital point-of-load regulator for high-performance DSP,FPGA, ASIC and microprocessor applications (Figure 3).

Block Diagram of Typical Multiple Output Application

Figure 3: Block Diagram of Typical Multiple Output Application with Digital Power Manager and I²C Interface (Courtesy of Power-One).

Analog power modular solutions

Here, again, the following designs can apply to FPGA, DSP, ASIC, and microprocessors with minor adaptation.

Typical system power architecture for a Xilinx Virtex-5 FPGA-based system board consists of 12 V input to the system board and a number of lower output voltage rails from 1.0 to 5 V. It is convenient and advantageous to first convert the 12 V input to an intermediate bus voltage such as 5 V and then use the 5 V rail as input to other converters for lower voltage conversion. This will increase the efficiency of the lower-voltage converters and therefore distribute heat loss more evenly among the converters.

Emerson Network Power’s LGA06C is a 6 A version of the LGA analog power module series that has 3, 6, 10, and 20 A versions. This series provides a high-density and cost-effective power solution in a low-profile, surface-mount land grid array package for space-sensitive applications (Figures 4 and 5 show Xilinx Virtex-5 development board architecture).

Virtex-5 – FX100 X8 PCI Development Board

Figure 4: Virtex-5 – FX100 X8 PCI Development Board using Emerson LGA series low-profile converters – 5 voltage rails (Courtesy of Emerson Network Power).

An actual 5 voltage rail implementation

Figure 5: An actual 5 voltage rail implementation of system power for an X8 PCI Express development board for Xilinx’s Virtex-5 FPGA (Courtesy of Emerson Network Power).

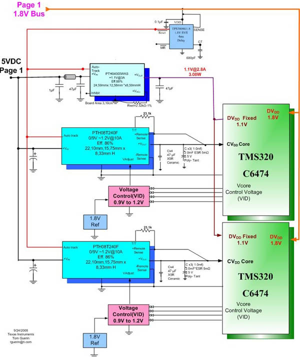
Texas Instruments has an analog power solution for two of their TMS320C6474 DSPs utilizing their PTH04000WAS and PTH08T2xx TurboTrans technology power modules (Figures 6 and 7) that use VID control. Many modern CPUs run at two different clock speeds, where each speed requires a different core operating voltage to assure optimum performance. These voltages are documented in the manufacturer’s VID (voltage identification) section of the CPU specification.

Texas Instruments’ modular analog power

Figure 6: Texas Instruments’ modular analog power for two TMS320C6474 DSPs with 0.9 to 1.2 V VID control (Courtesy of Texas Instruments).

Texas Instruments TMS320C6474

Figure 7: TMS320C6474 (1) DSP CVDD core expanded design showing VID voltage control (Courtesy of Texas Instruments).

CUI Inc. has the analog power module NDM1 series, which is a good fit for ASIC, DSP, microprocessor, and FPGA power management. It has a PMBus programmable output voltage capability and built-in sequencing capability. The controllers can be synchronized for phase spreading capabilities. A switching power supply operates from a switching clock source. In systems with multiple switching power supplies, the switching phase between power supplies may need to be manipulated to reduce undesired effects in a system. These undesired effects include large peak current drawn from the input voltage and high levels of radiated emissions due to synchronized edges of the switching frequency. Phase spreading is a method of reducing these effects.

Most electronics have one or more digital processing ICs, such as FPGAs, ASICs, microprocessors, or DSPs that require multiple power-supply rails plus sequencing. There are various options to consider and potential pitfalls to avoid in powering these digital ICs. The designer needing the benefits of power modules must then choose between analog or digital architectures. Each has their respective advantages and disadvantages to consider. Data sheets need to be read carefully; complexity of design, board space and programmability are just a few of the important considerations to ponder before choosing the right technology for the particular application. Application notes and white papers from the manufacturers will be of great help. Check out some resources on DigiKey’s Power Solutions TechZone for more assistance.
 

Disclaimer: The opinions, beliefs, and viewpoints expressed by the various authors and/or forum participants on this website do not necessarily reflect the opinions, beliefs, and viewpoints of DigiKey or official policies of DigiKey.

About this author

Image of Steve Taranovich

Steve Taranovich

Steve Taranovich is a freelance technical writer with 47 years of experience in the electronics industry. He received an MSEE from Polytechnic University, Brooklyn, New York, and his BEEE from New York University, Bronx, New York. He was also chairman of the Educational Activities Committee for IEEE Long Island. Presently an Eta Kappa Nu Member and an IEEE Life Senior Member. His expertise is in analog, RF and power management with a diverse embedded processing education as it relates to analog design from his years at Burr-Brown and Texas Instruments.

About this publisher

Electronic Products

Electronic Products magazine and ElectronicProducts.com serves engineers and engineering managers responsible for designing electronic equipment and systems.