Makers and Engineers: Get to Know Your Instrumentation Amplifier for Accurate IoT Data Capture

By Art Pini

Contributed By DigiKey's North American Editors

Sensing is where the Internet of Things (IoT) and the smart home begins, and it’s where DIYers, makers, and even professional designers run into their first problem. Many inexpensive transducers such as accelerometers, force sensors, strain gauges, and pressure transducers are designed around resistive Wheatstone bridges, so their outputs are differential voltages in the millivolt (mV) region.

Before going any further, these low-level signals need to be accurately captured and amplified to bring them to levels compatible with microprocessor analog-to-digital converters (ADCs) without introducing DC offsets and noise. Similarly, sensing current using high-side current shunts requires amplifiers that do not have ground referenced inputs and can tolerate large common-mode voltages.

To ensure the data that is captured is accurate, makers and DIYers need to become familiar with the instrumentation amplifier (INA). This is a balanced differential amplifier with easily controllable gain, low offset drift, and noise-cancelling properties. It is a natural adjunct to low-cost transducers in home control applications. Also, in having two high impedance inputs not referenced to ground, it is also ideal for all types of floating differential measurements.

This article will describe the sensor-to-processor signal chain and the need for common-mode rejection, accuracy and stability at the amplifier stage. It will introduce appropriate sensors and INAs and how to go about using them.

Piezo-resistive transducers

One of the most popular families of transducers are those that use piezo-resistive elements. These are used to measure strain, force, acceleration, and pressure, to name a few applications.

Small piezo-resistive elements are attached to the mechanical elements of the transducer. These elements may be in the form of bars, plates, springs, or diaphragms. The desired parameter being sensed causes the mechanical structure to deform. The piezo-resistive elements undergo strain proportional to the sensed parameter which changes the elements’ electrical resistance.

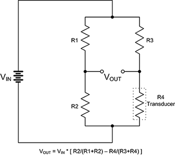
The resistance of the piezo-resistor element is typically part of a Wheatstone bridge circuit configuration (Figure 1). If the input voltage to the bridge is fixed and all four resistors have the same value, then the bridge is said to be balanced, and the output voltage, VOUT, is zero.

Diagram of Wheatstone bridge

Figure 1: In a Wheatstone bridge, the transducer is typically one of four resistive elements. As its resistance changes due to pressure or other forces, the output voltage changes proportionally. (Image source: DigiKey)

In Figure 1, R4 represents the transducer. Changes in pressure or another parameter being measured causes the mechanical structure and the resistors to undergo strain, changing the electrical resistance of the piezo-resistors. This causes the resistance of the transducer to change from its nominal value in proportion to the applied pressure. In turn, the output of the bridge, VOUT, is a voltage proportional to the change in resistance and therefore the pressure of the sensor element.

It is important to note VOUT sits at a potential of nominally one half of VIN. This is the common-mode signal voltage. For a transducer with a full-scale voltage span of 50 mV, a voltage increment of 1% is 0.5 mV. If this sits on a 2 volt common-mode level, the common-mode rejection ratio (CMRR) needs to be 72 dB in order to resolve the voltage change.

The NXP Semiconductors model MPX2050DP is a 50 kPascal (7.5 psi), dual port pressure transducer which provides a 40 mV full-scale span output signal level (Figure 2). The dual port configuration permits measurement of either differential or gage (referenced to atmospheric) pressure.

Image of NXP Semiconductors MPX2050DP 7.5 psi piezo-resistive dual port pressure transducer

Figure 2: The NXP Semiconductors model MPX2050DP is a 7.5 psi piezo-resistive dual port pressure transducer with a 40 mV full-scale span output signal. (Image source: NXP Semiconductors)

Commercial transducers incorporate temperature compensating networks to assure that the transducer responds only to the desired parameter and not changes in the transducers’ environment.

TE Connectivity’s Model FX1901-0001-0050-L is a piezo-resistive compressive force sensor with a 22.68 kgf (50 lbf) range. This sensor measures force instead of pressure but uses a similar Wheatstone bridge measurement topology as the pressure transducer. It has a sensitivity of 20 mV/V, so for a 5 volt supply, the full-scale load sensitivity is 100 mV.

The common feature between these transducers is that their differential output levels are in the millivolt range, which requires amplification for them to be used with ADC’s. This is the role of the instrumentation amplifier (INA).

Instrumentation amplifier

An INA is a differential amplifier based upon operational amplifier (op amp) technology. They have differential inputs and a single-ended output. Because it is a differential amplifier, it has the ability to attenuate common-mode signals. The degree to which it accomplishes this is the specification known as its CMRR, mentioned earlier. This makes it ideal for amplifying small signals in the presence of large common-mode signals or offsets. Additionally, INAs are characterized by stable and accurate gain that can be easily adjusted, high input impedance, and low output impedance.

There are two common circuit topologies used for INAs. The most prevalent is the three op amp design shown in Figure 3. In this circuit configuration the amplifiers U1 and U2 are non-inverting input buffers. They feed U3, which is a difference amplifier. The gain of the INA is set principally with the resistor RG. The reference input, which is usually grounded when not in use, controls the output offset voltage level. The sense input can be used to vary the gain of the output difference amplifier. When not in use it is tied to the output of the difference stage.

Diagram of three op amp configuration of an INA

Figure 3: The three op amp configuration of an INA usually has higher AC CMRR than a two op amp version. The gain is determined by RG. (Image source: DigiKey)

It is also possible to reduce the number of operational amplifiers required using the two op amp topology (Figure 4).

Diagram of two op amp configuration of an INA

Figure 4: The two op amp configuration of an INA saves on cost and power consumption. (Image source DigiKey)

This circuit topology uses only two op amps and provides a savings in cost and power consumption. The nonsymmetrical configuration of the two op amp circuit may cause several problems limiting the circuit’s usefulness. Most notably, it may lower AC CMRR compared to the three op amp design.

Integrated INAs

The Texas Instruments model INA333AIDRGT is an example of an INA based on the three op amp configuration. It offers zero-drift circuitry for outstanding DC specifications. The gain can be set from 1 to 10,000 using a single external resistor. Its CMRR is 100 dB for gains greater than 100. It is designed for 3.3 volt to 5 volt industrial applications. The bandwidth is gain dependent, with a maximum bandwidth of 150 kHz at unity gain.

In contrast, the Texas Instruments model INA332AIDGKR is a wideband INA based on a modified two op amp model with an additional gain stage. The gain is adjustable from 5 to 1000 based on the value of a single external resistor. The CMRR is typically 73 dB. It features a significantly wider bandwidth of 2 MHz.

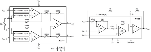
Integrating the INA into a monolithic IC permits precise matching of both active and passive components, guaranteeing better control of gain and CMRR (Figure 5).

Diagrams of Texas Instruments INA333 and INA332 instrumentation amplifiers (click to enlarge)

Figure 5: Comparing the simplified schematics of the Texas Instruments INA333 and INA332 instrumentation amplifiers showing commercial implementation of the two and three operational amplifier INA topologies. (Image source Texas Instruments)

A Texas Instruments reference design for the INA333 in Figure 6 shows how simple it is to use the instrumentation amplifier to support a Wheatstone bridge transducer. This design explores the use of a 120 Ω strain gage as the active transducer element. This circuit can be applied to any type of Wheatstone bridge sensor or transducer, and is simulated in the TINA TI SPICE simulator.

Diagram of TINA TI simulation of a strain gage amplifier using a Texas Instruments INA333

Figure 6: A TINA TI simulation of a strain gage amplifier using a Texas Instruments INA333 shows a strain gage (Rsg) with a nominal resistance of 120 Ω and a readout range of 4.47 volts for a 10 Ω swing in Rsg. (Image source: DigiKey)

The strain gage, Rsg in the figure, has a nominal resistance of 120 Ω with a possible variation between 115 Ω and 125 Ω. The goal is to use this with an ADC having a 0 to 5 volt input range.

To this end, the amplifier gain is set to 1,001 with a reference voltage of 2.5 volts. The DC transfer characteristic plots the output voltage of the INA as a function of the change in the strain gage resistance. The cursor readouts in the simulation show the output range of 4.47 volts for a 10 Ω swing in the strain gauge resistance.

High side current sensing

One of the most common techniques to measure electrical current is to use a low value resistor as a current shunt. For power supply measurements on the order of a few amps, a resistor of about 10 milliohms (mΩ) will produce a voltage drop of 10 mV per amp (Figure 7).

Diagram of applying an INA for high-side current sensing with a shunt resistor

Figure 7: Applying an INA for high-side current sensing with a shunt resistor (RSENSE) between the INA voltage source and the load. (Image source DigiKey)

If the resistor shunt is placed between the load and ground, it is referred to as low-side current sensing. Having the sense resistor between the power source and the load is called high-side current sensing. High-side sensing has the advantage of eliminating ground interference. It also permits detection of load ground faults.

High-side current sensing does require a careful study of the common-mode voltages applied to the instrumentation amplifier, as will be discussed later.

If RSENSE is 10 mΩ, then a current swing of 5 amps will result in 50 millivolts across the resistor. Adjusting the gain of the INA to 100 will result in an output swing of 5 volts.

Avoiding common INA problems

As mentioned previously, it is important to think through the common-mode voltage range of the INA. Consider the strain gauge measurement in Figure 6. The INA is operated with a single 5 volt supply simplifying the power distribution. If the reference input is grounded, as is common with dual supply operation, then the output swing is centered at 0 volts. Since the INA inputs are both near 2.3 volts, its output will be near 0 volts, and unable to swing below the 0 volt reference. Raising the sense input to 2.5 volts centers the output voltage near 2.5 volts, allowing it to swing above and below.

It is also important to make sure that the internal buffer amplifiers do not saturate when operated at high gain. Consider what happens if the input to the INA is 5 mV and the gain is 1000. In this situation there is a 5 volt difference between the outputs of the input buffers. If the INA is operated from a 5 volt supply, then one of the buffers will be in saturation. Fortunately, INA suppliers like Texas Instruments, offer application programs (‘VCM vs. VOUT for instrumentation amps’) to check the common-mode range of their instrumentation amplifiers.

The final caution covers supplying a ground return for the INA inputs. If the inputs are AC coupled or connected to a floating device such as a thermocouple, then a high value resistor should be connected from the input to ground to drain the amplifier’s input bias current.

Conclusion

As DIYers and professional engineers soon discover, connecting sensors to the IoT first requires a good understanding of how to acquire and amplify a low-level signal from a Wheatstone bridge before converting it into the digital domain using ADCs.

INAs are ideal for amplifying differential signals. They offer high gain, high common-mode rejection, and high input impedance. As they come in various configurations, it is important to understand how they operate, their key specifications, and what to look out for when using them.

 
DigiKey logo

Disclaimer: The opinions, beliefs, and viewpoints expressed by the various authors and/or forum participants on this website do not necessarily reflect the opinions, beliefs, and viewpoints of DigiKey or official policies of DigiKey.

About this author

Image of Art Pini

Art Pini

Arthur (Art) Pini is a contributing author at DigiKey. He has a Bachelor of Electrical Engineering degree from City College of New York and a Master of Electrical Engineering degree from the City University of New York. He has over 50 years experience in electronics and has worked in key engineering and marketing roles at Teledyne LeCroy, Summation, Wavetek, and Nicolet Scientific. He has interests in measurement technology and extensive experience with oscilloscopes, spectrum analyzers, arbitrary waveform generators, digitizers, and power meters.

About this publisher

DigiKey's North American Editors