Power Modules Combine Efficiency with Low-Noise Output
Contributed By Electronic Products
2013-10-08
Switching DC/DC converters (‘regulators’) are popular because of their high efficiency and flexibility. These power supplies are able to step-up (“boost”), step-down (“buck”), and invert voltages with ease. However, voltage and current ripples generated by the switching operation can affect sensitive chips and cause other electromagnetic interference (EMI) challenges.
One answer is to optimize the PCB design to minimize parasitic inductances and capacitances, and design filter circuits to minimize voltage and current ripples. However, this takes skill and time. Another technique is to enlist a linear regulator to work in tandem with the switching regulator to smooth the output of the latter and provide a stable voltage output suitable for fussy low-voltage electronics. However, this method also requires careful design and considered component selection to get the two regulators working in harmony without compromising efficiency.
Now silicon vendors have introduced modules that integrate the two power supplies into a single chip, easing the design task. Better yet, these modules allow engineers to directly tap the output from the switching converter or the linear regulator as well as the combined output, therefore increasing the flexibility of the module. This article outlines the benefits of these ‘hybrid’ voltage regulators and describes some commercially available examples.
Hybrid power
Switching regulators are efficient and flexible, but there is a trade-off. The chips are relatively expensive, take up more space than other power supplies, and have a relatively slow transient response to load variances. Additionally, the design-in process is challenging, and minimizing voltage and current ripples in the output voltage is time consuming (see the TechZone article “Conducted and Radiated Emissions Reduction Techniques for Power Modules”).
It is no surprise that linear regulators remain a popular alternative. These devices do not incorporate a switching device so there are no problems with ripple or EMI. Instead, a linear regulator produces a stable, noise-free output (see the TechZone article “Linear Regulators Drive Noise Down”). Moreover, the devices are cheap, compact, and relatively simple to integrate into a design. Unfortunately, linear regulators are not particularly efficient unless the difference between input and output voltage is small, and they can only be used in a buck configuration (see the TechZone article “Understanding the Advantages and Disadvantages of Linear Regulators”).
By combining the benefits of both types of voltage regulator, some enterprising engineers have created hybrid topologies that link the switching regulator with one or more linear regulators for a flexible, efficient, low-noise power supply.
The switching regulator can accept a wide range of input voltages and efficiently regulates to a higher, lower, or inverted supply. If the output of the switching device (that is, input to the linear regulator) is set so that it is only slightly greater than the required output of the linear regulator, the latter can operate in its most efficient range. An additional benefit is that power dissipation is lower and thermal management is eased.
The linear regulator removes the noise from the switching converter’s ripple-affected output. Other benefits include a power supply with improved stability, greater accuracy, faster transient response, and lowered output impedance.
However, things are a little more complicated than just selecting two regulators and linking them together. One trade-off that needs careful management is the lower efficiency of the hybrid design compared with an equivalent switching regulator. For example, a switching regulator of 88 percent allied for a linear regulator with a nominal 70 percent efficiency produces an overall hybrid power-supply efficiency of 62 percent.
It should not automatically be assumed that any linear regulator could handle all the noise that a fast switching regulator can throw at it. Most linear regulators encounter some difficulty with ripple and spikes, particularly at higher frequencies. Unfortunately, the effect is magnified at small differentials between the input and output voltages, exactly the point at which the linear regulator is most efficient (see the TechZone article “Hybrid Power Supplies Deliver Noise-Free Voltages for Sensitive Circuitry”).
Separate outputs improve flexibility
Major silicon vendors have responded to demand for hybrid supply modules that incorporate the switching device and linear regulator into a single package. These commercial chips ease the design work for the engineer by ensuring that the two regulators have been properly paired and work well together.
The products typically provide the engineer with even greater flexibility because they allow for a direct output from the switching regulator and the linear regulator, as well as the output from the combination. This can be an advantage if battery voltage is low or the end product is operating in a standby mode and the engineer wants to extend battery life by using only the more-efficient switching converter part of the hybrid supply. Alternatively, if the device is plugged into a mains supply, the designer may choose to tap only the output of the linear regulator to eliminate even the low levels of noise the hybrid module exhibits in normal use.
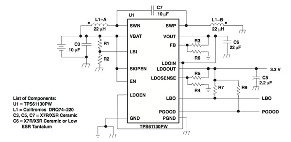
An example of such a device is the TPS61130 from Texas Instruments (TI). This product provides a complete power-supply solution for appliances powered by lithium-ion (Li-ion), alkaline, nickel cadmium (NiCd) or nickel metal hydride (NiMH) batteries. The chip provides a simple buck-boost solution for generating 3.3 V from an input voltage that can be higher or lower than the output voltage.
The switching regulator is based on a fixed-frequency pulse-width-modulation (PWM) controller. The linear regulator can provide an output from the switching regulator or directly from the battery, and its output can be programmed by an external resistor divider or fixed internally on the chip. The device can be disabled to minimize battery drain or configured with just a single output using the linear regulator to filter the switching regulator output. Figure 1 shows the circuit for this application.

Touchstone Semiconductor offers an equivalent device, the TS3300. This module again combines a boost switching regulator and a linear regulator in one package. The boost regulator operates from a supply voltage as low as 0.6 V, and the linear regulator’s input is connected to its output, therefore serving as a post-regulator for the boost section. The linear regulator can reduce the ripple voltage of the boost regulator by a factor of three and can also be operated simply as an on/off load switch (Figure 2).

Figure 2: Touchstone Semiconductor’s TS3300 combines a boost switching regulator and a linear regulator.
Maxim offers the MAX1765 as one of its contributions to the hybrid power supply sector. The company says this device is a high-efficiency low-noise boost regulator intended for use in battery-powered wireless applications.
The MAX1765 uses a synchronous-rectified PWM boost topology to generate 2.5 to 5.5 V outputs from battery input sources. The company claims that its proprietary architecture improves efficiency at low load currents while automatically transitioning to fixed-frequency PWM operation at medium-to-high load currents to maintain efficiency. The switching regulator and linear regulator have separate shutdown control. The device also features analog soft-start and current-limit functions to aid efficiency, reduce external component size, and limit output voltage ripple amplitude.
The linear regulator can be used to either filter the switching regulator output or supply a separate voltage. The linear regulator’s output is intended to power noise-sensitive analog circuitry, such as low-noise amplifiers and IF stages in cell phones. Figure 3 illustrates the noise output from linear regulator after it has filtered the switching-regulator supply (the switching frequency is 1 MHz).

Switching and linear regulators integrated into a single package meet the growing demand for efficient low-noise power supplies for battery-powered products. An extra advantage of these modules is the separate outputs from the switching and linear regulator that allow greater design flexibility. However, when selecting a module, it is important to consider the difference in input and output voltage of the linear-regulator element during typical usage. A large difference in the voltages will have a big effect on efficiency and battery life.
Disclaimer: The opinions, beliefs, and viewpoints expressed by the various authors and/or forum participants on this website do not necessarily reflect the opinions, beliefs, and viewpoints of DigiKey or official policies of DigiKey.

