Understanding the Basics of Low-Noise and Power Amplifiers in Wireless Designs
Contributed By Electronic Products
2013-10-24
The push for performance, miniaturization, and higher-frequency operation is challenging the limits of two critical, antenna-connected components of a wireless system: the power amplifier (PA) and the low-noise amplifier (LNA). This shift has been spurred by the efforts to make 5G a reality, as well as PA and LNA use in VSAT terminals, microwave radio links, and phased-array radar systems.
These applications have requirements that include lower noise (for the LNA) and greater efficiency (for the PA), as well as operation at higher frequencies, up to and beyond 10 GHz. To meet these increasing demands, LNA and PA manufacturers are moving from traditional all-silicon processes toward gallium arsenide (GaAs) for LNAs and gallium nitride (GaN) for PAs.
This article will explain the role and requirements of LNAs and PAs and their main characteristics, before introducing typical GaAs and GaN devices and what to keep in mind when designing with them.
The sensitive role of the LNA
The function of the LNA is to take the extremely weak and uncertain signal from the antenna, usually on the order of microvolts or under -100 dBm, and amplify it to a more useful level, usually about one-half to one volt (Figure 1). To help put this in perspective, in a 50 Ω system, 10 μV is -87 dBm and 100 μV equals -67 dBm.
While providing this gain itself is not a major challenge with modern electronics, it is severely compromised by any noise that the LNA may add to the weak input signal. This noise can overwhelm any benefits of the amplification that the LNA adds.
Figure 1: The low-noise amplifier (LNA) of the receive path and the power amplifier (PA) of the transmit path connect to the antenna via a duplexer, which separates the two signals and prevents the relatively powerful PA output from overloading the sensitive LNA input. (Image source: DigiKey)
Note that the LNA functions in a world of unknowns. As the front end of the receiver channel, it must capture and amplify a very low-power, low-voltage signal plus associated random noise that the antenna presents to it within the bandwidth of interest. In signal theory, this is called the unknown signal/unknown noise challenge, the most difficult of all signal-processing challenges.
For LNAs, the primary parameters are noise figure (NF), gain, and linearity. Noise is due to thermal and other sources, with typical noise figures in the 0.5 to 1.5 dB range. Typical gain is between 10 and 20 dB for a single stage. Some designs use cascaded amplifiers with a low-gain, low-NF stage, followed by a higher-gain stage that may have higher NF, but this is less critical once the initial signal has been "gained up." (For more on LNAs, noise, and RF receivers, see the TechZone article “Low-Noise Amplifiers Maximize Receiver Sensitivity.”)
Nonlinearity is another issue for the LNA, as the resultant harmonics and intermodulation distortion corrupt the received signal and make demodulating and decoding it with sufficiently low bit error rate (BER) more difficult. Linearity is usually characterized by the third-order intercept point (IP3), which relates nonlinear products caused by the third-order nonlinear term to the linearly amplified signal; the higher the IP3 value, the more linear the amplifier performance.
Power consumption and efficiency in the LNA are generally not the primary concerns. By their nature, most LNAs are fairly low-power devices with current consumption from 10 to 100 mA, and they are providing voltage gain to subsequent stages, not delivering power to a load. Also, there are only one or two LNA channels in the system (the latter usually in diversity antenna designs such as for Wi-Fi and 5G interfaces), so any savings from using a lower-power LNA would be modest.
Other than their operating frequency and bandwidth, there is a relatively large amount of functional similarity among LNAs. Some LNAs also include gain control so the amplifier can handle a wide dynamic range of input signals without overload and saturation. Such widely varying input-signal strength is a common occurrence in mobile applications where the base station-to-phone path loss can have a wide range, even during a single connection cycle.
The routing of input signals to an LNA, and the output signals from it, is as important as the specifications of the part itself. Therefore, designers must use sophisticated modeling and layout tools to realize the LNA’s full performance potential. A superior part can easily be degraded by poor layout or impedance matching, so it is critical to use vendor-provided Smith charts (see, “The Smith Chart: An 'Ancient' Graphical Tool Still Vital In RF Design”), along with credible models of the circuit to support simulation and analysis software.
For these reasons, nearly all vendors of high-performance LNAs which operate in the GHz range offer an evaluation board or verified pc-board layout since every aspect of test setup is critical, including layout, connectors, grounding, bypassing, and power. Without these resources, designers will waste time trying to assess the part's performance in their application.
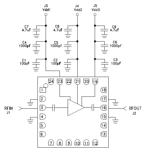
An example of a GaAs-based LNA is the HMC519LC4TR, an 18 to 31 GHz pHEMT (pseudomorphic high-electron-mobility transistor) device from Analog Devices (Figure 2). This leadless 4 × 4 mm ceramic surface-mount package offers small-signal gain of 14 dB along with a low 3.5 dB noise figure and a high IP3 of +23 dBm. It draws 75 mA from a single +3 V supply.
Figure 2: The HMC519LC4TR GaAs LNA provides gain with low noise for low-level inputs from 18 to 31 GHz; most of the package connections are for power rails, ground, or unused. (Image source: Analog Devices)
There is a design progression from its simple functional block diagram to the multiple external capacitors of differing values and types needed to provide proper RF bypassing with low parasitics on three power-rail feeds, designated Vdd (Figure 3).
Figure 3: In a real-world application, the HMC519LC4TR LNA requires multiple bypass capacitors on its power rails – all of the same voltage rating – to provide both bulk capacitance for low-frequency filtering as well as smaller-value capacitors for RF bypassing to minimize RF parasitics. (Image source: Analog Devices)
This enhanced schematic leads to the evaluation board, which details both layout and BOM, including use of non-FR4 pc-board material (Figure 4(a) and 4(b)).
Figure 4(a)
Figure 4(b)
Figure 4: Given the high frequencies at which these LNA front ends operate, and the low-level signals they must capture, a detailed, tested, evaluation design is essential. This includes a schematic (not shown), board layout (a), and BOM, with specifics of passive components and pc-board material (b). (Image source: Analog Devices)
A GaAs LNA for even higher frequencies is the MACOM MAAL-011111, which supports 22 to 38 GHz operation (Figure 5). It offers 19 dB small-signal gain, along with a 2.5 dB noise figure. This LNA appears to be a single-stage device, but internally it actually has three cascaded stages. The first stage is optimized for lowest noise and moderate gain, while the subsequent ones provide additional gain.
Figure 5: To the user, the MAAL-011111 LNA appears to be a single-stage amplifier, but internally it uses a series of gain stages designed to maximize input-to-output signal-path SNR, while adding significant gain at the output. (Image source: MACOM)
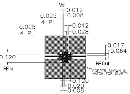
Like the Analog Devices' LNA, the MAAL-011111 needs only a single low-voltage supply and is tiny at just 3 × 3 mm. The user can adjust and trade off some performance specifications by setting the bias (supply) voltage at different values between 3.0 and 3.6 V. The suggested board layout shows the critical pc-board copper dimensions needed to maintain proper impedance matching and ground-plane performance (Figure 6).
Figure 6: The suggested layout for getting the most out of MACOM’s MAAL-011111, while also providing input and output impedance matching. Note the use of pc-board copper for impedance-controlled transmission lines as well as low-impedance ground planes (dimensions in millimeters). (Image source: MACOM)
The PA drives the antenna
In contrast to the LNA's difficult signal-capture challenge, the PA takes a relatively strong signal with very-high SNR from the circuitry, and must boost its power. All the general factors about the signal are known, such as amplitude, modulation, shape, duty cycle, and more. This is the known-signal/known-noise quadrant of the signal-processing map, and the easiest one to manage.
The primary parameter for the PA is its power output at the frequency of interest, with typical PA gain spanning between +10 and +30 dB. Along with gain, efficiency is the other critical PA parameter, but any assessment of efficiency is complicated by the usage model, modulation, duty cycle, allowable distortion, and other aspects of the signal to be boosted. PA efficiencies are in the 30 to 80% range, but this is very dependent on many factors. PA linearity, also critical, is judged by IP3, just as for the LNA.
While many PAs use CMOS technology at lower power levels (up to about 1 to 5 W), in recent years other technologies have matured and are also in widespread use, especially at higher power levels where efficiency is critical both for battery life and thermal considerations. PAs using GaN offer better efficiency at higher power levels and higher frequencies (typically above 1 GHz), where several watts or more are needed. GaN PAs are cost competitive, especially when efficiency and power dissipation are factored in.
MACOM offers GaN-based PAs such as the NPT1007 GaN transistor (Figure 7). Its frequency span of DC to 1200 MHz makes it suitable for both wideband and narrowband RF applications. It typically operates from a single supply between 14 and 28 V, providing 18 dB small-signal gain at 900 MHz. It is designed to tolerate a 10:1 SWR (standing wave ratio) mismatch with no device degradation.
Figure 7: The NPT1007 GaN PA from MACOM spans the range of DC to 1200 MHz, making it suitable for both wideband and narrowband RF applications. Designers get additional support through a variety of load-pull graphs. (Image source: MACOM)
In addition to the graphs showing performance basics at 500, 900, and 1200 MHz, the NPT1007 is supported by a variety of "load-pull" graphs to help circuit and system designers who are striving to ensure a robust product (Figure 8). Load-pull tests are done using a paired signal source and signal analyzer (spectrum analyzer, power meter, or vector receiver).
The test requires varying the impedance as seen by device under test (DUT) to assess the PA’s performance (covering factors such as output power, gain, and efficiency) as any associated component values can change due to temperature shifts, or as a result of variations within the tolerance bands around their nominal values.
Figure 8: The load-pull graph for the NPT1007 PA goes beyond the standard table of min/max/typical specifications to show PA performance as its load impedance shifts away from its nominal value, a situation which will occur in actual use due to initial production tolerances and as well as thermal drift. (Image source: MACOM)
Regardless of the PA process used, the device's output impedance must be fully characterized by the vendor so the designer can match it properly to the antenna for maximum power transfer, and to keep SWR as close to unity as possible. This matching circuit is primarily made up of capacitors and inductors, and these may be implemented as discrete devices, or fabricated as part of the pc-board or even the product packaging. They must also be designed to sustain the PA power levels as well. Again, the use of tools such as the Smith chart are essential to understand and implement the required impedance matching.
Due to the PA’s small die size and high power levels, packaging is a critical issue. As shown earlier, many PAs support heatsinking via wide, heat dissipating package leads and flanges, as well as a thermal slug under the package to act as a path to the pc-board copper. At higher power levels (above about 5 to 10 W), the PA may have a copper cap to allow the heatsink to be mounted on top, and fans or other advanced cooling techniques may be needed.
The power ratings and small size associated with GaN PAs means that modeling the thermal environment is critical. Of course, it's not enough to keep the PA itself within allowable case or junction temperature ratings. Any heat that is removed from the PA must not become a problem for other parts of the circuit and system. Consideration must be given to address and resolve the entire thermal path.
Conclusion
RF-based systems, ranging from smartphones to VSAT terminals and phase-array radar systems, are pushing the limits of LNA and PA performance. This has driven device manufacturers to move beyond silicon to explore GaAs and GaN to provide the performance required.
These new process technologies are providing designers with devices having wider bandwidths, smaller footprints, and greater efficiency. However, designers need to understand the basics of LNA and PA operation in order to effectively apply these new technologies.
Disclaimer: The opinions, beliefs, and viewpoints expressed by the various authors and/or forum participants on this website do not necessarily reflect the opinions, beliefs, and viewpoints of DigiKey or official policies of DigiKey.

