Use MEMS RF Switches to Solve Advanced Wireless Design and Integration Issues
Contributed By DigiKey's North American Editors
2019-08-15
The proliferation of wireless communications at higher frequencies and wider bandwidths is combining with the integration of multiple radio frequency (RF) interfaces and antennas to push the limits of conventional RF switching approaches. RF switches based on microelectromechanical systems (MEMS) technology have emerged as a viable, easy-to-use solution to address the space, switching speed, front-end filtering, and flexibility issues facing designers of advanced wireless systems.
This article begins with a look at conventional approaches to RF switches, including traditional electromechanical and various solid-state analog and PIN diodes. It then explores key attributes of MEMS-based RF switches using examples from Analog Devices. It will discuss performance characteristics and available development support to help designers understand how to apply MEMS RF switches and ensure long life and reliable operation.
RF switch applications and options
Along with supporting the integration of multiple radios using a single antenna, RF switches are required to support multiple antennas in a multiple input, multiple output (MIMO) configuration, direct a signal along a desired internal path, or manage an automatic test equipment (ATE) related switching matrix. The act of RF switching can involve the selection of one out of many possible input signals to be directed onto a single output path; or conversely, it may be used to route a single signal to a specified one-of-many output path.
Until recently, RF switching has been implemented mainly using:
•Traditional electromechanical RF switches: These are manual or motor controlled; they support remote operation via a simple 12/24 volt line or a USB port. These switches are easy to use (they include coaxial connectors) and offer excellent performance into the tens of gigahertz, but they are obviously not practical for applications that require small size, light weight, or high-speed switching. Despite their age, they are still widely available and often are the only solution for many situations.
•Switches based on PIN diodes: These offer good RF performance and high switching speed. However, realizing their potential requires expertise. As two-terminal devices without a separate on/off control line, they require complex associated circuitry to merge the DC control and RF paths as inputs, and then separate them as outputs. For this reason, most PIN-based RF switches are offered with the support circuitry included in a complete module.
•Field-effect transistor (FET) and hybrid solid-state switches: These are a form of solid-state switch that use advanced semiconductor materials and processes to provide the RF equivalent of a basic, low-frequency transistor switch. As an electronic switch, these devices can make the on/off transition quickly (within microseconds) and offer ease of design-in, but are limited in terms of isolation and other performance attributes.
Recently, MEMS-based RF switches have become viable options and are now available as standard products. These devices use a switch mechanism based on cantilevered MEMS elements similar to those used in some MEMS accelerometers, but add the functions and features needed for an electronically controlled switch that provides metal-on-metal contact for the RF signal path.
For example, consider the Analog Devices ADGM1004, a 0 Hertz (Hz) (DC) to 13 GHz, single-pole four-throw (SP4T) switch, as well as the similar ADGM1304, a DC to 14 GHz SP4T switch (Figure 1).
Figure 1: The block diagram of the ADGM1004 MEMS switch shows its basic SP4T architecture along with other critical features such as electrostatic discharge (ESD) protection diodes; the ADGM1304 is similar but lacks the diodes and also differs in some specification details. (Image source: Analog Devices)
The ADGM1004 and ADGM1304 implement a classic mechanical on/off, contact closure function, and do so within a miniature RF-compatible 24-pin lead frame chip-scale package (LFCSP) measuring 5 × 4 × 1.45 millimeters (mm). They can switch in 30 microseconds (µs) and have a bandwidth from DC to 13 or 14 GHz (respectively). Their specifications are similar overall, but they do have subtle, yet often important, differences with respect to on resistance (Ron), third order intercept point (IIP3) and RF power (max) (Table 1).
|
Table 1: The top-tier specifications for the ADGM1004 and ADGM1304 MEMS based RF switches from Analog Devices show their performance similarities and modest differences. (Image source: DigiKey)
As mechanical, metal-to-metal contact-closure devices, they allow the flow of signal energy in either direction. This means a signal at one of the four poles can be passed through to the common pole. Conversely, a signal at the common pole can flow to any one of the four switched poles.
The MEMS RF switch principle and implementation
With many technological advances, the concept is simple but the execution is not, and this holds true for the MEMS RF switch. The MEMS RF switch uses a micromachined cantilever beam with a metalized tip as its switching element. The design issue is how to “activate” this cantilever so it moves and contacts the corresponding metallized surface when switched on, and then also disconnects when switched off. For the MEMS RF switch, this motion is initiated via electrostatic actuation (Figure 2). It’s customary to call the switch terminals “source,” “gate,” and “drain,” but it is still a mechanical contact closure, not a switching FET device.
Figure 2: The principle of the MEMS RF switch uses a pair of metal contacts (called the source and drain) with the movable contact on a cantilevered beam (gate), which is moved via an electrostatic force. (Image source: Analog Devices)
In many ways, the MEMS RF switch is very similar to a mechanical relay but is built on a micrometer level scale with a contact-loaded armature. The cantilever is actuated via an electrostatic force rather than a magnetic field. The entire switch is fabricated using a MEMS specific silicon IC process, thereby leveraging the wide design and manufacturing expertise associated with this process to improve yield and lower cost (Figure 3).
Figure 3: The actual design and implementation of the MEMS RF switch involves a complex series of layers and coatings of silicon and other materials, as well as etched areas. (Image source: Analog Devices)
To improve performance and lower DC contact resistance and RF impedance, each contact pole is actually fabricated as a set of parallel poles; this is practical because of the MEMS technology (Figure 4).
Figure 4: To reduce contact DC resistance and RF impedance, the contact poles of MEMS switches are fabricated as multiple parallel contacts. (Image source: Analog Devices)
Every electronic component has one or more figures of merit (FOMs) used to characterize its performance. For a switch, one of the most important FOM values is its Ron multiplied by its off capacitance (Coff). This is usually referred to as the RonCoff product and is expressed in units of femtoseconds (fs). Lower values of RonCoff indicate lower on-mode insertion loss and higher off-mode isolation, both desirable attributes. Of course, for DC, AC power line, and low-frequency switches, Ron is the dominant factor, and Coff is largely irrelevant. The RonCoff product for the Analog Devices MEMS switches is below 8 fs, indicating very good on and off-mode RF performance.
Drive and ESD complicate design, but not actual use
One concern that designers have with certain component classes is how to drive and control them, along with any associated difficulties. Ideally, the control would be a simple, standard logic level signal. (Recall that the difficulty of interfacing with and driving the PIN diode RF switch is one of its drawbacks.)
For the electrostatic action of Analog Devices’ MEMS RF switches, the control drive and interface present what could at first appear to be a design-in challenge since the electric field needs about 89 volts DC to move the switching cantilever. However, it is not an issue at all because these 3.1 to 3.3 volt MEMS switches include a DC/DC boost circuit on a separate die, eliminating the need for an external high voltage driver or supply source (Figure 5).
Figure 5: Shown is the ADGM1004 drive IC (left) and MEMS switch die (right), with the RF port ESD protection die mounted on top with wire bonds to the metal lead frame (the ADG1304 lacks the ESD die). (Image source: Analog Devices)
One concern with almost any solid-state device is sensitivity to ESD. This is not a concern with conventional mechanical RF switches as they are inherently highly immune to ESD. To address this ESD sensitivity issue, Analog Devices included an ESD protection element. This separate third element within the ADGM1004 package is mounted on the MEMS die and is transparent to the user. It provides an ESD human body model (HBM) rating of 5 kilovolts (kV) for the pole pins (RF1 to RF4) and common pin (RFC), and 2.5 kV for all other pins. For applications that do not require ESD protection—and there are some—the ADGM1304 eliminates this protection function element and so has a thinner package and a wider bandwidth.
Despite the two active die within their package, these switches are tiny as mentioned above, which is always a plus for gigahertz RF. Their control signals are CMOS/LVTTL compatible for ease of use.
Operation, performance, and reliability
Unlike solid-state RF switches that use analog switch or PIN diode technology that can only handle frequencies down to around 10 megahertz (MHz), electromechanical switches and their MEMS counterparts can handle signals down to DC. This may seem an unnecessary performance extension, as the signals of interest are in a range from hundreds of megahertz to multiple gigahertz.
However, there are many RF applications that do need near DC or even true DC switching along with higher frequency capability. These include systems with low intermediate frequencies (IF) such as 455 kilohertz (kHz), and software-defined radios (SDRs) which must handle a very wide slice of the RF spectrum. Further, there are designs where the RF path also provides the DC power path for the antenna front-end preamplifier in the low noise block (LNB) of very small aperture terminal (VSAT) dishes and satellite TV/internet access. In such applications, being able to switch and route DC power along with the RF signal though a single, small component is a major design advantage.
As with all mechanical and electromechanical devices, there is a finite lifetime for the core mechanism. For the metal electromechanical RF switch, the operating life rating is usually between five and 10 million cycles. Given that their switching time is on the order of tens of milliseconds, this rating has generally been acceptable. However, MEMS-based RF switches have a much faster on/off time (30 µs for the ADGM1004 and ADGM1304). For many of their target applications, such as a dynamic MIMO system configuration, 10 million cycles present a lifetime limitation. MEMS switches, however, are rated at one billion cycles, assuming they are used within their defined signal level and power envelope. This is a lifetime rating that is greater by two orders of magnitude compared to traditional mechanical and electromechanical switches.
In addition to the temperature cycling stress associated with electronic and electromechanical components, there are other factors that affect the lifetime of MEMS and conventional electromechanical RF switches. Among these is “hot” switching versus “cold” switching.
Hot switching occurs when a voltage differential exists between the signal source and drain when the switch is closed, and/or if current is flowing when the switch is opened. Unlike cold switching, where there is no signal power present at the time of switching, hot switching results in a reduced switch life at the contact surfaces that is dependent upon the magnitude of the open-circuit voltage between the source and drain. MEMS switch data sheets have tables and charts that show the effect of hot switching on lifetime and cycles.
At the other end of the on/off cycling spectrum is a parameter called continuously-on lifetime (COL). This refers to a situation that often occurs in instrumentation where a switch is set to the on condition for an extended period of time, which can also degrade switch contact life. By design and accelerated life testing, the Analog Devices MEMS switches have a COL mean-time-before-failure (MTBF) rating of seven years at 50°C and 10 years at 85°C.
As a relatively new technology, these MEMS-based RF switches may be viewed cautiously by potential users concerned about these and other aspects of their short- and long-term reliability due to electrical and mechanical stress, temperature, and shock/vibration. This is particularly true for MEMS RF switching applications in mission-critical military/aerospace as well as in automotive systems. To alleviate these concerns, Analog Devices has performed many industry and MIL defined tests (Table 2).
|
Table 2: This partial list of MEMS switch technology qualification tests indicates the breadth of the reliability qualification for these devices. (Image source: Analog Devices)
Designing MEMS switches into a circuit
Although MEMS-based RF switches are easy to apply, they are a little more complicated than standard electromechanical devices, and their data sheets call out several design caveats. Among them is that all switch-path terminals must be connected to a DC voltage reference. This reference can be another active component with an internal voltage reference or an impedance to ground (analogous to not leaving a CMOS gate input or output “floating”). If this is not done, charges can build up on the terminals and allow voltages to float to unknown levels, which can in turn lead to unreliable actuation behavior that may damage the switch.
The data sheets explain and illustrate some inadvertent ways that these floating nodes can occur and show ways to work around them. For example, when two ADGM1304 devices are used in the common cascade arrangement, simple shunt resistors can minimize the potential problem (Figure 6).
Figure 6: Installing shunt resistors between switch terminals and ground will avoid the possibility of charge and voltage buildup that can lead to erratic behavior and even switch damage. (Image source: Analog Devices)
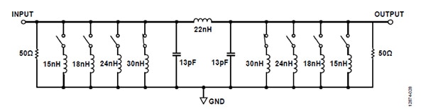
While there are many application opportunities for MEMS RF switches, some are becoming increasingly apparent and important. For wireless communications, including mobile radios and smartphones, the trend is to increase the number of bands and modes that must be accommodated in a single unit; the 5G standard is pushing this scenario even further. A dynamically reconfigurable RF filter can address this by allowing more bands/modes to be covered, and with the required small size and high speed.
This can be realized using a pair of ADGM1304 devices in a reconfigurable band-pass filter, here shown as an inductively coupled, single-ended topology in two sections nominally centered on 400 MHz in the ultra-high frequency (UHF) band (Figure 7). The MEMS switches are connected in series with each of the shunt inductors meeting the requirements with respect to low and flat insertion loss, wide RF bandwidth, low parasitics, low capacitance, and high linearity.
Figure 7: An increasingly needed function for wireless handsets is the ability to handle multiple RF bands and modes via a single signal path. A switched-inductor filter using the MEMS devices can provide this function in a small footprint and with high performance. (Image source: Analog Devices)
The switches connect/disconnect the lumped inductor elements, 15 nanohenry (nH) to 30 nH which set the filter frequency, while their low Ron reduces the negative impact that a series resistance has on the quality factor (Q) of the shunt inductor. The design also maintains the critical 50 ohm (Ω) match on the input and output ports at all switch settings.
When designing with RF in the gigahertz plus region, along with models and S parameters for simulation, a suitable evaluation board is a necessary design tool as models are never perfect and cannot capture all the subtleties of the actual design. To speed time to market, minimize user frustration, and allow full and fair design evaluation, Analog Devices offers the EVAL-ADGM1304 (Figure 8).
Figure 8: The evaluation board for the ADGM1304 is much more than a simple convenience; it is a tool that ensures that component performance assessment is done under consistent conditions and also allows for calibration as well as application performance testing. (Image source: Analog Devices)
The evaluation board includes SMA connectors for the RF signals, SMB connectors for switch control signals, and an on-board “calibration thru” transmission line for analyzer calibration, as well as a detailed user guide (UG-644).
Conclusion
As wireless applications proliferate, and size, cost, and performance requirements become more demanding, MEMS-based RF switches are a useful addition to a designers’ tool kit due to their fast switching speed, small size, long-term reliability, and other favorable attributes.
MEMs RF switches such as Analog Devices’ ADGM004 and ADGM1304 can simplify older designs while also enabling designers to meet the demands of newer designs for higher frequency products with increased circuit densities. To help designers take full advantage of the devices’ capabilities, they have extensive support in the form of evaluation boards, models, and documentation.
Disclaimer: The opinions, beliefs, and viewpoints expressed by the various authors and/or forum participants on this website do not necessarily reflect the opinions, beliefs, and viewpoints of DigiKey or official policies of DigiKey.

