EZ-PD™ Barrel Connector Replacement (BCR) USB-C™ Controller
Infineon's EZ-PD BCR enables users to quickly convert their devices from being powered through a barrel connector to being powered via USB-C
Infineon's EZ-PD BCR is a highly-integrated USB Type-C port controller targeting electronic devices that have legacy barrel connectors (up to 100 W) or USB micro-B connectors for power such as drones, smart speakers, power tools, and other rechargeable devices. EZ-PD BCR complies with the latest USB Type-C and USB Power Delivery (PD) standards. It enables users to quickly convert their devices from being powered through a barrel connector to being powered via the USB-C connector with few external components and without requiring firmware development.
EZ-PD BCR integrates a complete USB Type-C transceiver, USB PD policy manager, a load switch controller with a soft start, all termination resistors required for a USB Type-C port, and system-level ESD protection.
Features
- Supports USB Type-C and Power Delivery 3.0 programmable power supply
- Supports Apple charging (2.4 A)
- UFP-only with configurable RD and RD-DB
- Integrated analog blocks
- 30 V-tolerant regulator
- VBUS-to-CC short protection
- On-chip overvoltage protection (OVP)
- Packages: 24-pin QFN
- Supports extended industrial temperature range (-40°C to +105°C)
EZ-PD BCR Evaluation Kit (CY4533)
Replace a barrel power connector with USB-C in three simple steps using the CY4533 EZ-PD BCR Kit:
- Select a commercially available USB-C power adapter that supports the desired USB PD power profile.
- Set up the desired USB PD power profile with Infineon's EZ-PD BCR Kit and quickly prototype by converting the USB-C power input to a barrel connector output to the product (e.g., a smart speaker). No firmware development is required.
- Embed Infineon's CYPD3177 BCR controller into the product and replace the barrel receptacle with a USB-C receptacle. The product can now be powered by any USB-C power adapter supporting the required power profile.
Click on the images below to see a larger view
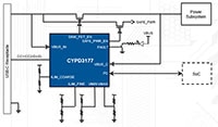
BCR Reference Design
Developers can use this reference design and the voltage divider guide to integrate BCR into their next design quickly. No firmware development is required.
Use VMIN and VMAX to set the VBUS voltage range to be provided by a USB-C power adapter.
Use ILIM_COARSE and ILIM_FINE to set the maximum current to be provided by a USB-C power adapter.
Maximum current = ILIM_COARSE + ILIM_FINE
Resources
EZ-PD BCR Evaluation Kit
| Image | Manufacturer Part Number | Description | Available Quantity | Price | View Details | |
|---|---|---|---|---|---|---|
![]() | ![]() | CY4533 | EVAL BOARD FOR CYPD3177 | 339 - Immediate | $1,059.00 | View Details |
EZ-PD™ Barrel Connector Replacement (BCR) USB-C™ Controller
| Image | Manufacturer Part Number | Description | Available Quantity | Price | View Details | |
|---|---|---|---|---|---|---|
![]() | ![]() | CYPD3177-24LQXQ | IC USB TYPE-C PORT CONTROL 24QFN | 8705 - Immediate | $88.00 | View Details |






