Maker.io main logo

How to Build an Air Quality Meter for Your Home or Office - Part 1

50

2021-12-01 | By Maker.io Staff

License: General Public License Arduino

As winter approaches, we tend to spend more time inside, whether it be at work or in the comfort of our homes. Therefore, it’s even more important than in the summer months to ensure that the air in our office or apartment is clean and breathable. Doing so decreases not only the chance of mold growth and contracting an illness but also increases the comfort level indoors.

This article explains how to use a few simple-to-use and cheap components to build an air quality meter. The project enables you to construct multiple meters and put one in each room. All these monitoring devices connect to a base station that manages and monitors several rooms. Then, the base station hosts a website so that you can easily track the air quality in multiple rooms and detect problems early on.

part-1

BOM

You’ll need to following components for each of the metering devices:

Component/Pcs./Where to buy

For the base station, you’ll need:

Component/Pcs./Where to buy

As mentioned, there is a single base station in this project. However, you can have as many sensor devices as you like, for example, one per room.

Building the Air Quality Sensors

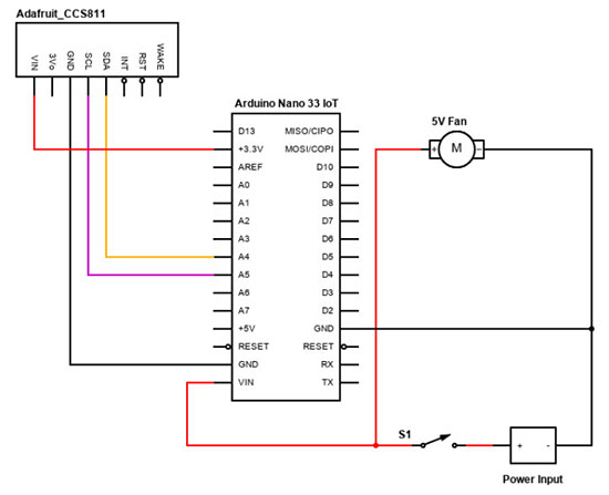
Thanks to the Adafruit CCS811 breakout board, this project is easy to assemble. Therefore, it’s suitable for beginners or for building it in a science class. Regardless of your experience level, I recommend that you have a look at this getting-started guide that discusses the CCS811 breakout module in more detail. Then, you can connect the module and the other components as shown in this schematic diagram:

Scheme-it

Besides the I2C connections for communicating with the CCS811, you also have to connect the fan and the Arduino to the power input. In this project, I gave the finished device a permanently attached USB wire. The Arduino Nano 33 IoT comes with an onboard voltage regulator so that you can power the development board with a wide range of input voltages. Therefore, you don’t need any additional external components to convert the 5V USB input to the 3.3V that the Arduino expects. The fan directly connects to the power input via the power switch. As I used a 5V DC fan, this setup ensures the fan runs within its specifications without the need for any external components.

Assembling the Device

To assemble this project, start by drilling the holes in the black ABS plastic case. First, mark the area where you want to mount the 5V fan. Note that the Arduino is quite tall, and the mounting screws that come with the fan are relatively long. Therefore, make sure that you mount the fan in a way that doesn’t interfere with the placement of the Arduino board. That’s the reason I put the fan all the way on the right side of the case. This position also allowed me to put the sensor board right underneath the fan.

fan

The fan serves two purposes in this project. First, it helps keep the Arduino board cool. Second, it draws air through three holes right next to the sensor board. This ensures that the sensor will react to changes in the environment faster than without the fan, as the fan continuously draws air from the environment over the sensor. Otherwise, it would take a considerable amount of time before the air circulates enough so that the sensor can detect changes in the CO2 and VOC level within the enclosed ABS box.

Next, drill a few exhaust holes and some that allow the fan to pull fresh air into the box. Ideally, you put the inlet holes right next to where you want to place the sensor. Last, I drilled two more holes for mounting the sensor board on the lid using two screws. Once you’ve drilled all the holes, use a sharp knife to create a cutout where you can mount the rocker switch.

 switch

Once you’ve created all the mounting and ventilation holes, use four screws to hold the fan in place and two more for the sensor board. Next, snap-fit the rocker switch in its rectangular cutout. Then, test whether you can close the case with all the components in place. There should be enough clearance to put the lid on the enclosure with no effort at all. Once you’ve verified that all the parts fit, connect the positive power wires to the switch and combine the negative power wire of the USB cable with the negative line of the motor and another cable that will plug into the Arduino later. Don’t forget to tie a knot in the USB power cable to prevent it from accidentally getting ripped out of the device:

fan

Last, connect the sensor to the Arduino as described in the schematic above. Then, place the Arduino in the case. Unfortunately, this small Arduino board doesn’t come with adequately sized screw holes for mounting it in the case. Therefore, I just tucked it under the power cables of the fan, which hold the development board in place.

assembly

Summary

Maintaining good air quality in your home or office is important, as poor air quality can lead to a wide range of immediate and long-term problems. This beginner-friendly homemade air quality meter allows you to monitor the air quality in each room of your apartment or any other indoor space. The device incorporates an Adafruit CCS811 indoor air quality sensor, an Arduino Nano 33 IoT, and a small 5V fan. So far, you’ve learned how to prepare the build and how you can assemble the project. The second part of this project discusses how you can send the air quality data to a central base station that conveniently displays the data of multiple sensors around your house on a single website.

Mfr Part # ABX00032
ARDUINO NANO 33 IOT WITH HEADERS
Arduino
Mfr Part # ATMEGA328-PU
IC MCU 8BIT 32KB FLASH 28DIP
Microchip Technology
Mfr Part # 4468
FAN AXIAL 30X8MM 5VDC
Adafruit Industries LLC
Mfr Part # CU-1941
BOX ABS BLACK 3.27"L X 2.13"W
Bud Industries
Mfr Part # RA11131123
SWITCH ROCKER SPST 10A 125V
E-Switch
Add all DigiKey Parts to Cart
Have questions or comments? Continue the conversation on TechForum, DigiKey's online community and technical resource.